GM Service Manual Online
For 1990-2009 cars only
Makes
🢒
Chevrolet
🢒
2007
🢒
Colorado Pickup - 2WD
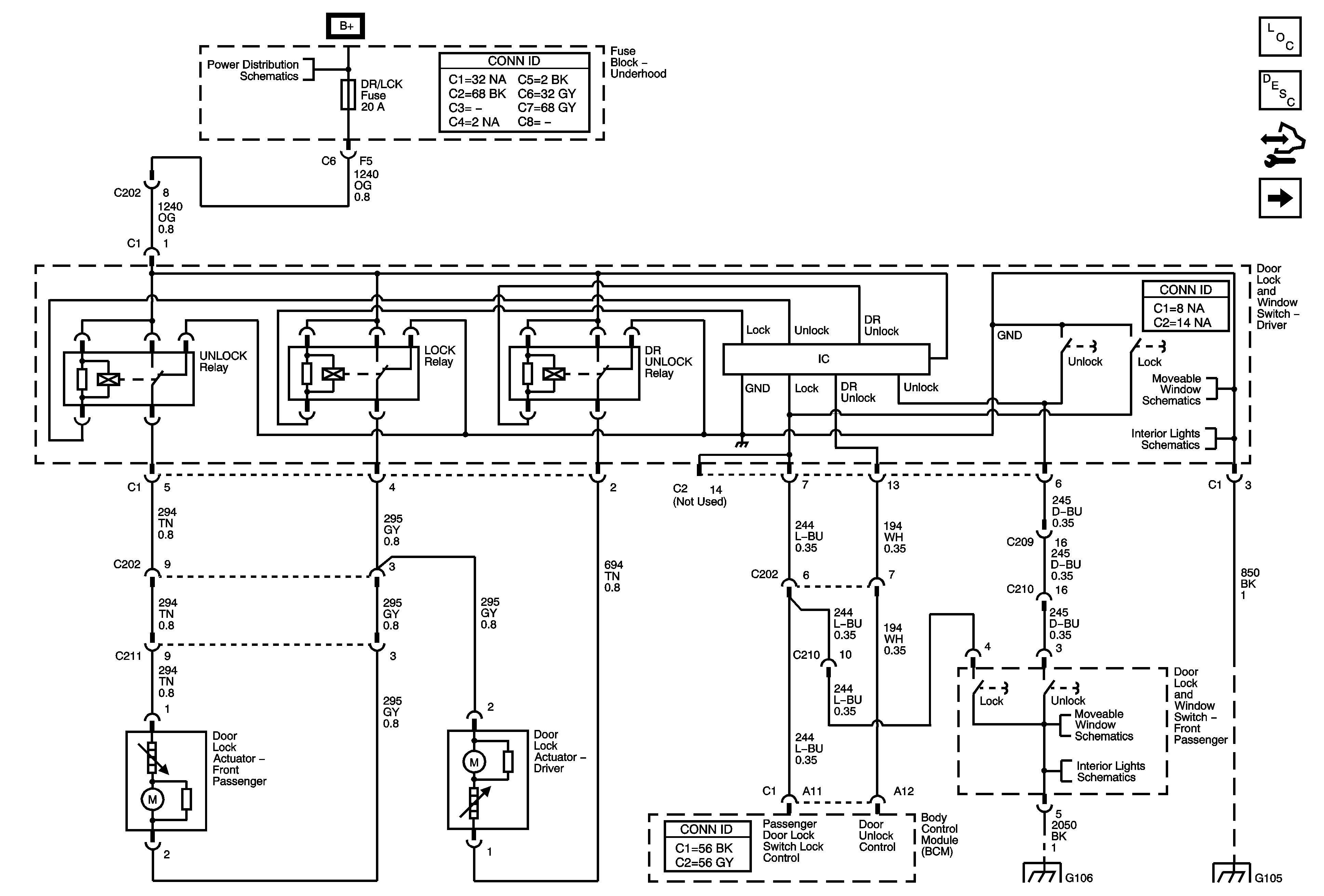
🢒 Power Door Locks, Regular and Extended Cab
Power Door Locks, Regular and Extended Cab
Power Door Locks - Regular and Extended Cab
Master Electrical Component List
Power Door Locks Description and Operation
Body Control Module Programming and Setup
Power Door Locks - Crew Cab
B+ Bus - Underhood Fuse Block
Left Door Regular and Extended Cab
Inside Rearview Mirror, Dome Lamp, Footwell Lamps, and Cargo Lamp
Right Door Crew Cab
Door Lock, Window Switches, and Outside Rearview Mirror Switch
Splice Pack SP106 and G106 - 1 of 2
Splice Pack SP105 and G105 - 1 of 2