GM Service Manual Online
For 1990-2009 cars only
Makes
🢒
Chevrolet
🢒
2007
🢒
Colorado Pickup - 2WD
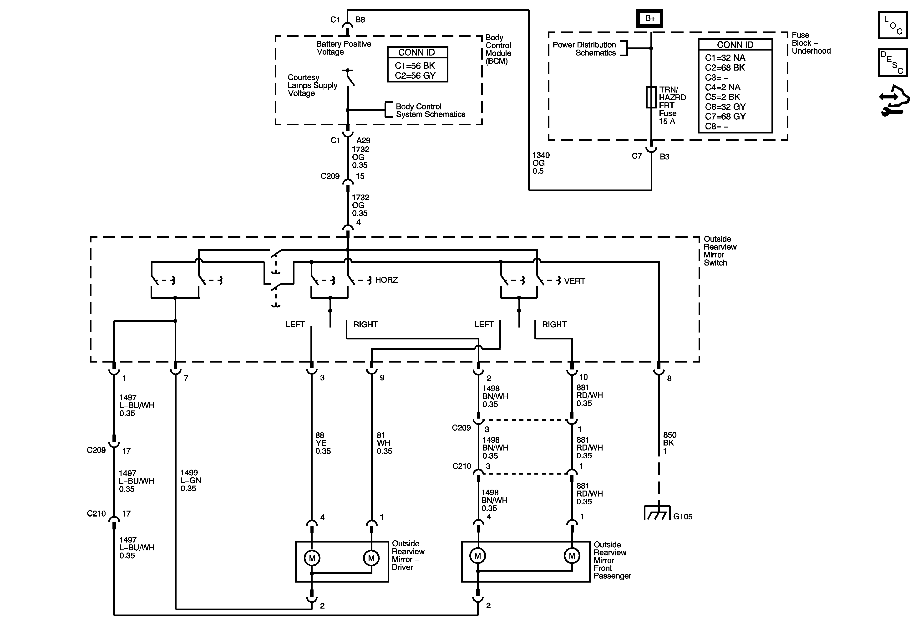
🢒 Outside Rearview Mirror Schematics
Outside Rearview Mirror Schematics
Master Electrical Component List
Outside Mirror Description and Operation
Body Control Module Programming and Setup
Subsystem References to Theft, Horn, Seat Belt, Outside Mirror, Power Moding, Brake Warning, ABS, and Wiper/Washer
B+ Bus - Underhood Fuse Block
Splice Pack SP105 and G105 - 1 of 2