GM Service Manual Online
For 1990-2009 cars only
Makes
🢒
Chevrolet
🢒
2007
🢒
Colorado Pickup - 2WD
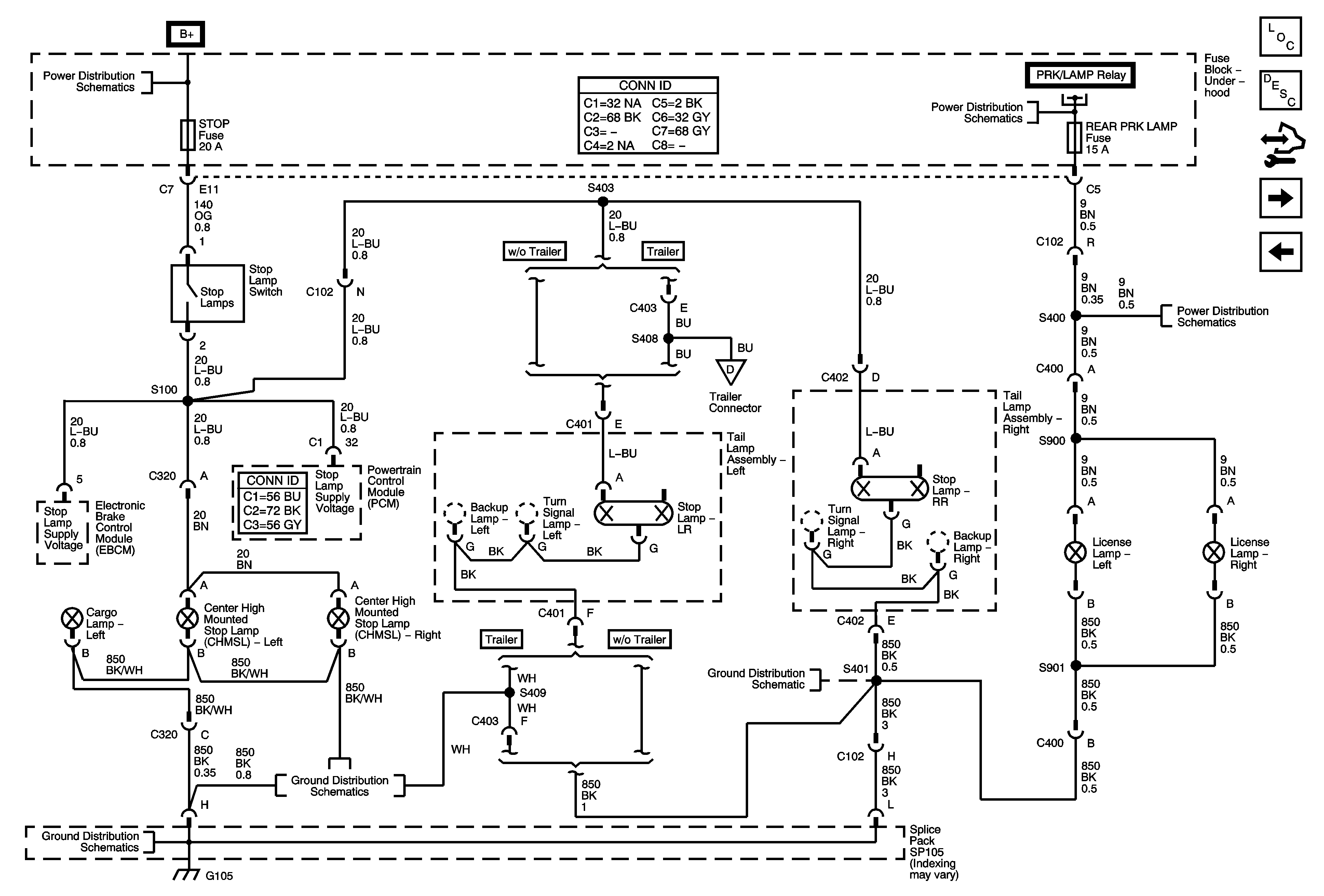
🢒 Stop Lamps and License Lamps
Stop Lamps and License Lamps
Stop Lamps and License Lamps
Master Electrical Component List
Exterior Lighting Systems Description and Operation
Body Control Module Programming and Setup
Backup Lamps
Park Lamps
B+ Bus - Underhood Fuse Block
FR PK LP, RR PK LP, and RR PK LP2 Fuses
FR PK LP, RR PK LP, and RR PK LP2 Fuses
Splice Pack SP105 and G105 - 1 of 2
Splice Pack SP105 and G105 - 2 of 2
Splice Pack SP105 and G105 - 2 of 2