GM Service Manual Online
For 1990-2009 cars only
Makes
🢒
Chevrolet
🢒
2008
🢒
Colorado Pickup - 2WD
🢒
Diagnostic Navigation
🢒
Vehicle Diagnostic Information
🢒 Radio/Navigation System Schematics
Figure
1:
Power, Ground, and Serial Data
Master Electrical Component List
Control Module References
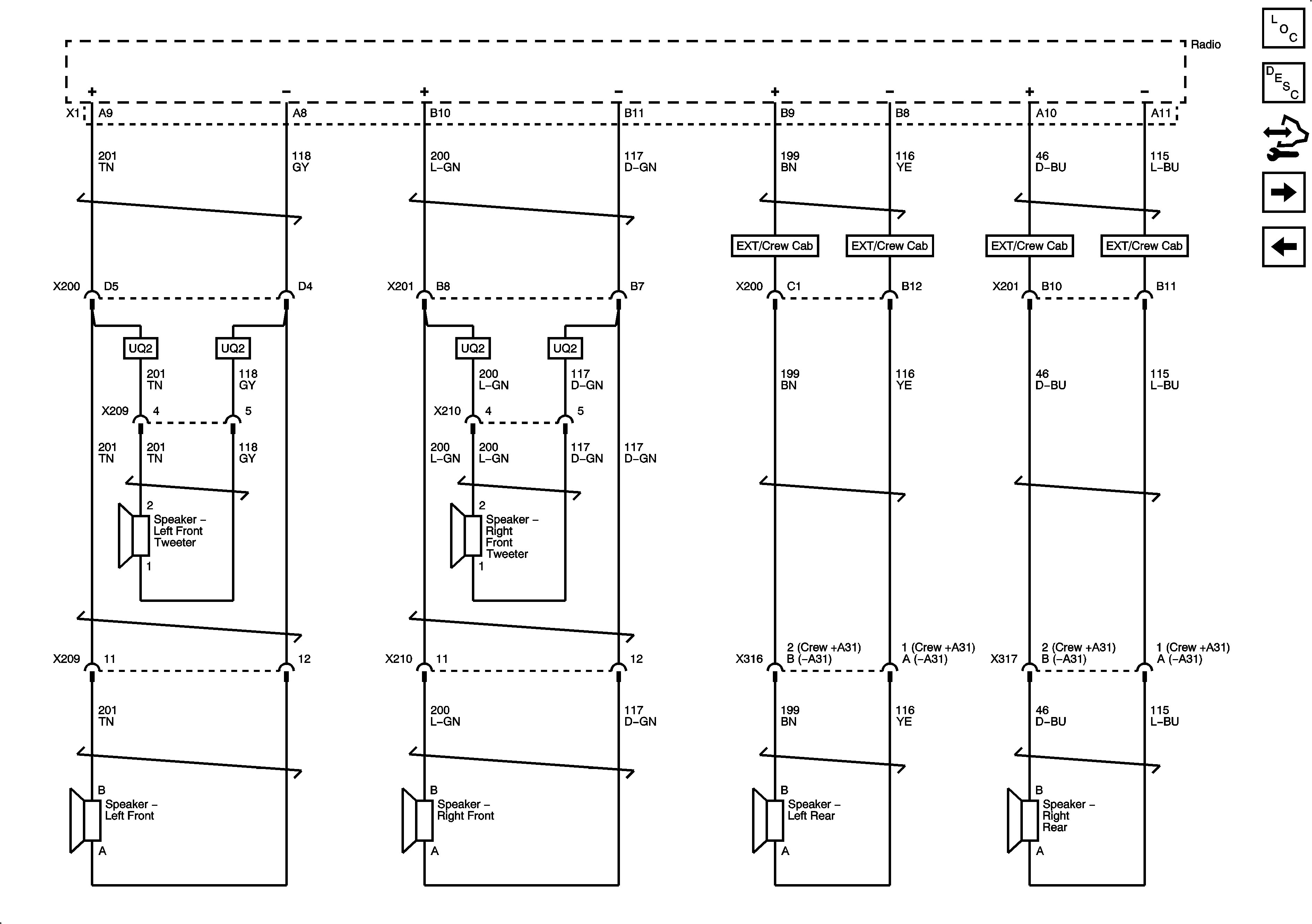
Speakers
Figure
2:
Speakers
Master Electrical Component List
Control Module References
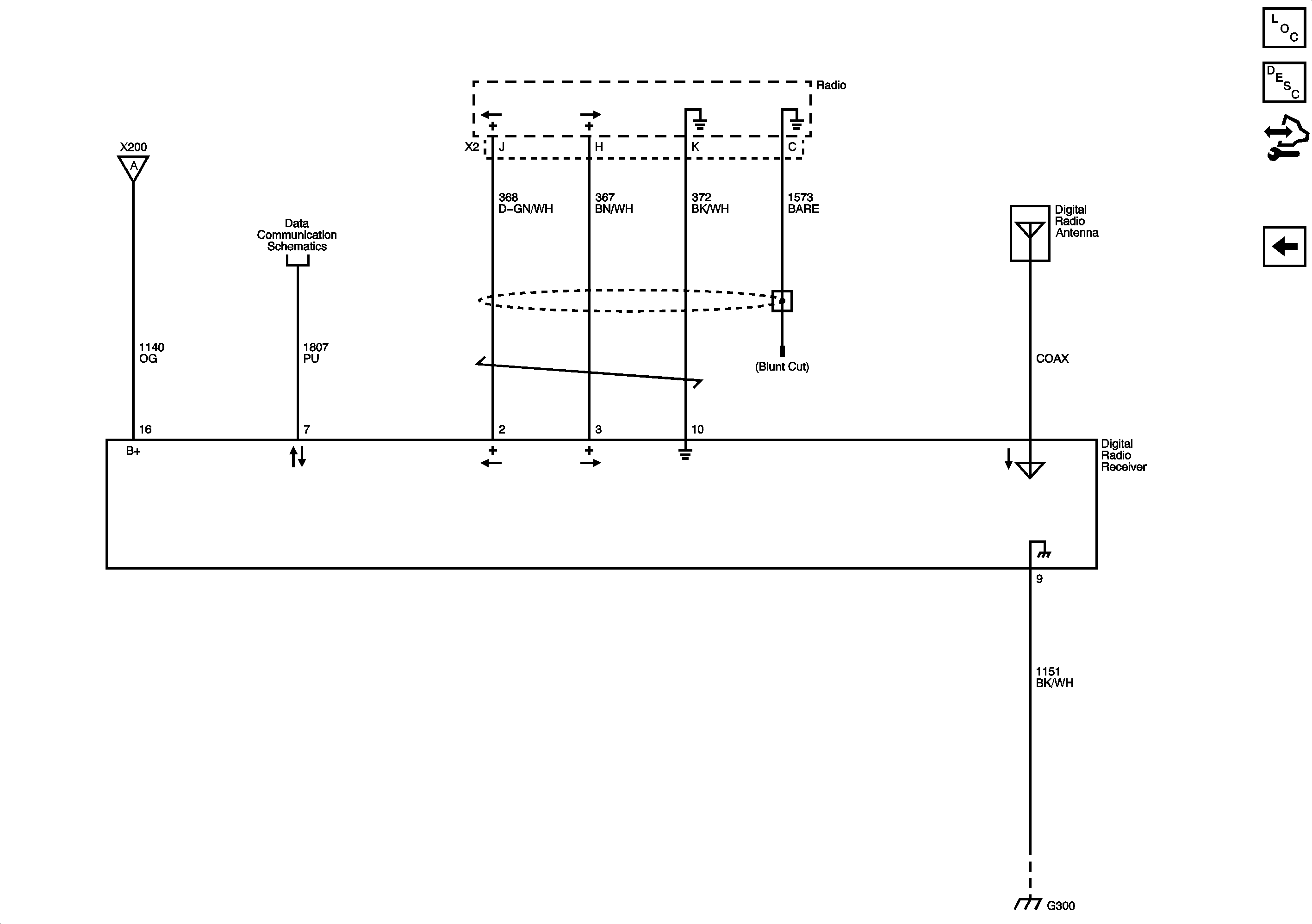
Digital Radio (U2K)
Power, Ground, and Serial Data
Figure
3:
Digital Radio (U2K)
Master Electrical Component List
Control Module References
Speakers