GM Service Manual Online
For 1990-2009 cars only
Makes
🢒
Chevrolet
🢒
2008
🢒
Colorado Pickup - 2WD
🢒
Diagnostic Navigation
🢒
Vehicle Diagnostic Information
🢒 Data Communication Schematics
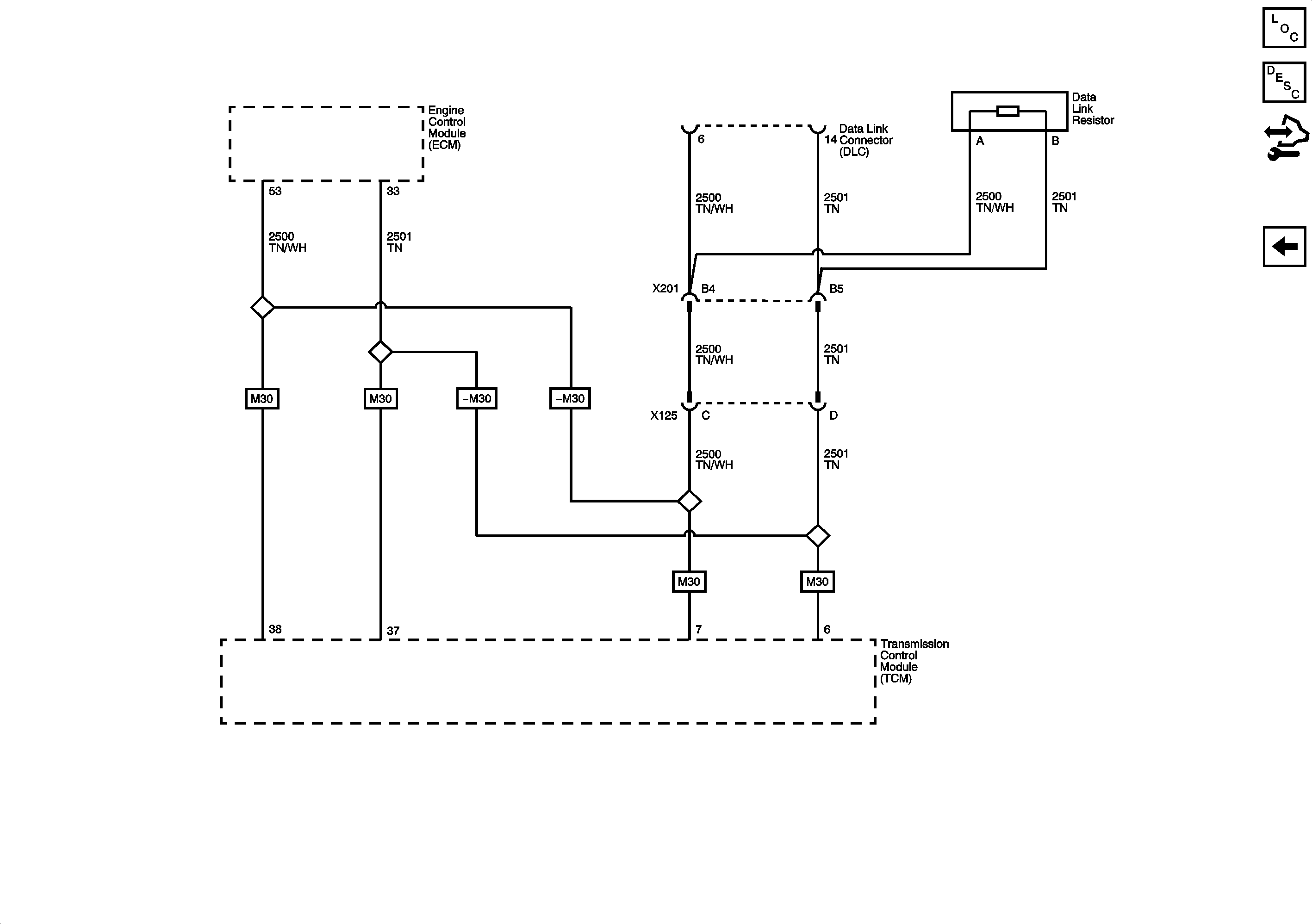
Figure
1:
Class 2 Serial Data
Master Electrical Component List
Data Link Communications Description and Operation
Control Module References
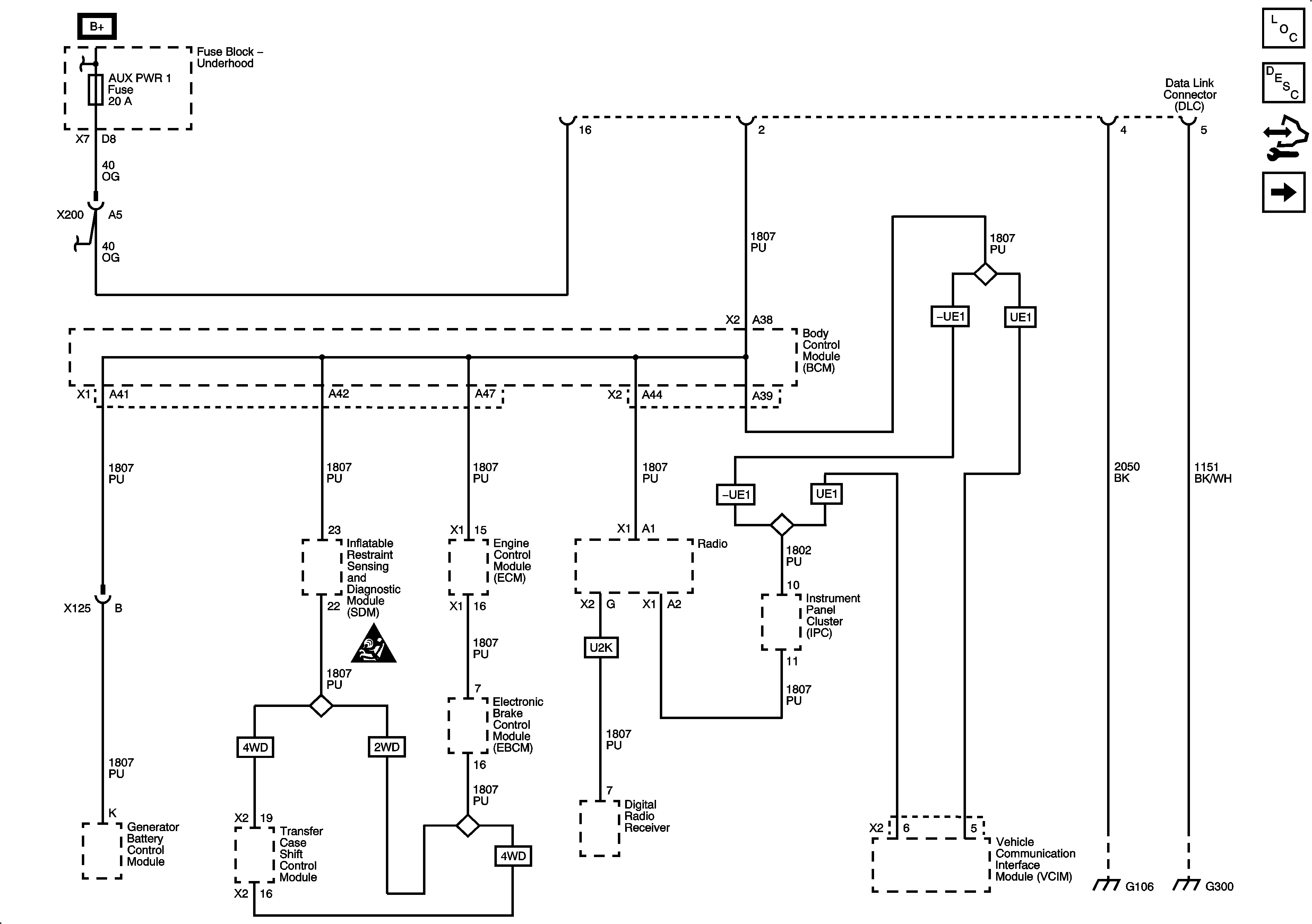
High Speed GMLAN Serial Data
Figure
2:
High Speed GMLAN Serial Data
Master Electrical Component List
Data Link Communications Description and Operation
Control Module References
Class 2 Serial Data