GM Service Manual Online
For 1990-2009 cars only
Figure 1:

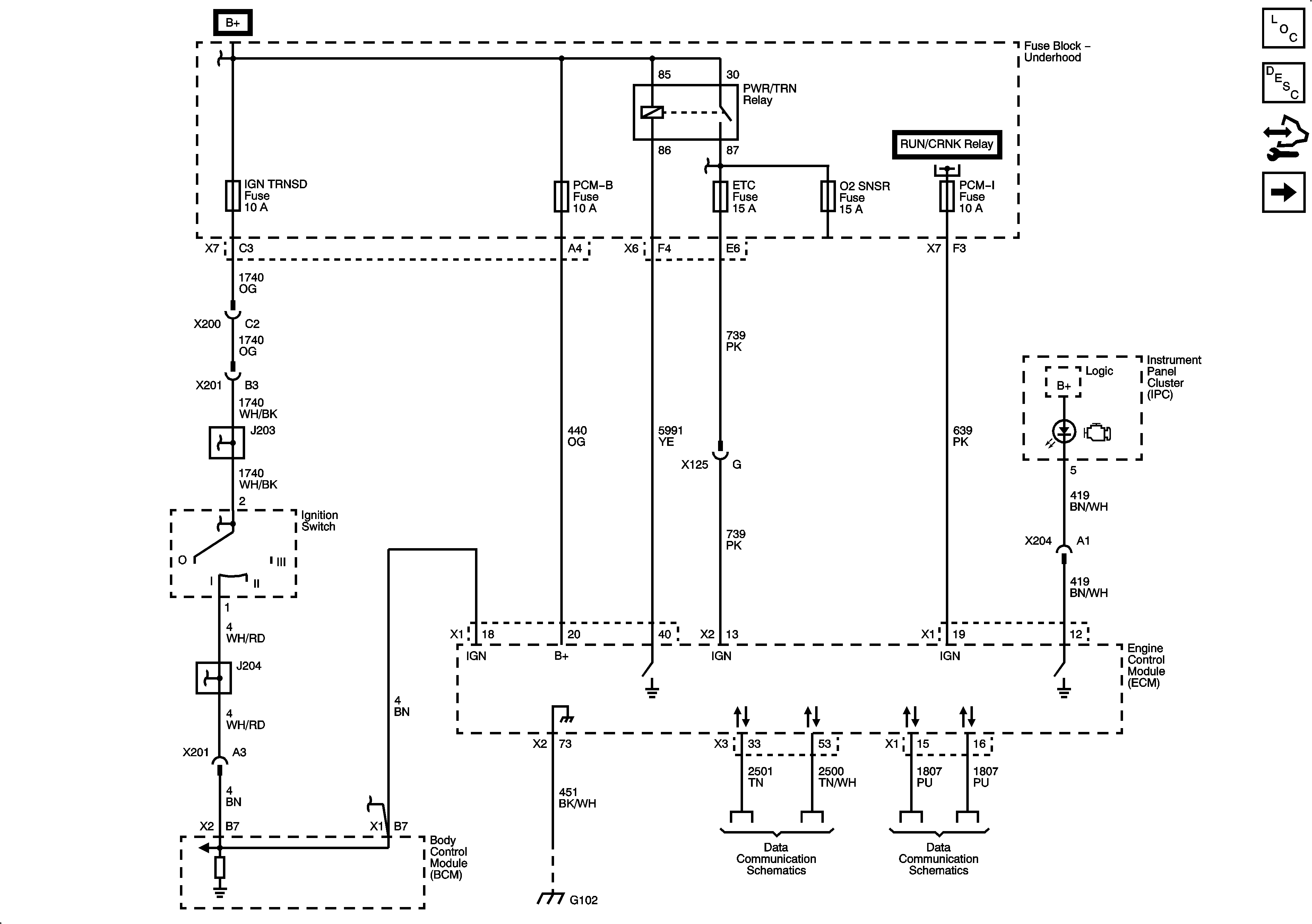
Module Power, Ground, Serial Data, and MIL


Object Number: 1907018  Size: FS
Master Electrical Component List
Engine Control Module Description
Control Module References
Engine Data Sensors - 5-Volt and Low Reference
Figure 2:

Engine Data Sensors - 5-Volt and Low Reference


Object Number: 1907022  Size: FS
Master Electrical Component List
Engine Control Module Description
Control Module References
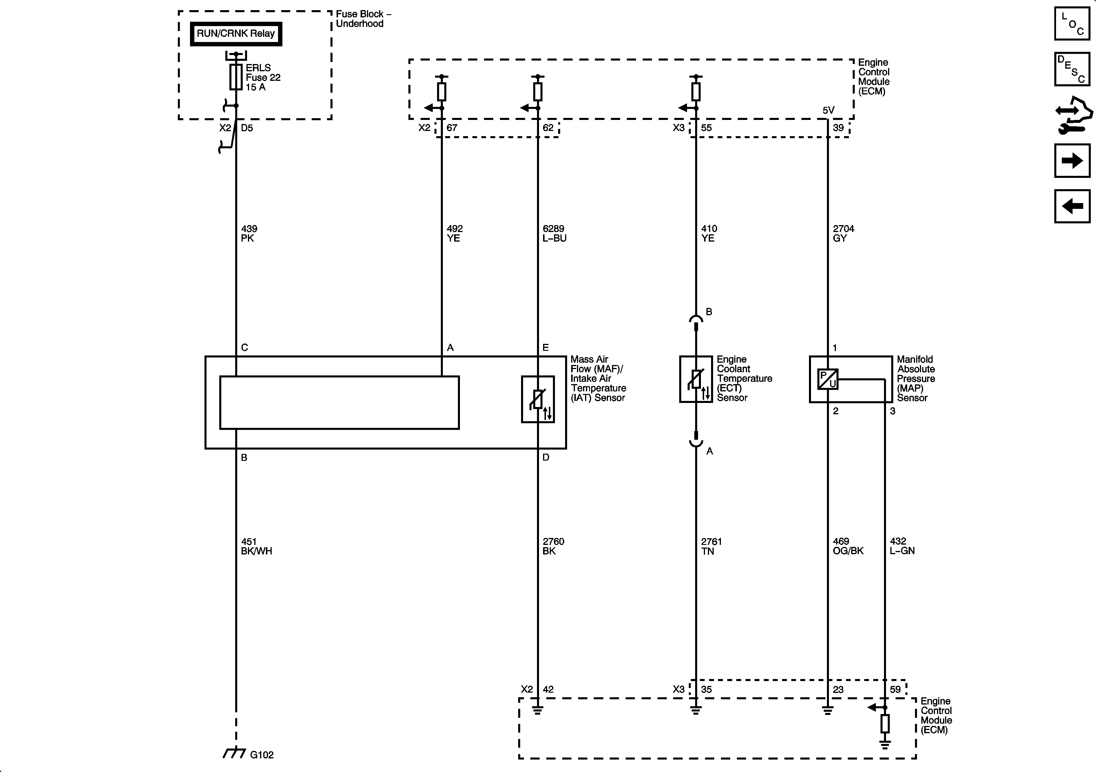
Engine Data Sensors - Pressure and Temperature
Module Power, Ground, Serial Data, and MIL
Figure 3:

Engine Data Sensors - Pressure and Temperature


Object Number: 1907024  Size: FS
Master Electrical Component List
Engine Control Module Description
Control Module References
Engine Data Sensors - Throttle Controls
Engine Data Sensors - 5-Volt and Low Reference
Figure 4:

Engine Data Sensors - Throttle Controls


Object Number: 1907040  Size: FS
Master Electrical Component List
Engine Control Module Description
Control Module References
Engine Data Sensors - Heated Oxygen Sensors
Engine Data Sensors - Pressure and Temperature
Figure 5:

Engine Data Sensors - Heated Oxygen Sensors


Object Number: 1907026  Size: FS
Master Electrical Component List
Engine Control Module Description
Control Module References
Engine Data Sensors - Throttle Controls
Engine Data Sensors - Throttle Controls
Figure 6:

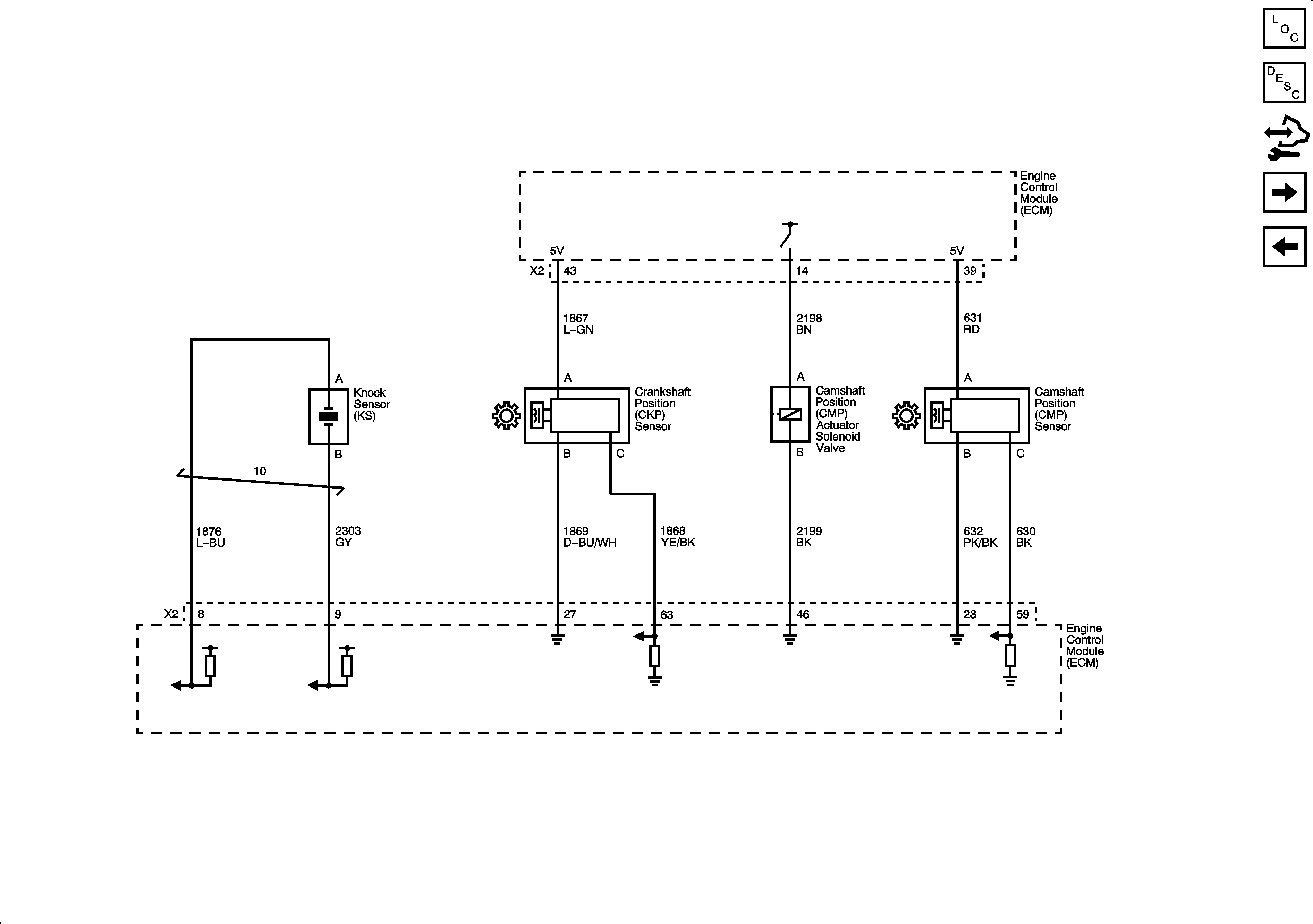
Ignition Controls - Sensors


Object Number: 1907034  Size: FS
Master Electrical Component List
Engine Control Module Description
Control Module References
Ignition Controls - Ignition System Coils
Engine Data Sensors - Throttle Controls
Figure 7:

Ignition Controls - Ignition System Coils


Object Number: 1907028  Size: FS
Master Electrical Component List
Engine Control Module Description
Control Module References
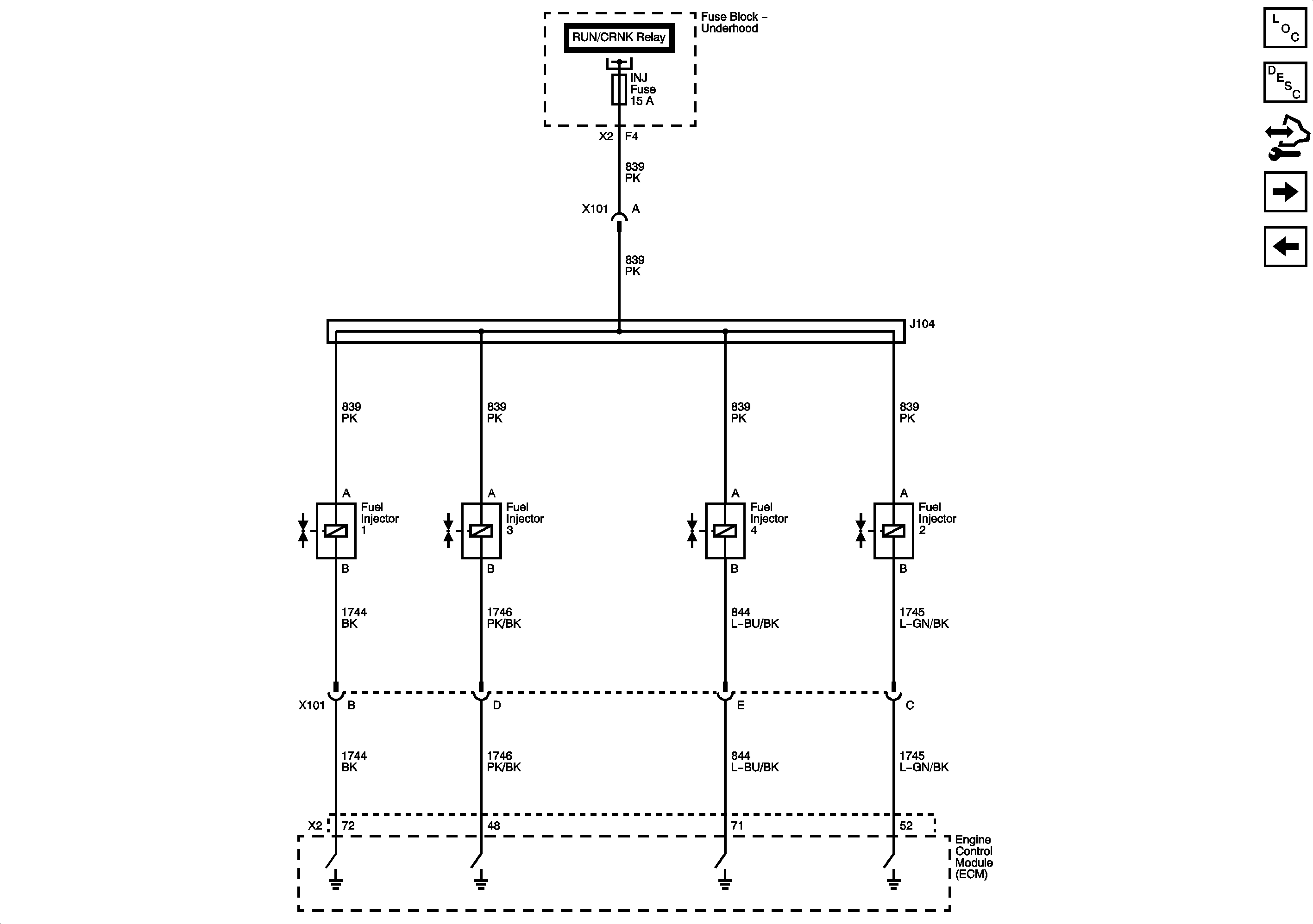
Fuel Controls - Fuel Injectors
Ignition Controls - Sensors
Figure 8:

Fuel Controls - Fuel Injectors


Object Number: 1907042  Size: FS
Master Electrical Component List
Engine Control Module Description
Control Module References
Fuel Controls - Fuel Pump and EVAP Controls
Ignition Controls - Ignition System Coils
Figure 9:

Fuel Controls - Fuel Pump and EVAP Controls


Object Number: 1907045  Size: FS
Master Electrical Component List
Engine Control Module Description
Control Module References
Device Controls - Secondary Air Injection (K18)
Fuel Controls - Fuel Injectors
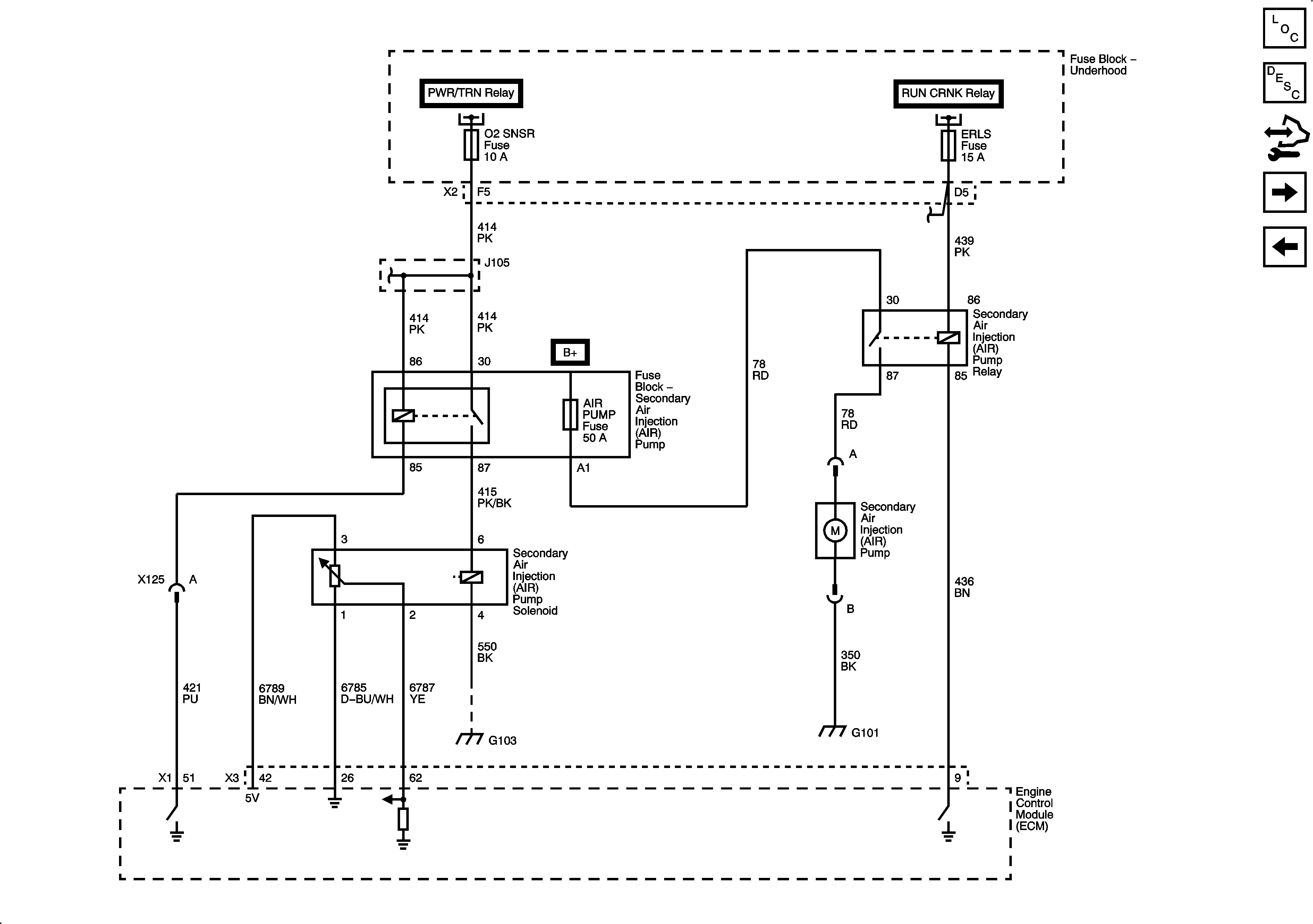
Figure 10:

Device Controls Secondary Air Injection (K18)


Object Number: 1907074  Size: FS
Controlled/Monitored Subsystem References
Master Electrical Component List
Engine Control Module Description
Control Module References
Fuel Controls - Fuel Pump and EVAP Controls
Figure 11:

Controlled/Monitored Subsystem References


Object Number: 1907048  Size: FS
Master Electrical Component List
Engine Control Module Description
Control Module References
Device Controls - Secondary Air Injection (K18)