GM Service Manual Online
For 1990-2009 cars only
Makes
🢒
Chevrolet
🢒
2008
🢒
Colorado Pickup - 2WD
🢒
Diagnostic Navigation
🢒
Vehicle Diagnostic Information
🢒 Headlights/Daytime Running Lights (DRL) Schematics
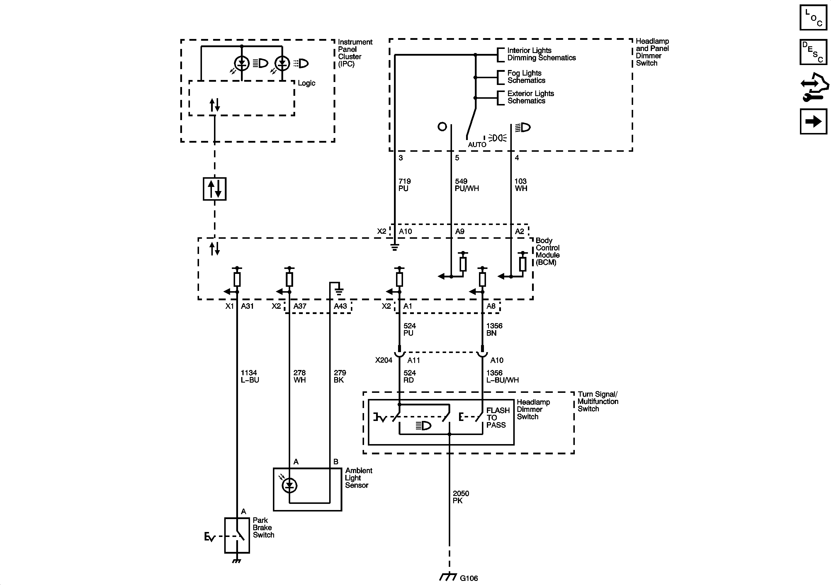
Figure
1:
Ambient Light Sensor, Headlamp Controls and Switches
Master Electrical Component List
Exterior Lighting Systems Description and Operation
Control Module References
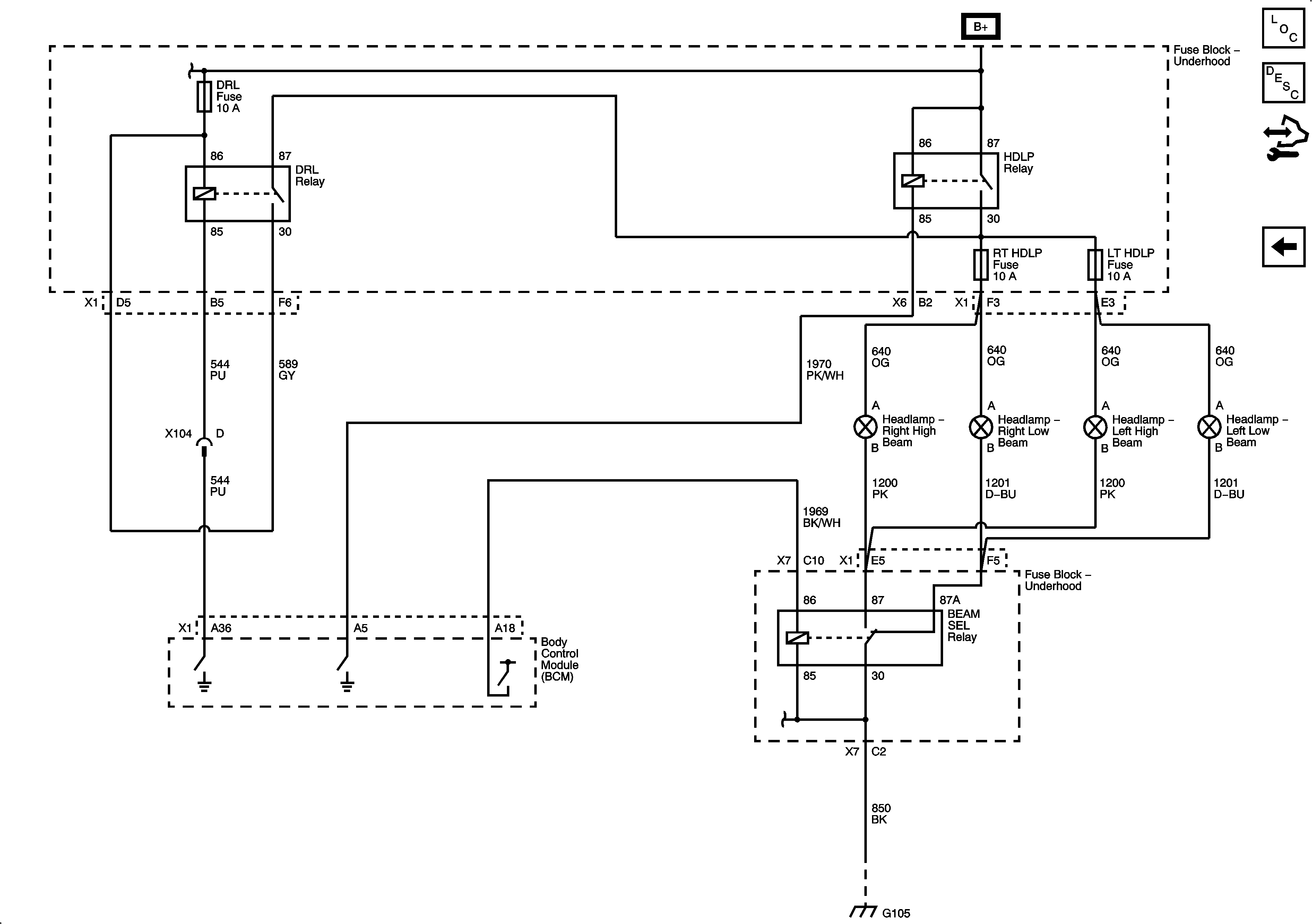
Headlamps - TT5
Figure
2:
Headlamps - TT5
Master Electrical Component List
Exterior Lighting Systems Description and Operation
Control Module References
Ambient Light Sensor, Headlamp Controls and Switches