GM Service Manual Online
For 1990-2009 cars only
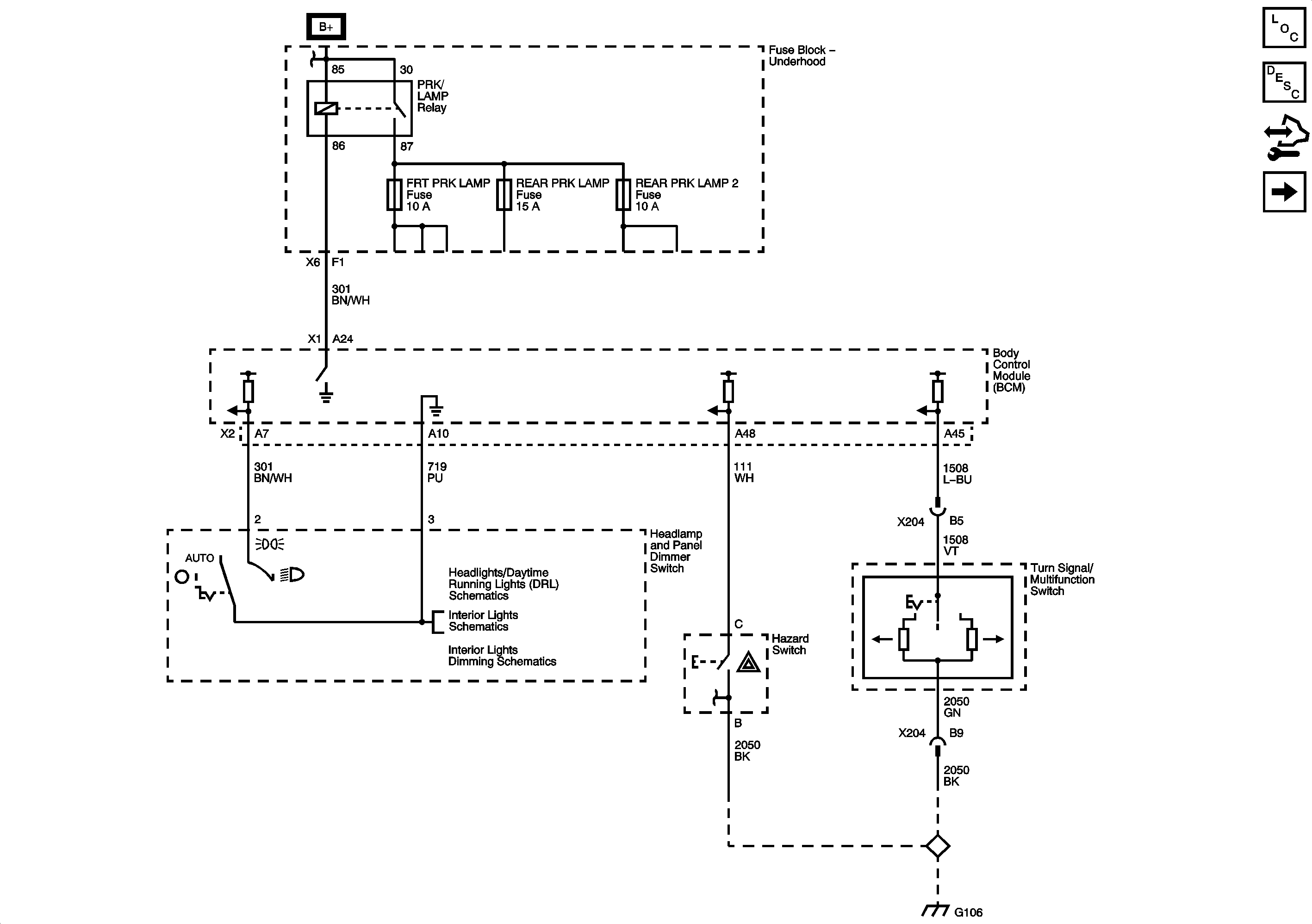
Figure 1:

Park Lamp and Turn Signal Controls


Object Number: 1907377  Size: FS
Master Electrical Component List
Exterior Lighting Systems Description and Operation
Control Module References
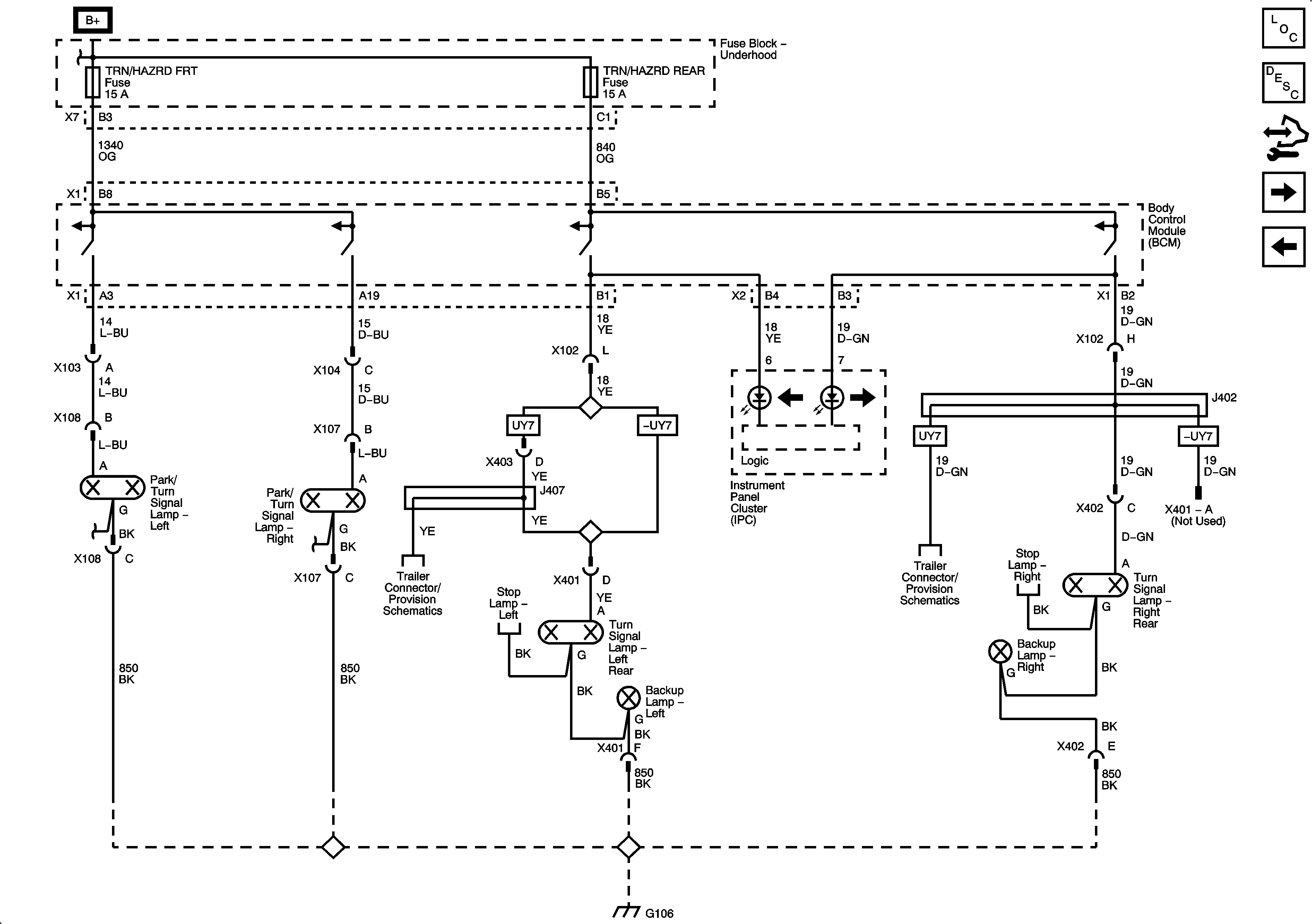
Turn Signal Lamps
Figure 2:

Turn Signal Lamps


Object Number: 1907488  Size: FS
Master Electrical Component List
Exterior Lighting Systems Description and Operation
Control Module References
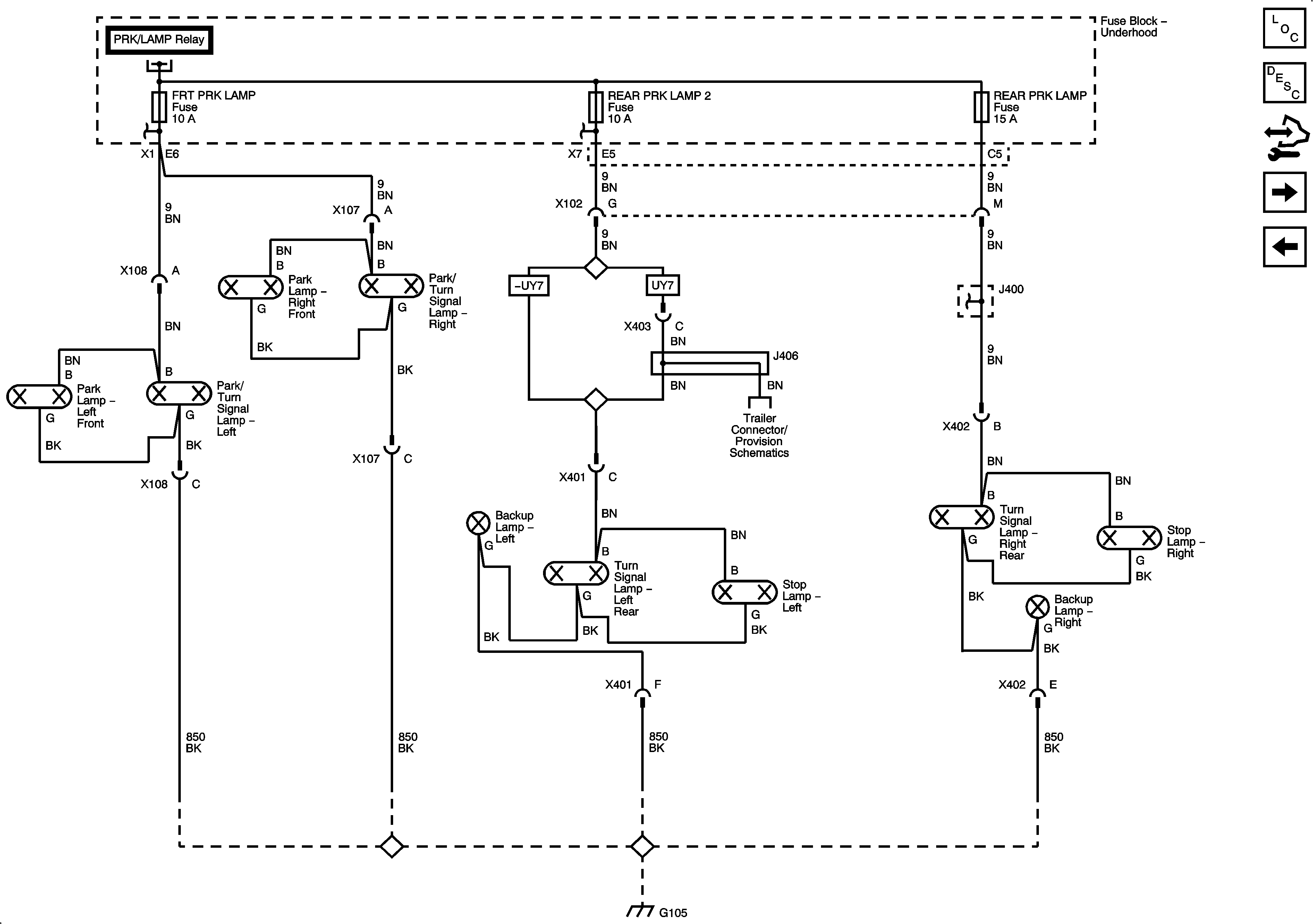
Park Lamps
Park Lamp and Turn Signal Controls
Figure 3:

Park Lamps


Object Number: 1907391  Size: FS
Master Electrical Component List
Exterior Lighting Systems Description and Operation
Control Module References
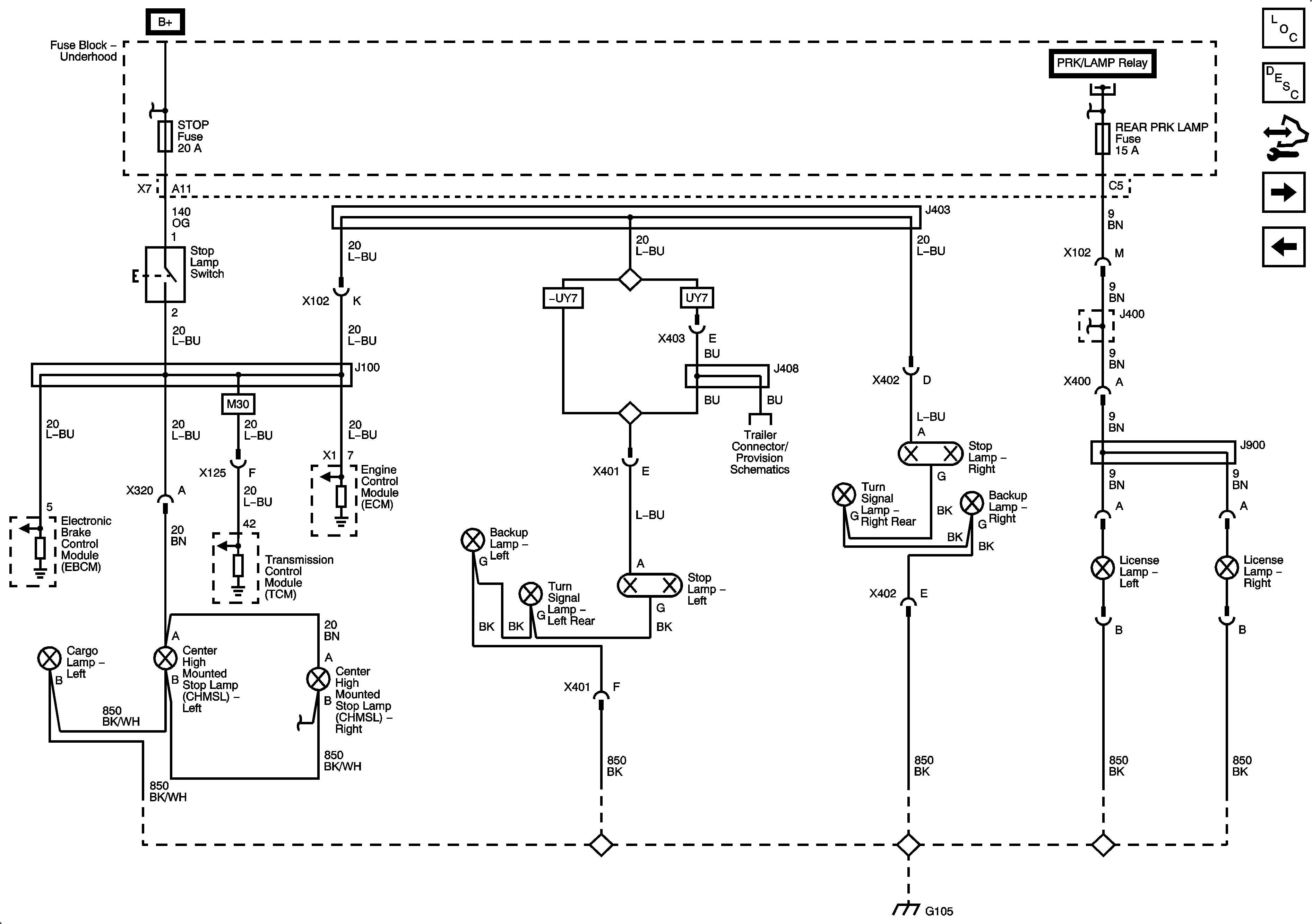
Stop and License Lamps
Turn Signal Lamps
Figure 4:

Stop and License Lamps


Object Number: 1907399  Size: FS
Master Electrical Component List
Exterior Lighting Systems Description and Operation
Control Module References
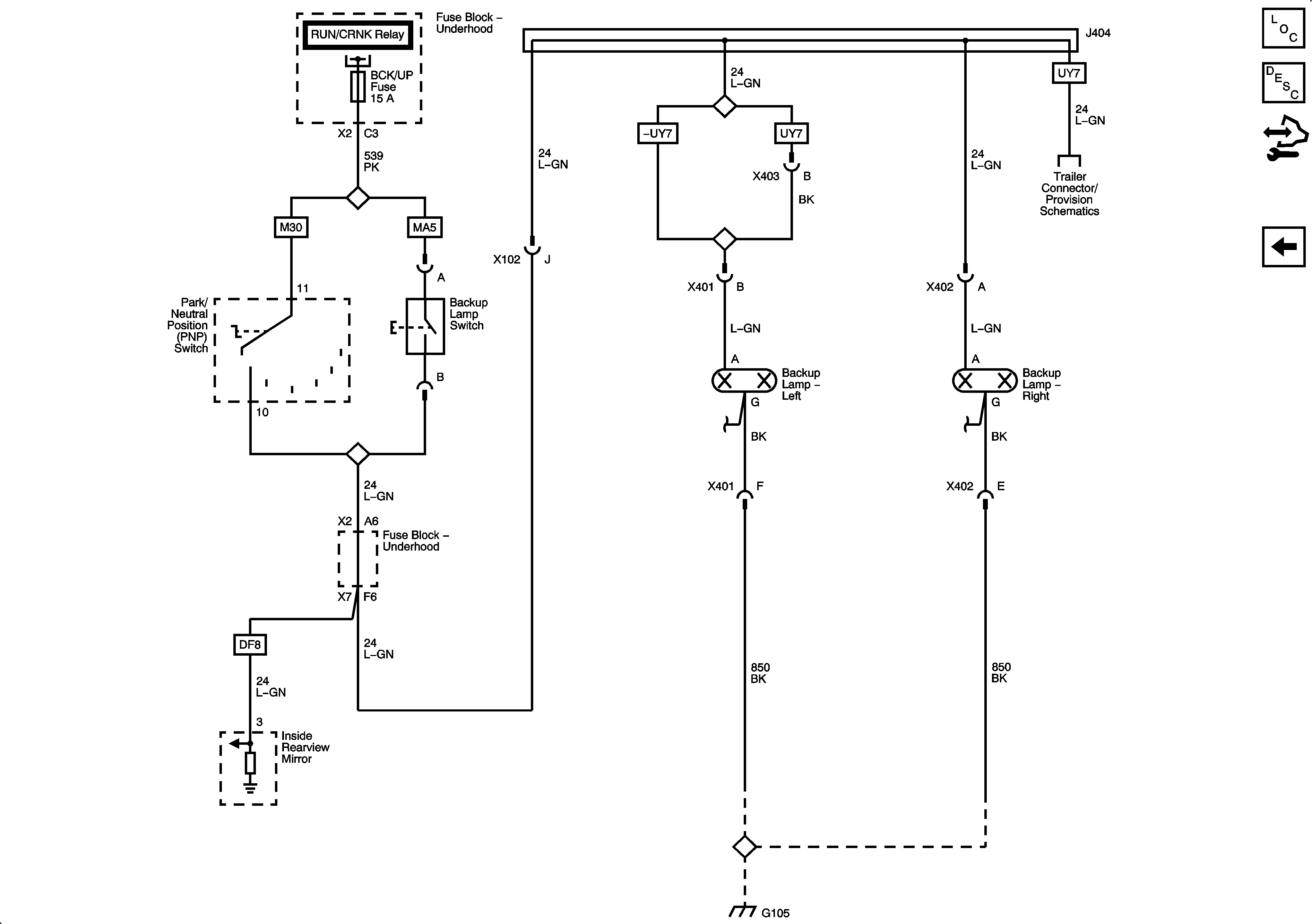
Backup Lamps
Park Lamps
Figure 5:

Backup Lamps


Object Number: 1907410  Size: FS
Master Electrical Component List
Exterior Lighting Systems Description and Operation
Control Module References
Stop and License Lamps