GM Service Manual Online
For 1990-2009 cars only
Makes
🢒
Chevrolet
🢒
2008
🢒
Colorado Pickup - 2WD
🢒
Diagnostic Navigation
🢒
Vehicle Diagnostic Information
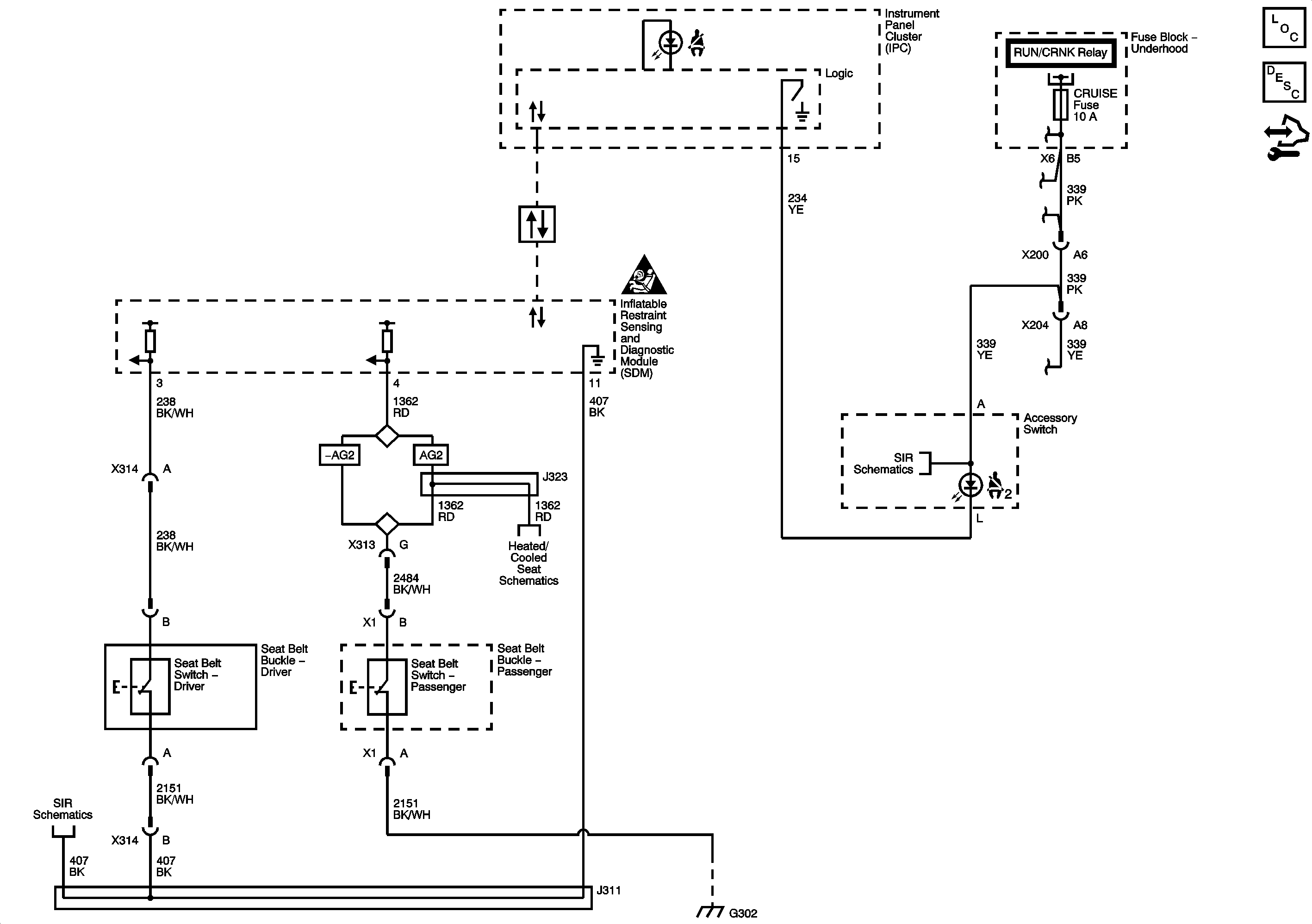
🢒 Seat Belt Schematics
Master Electrical Component List
Seat Belt System Description and Operation
Control Module References