GM Service Manual Online
For 1990-2009 cars only
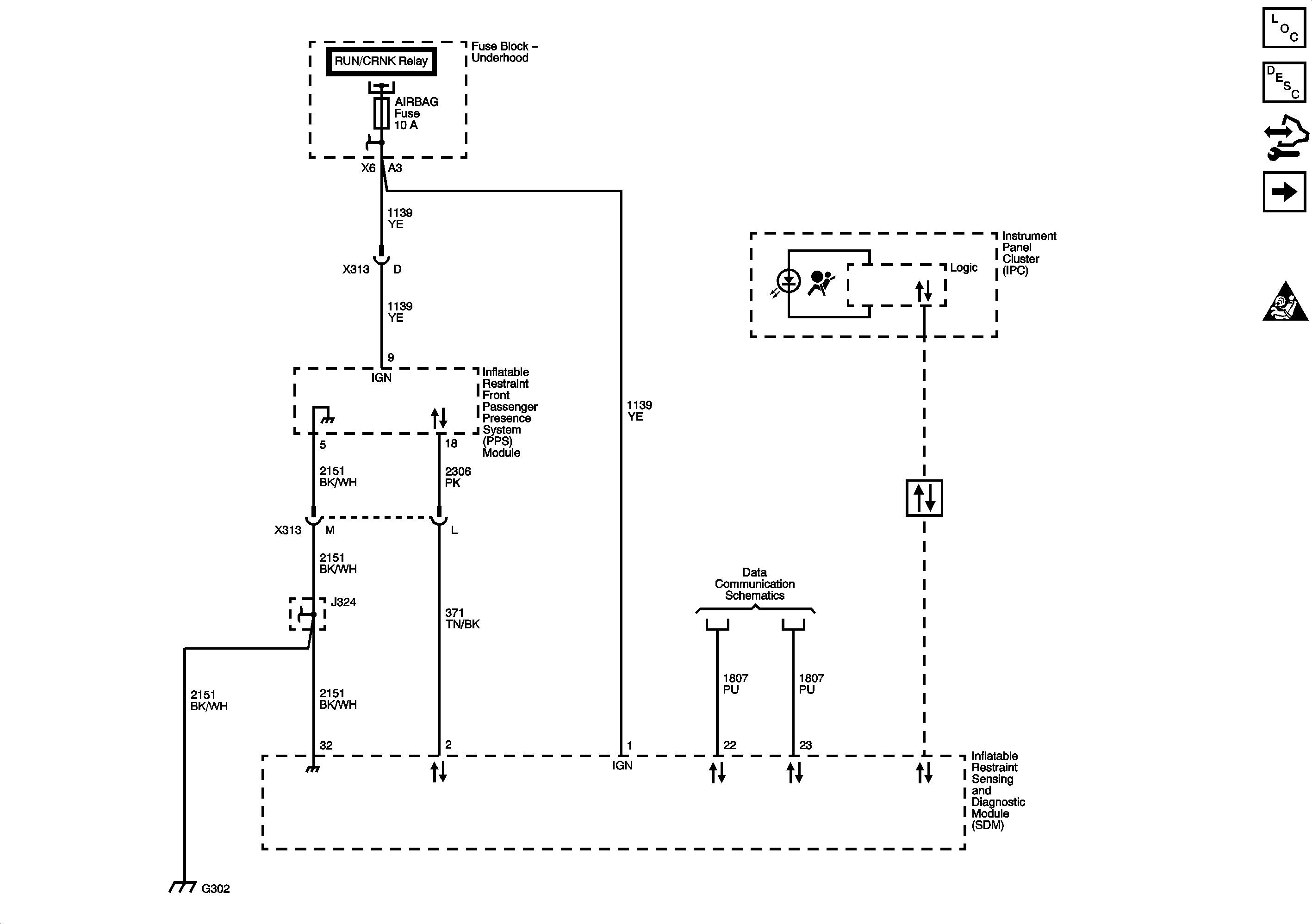
Figure 1:

Power, Ground, and Serial Data


Object Number: 1907601  Size: FS
Master Electrical Component List
SIR System Description and Operation
Control Module References
Impact Sensors and Modules
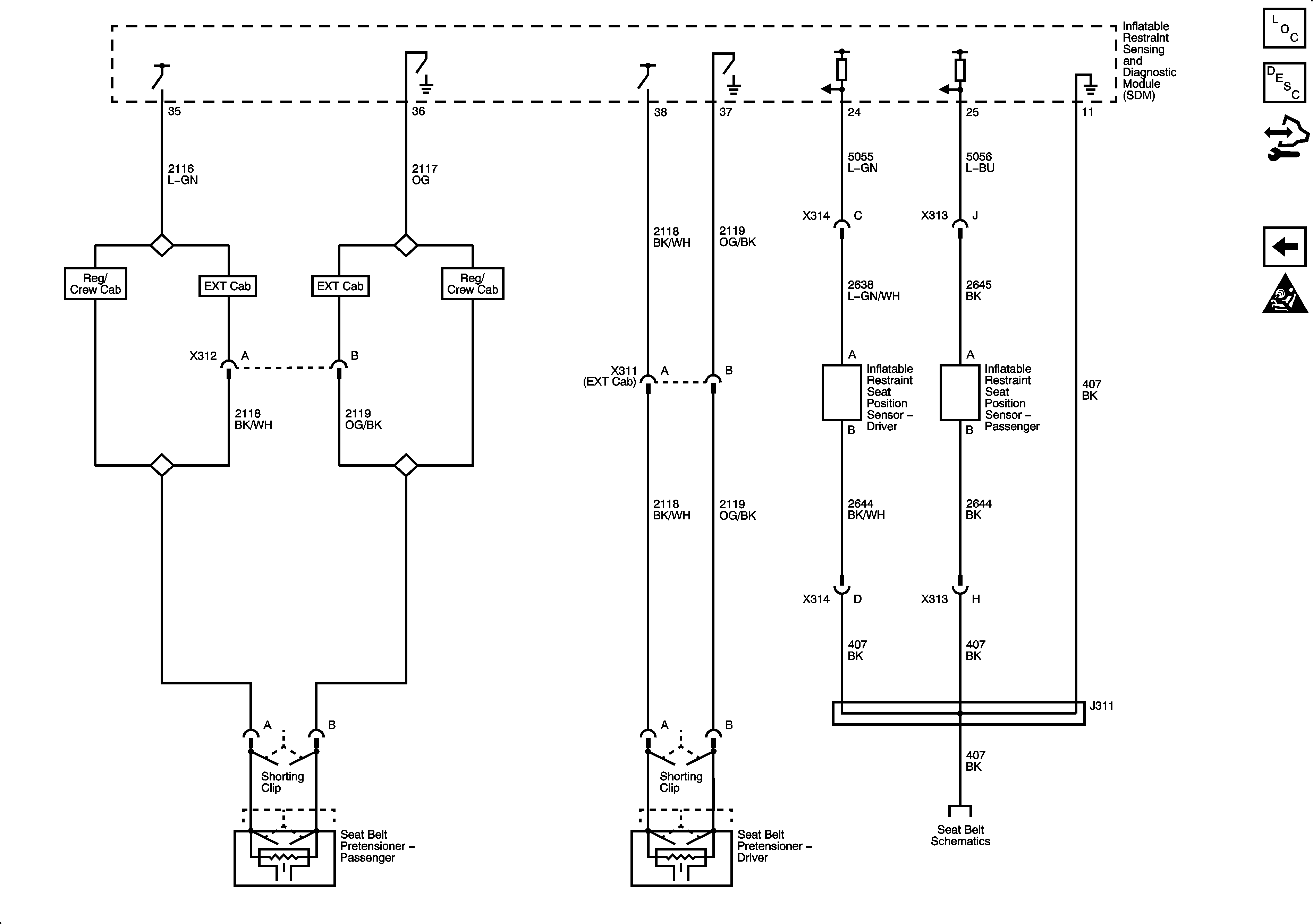
Figure 2:

Impact Sensors and Modules


Object Number: 1907602  Size: FS
Master Electrical Component List
SIR System Description and Operation
Control Module References
Passenger Presence
Power, Ground, and Serial Data
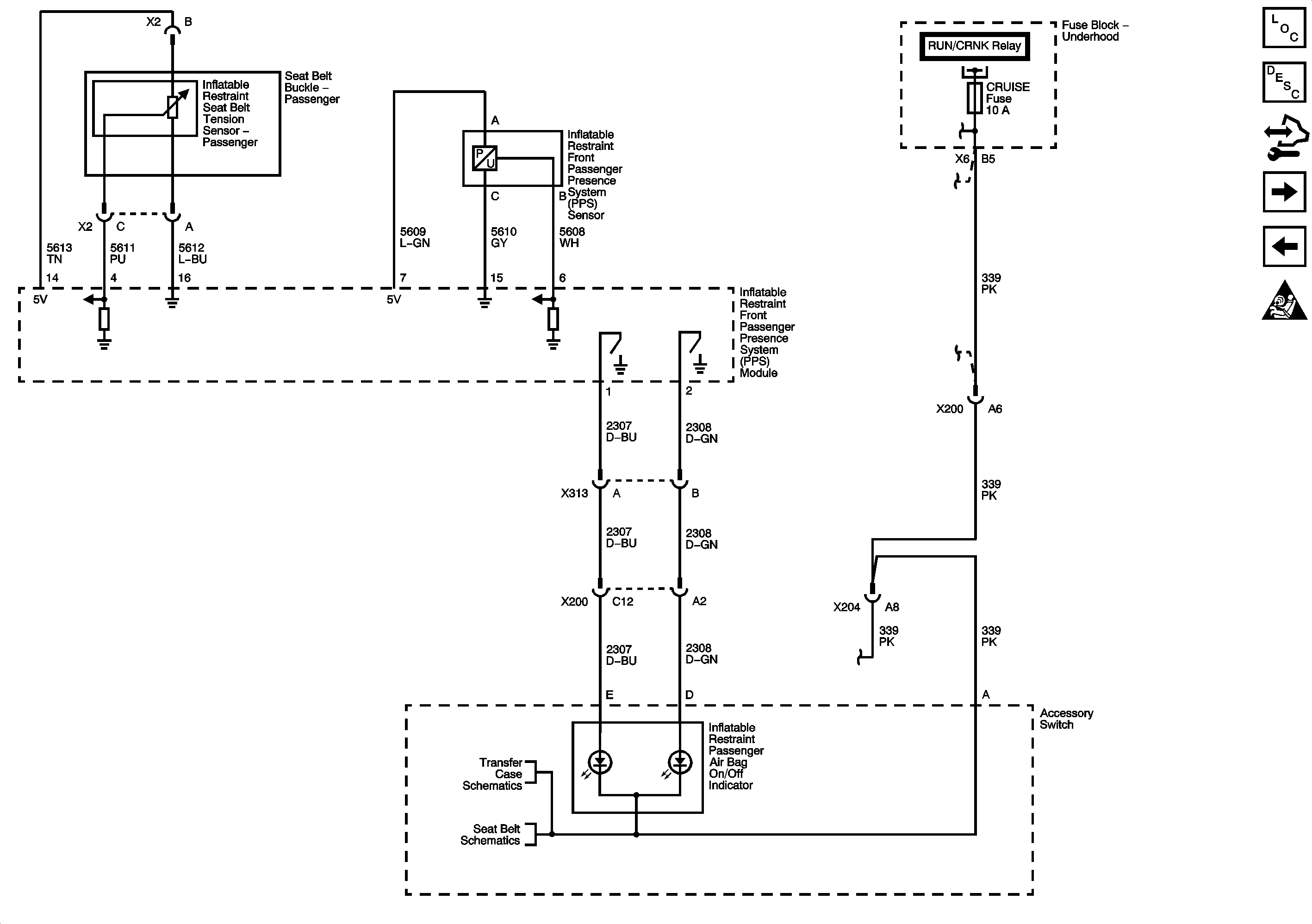
Figure 3:

Passenger Presence


Object Number: 1907603  Size: FS
Master Electrical Component List
SIR System Description and Operation
Control Module References
Seat Position Sensors and Seat Belt Pretensioners
Impact Sensors and Modules
Figure 4:

Seat Position Sensors and Seat Belt Pretensioners


Object Number: 1907604  Size: FS
Master Electrical Component List
SIR System Description and Operation
Control Module References
Passenger Presence