GM Service Manual Online
For 1990-2009 cars only
Figure 1:

B+ Bus


Object Number: 1906821  Size: FS
Master Electrical Component List
Control Module References
ABS 1, ABS 2, AUX PWR 1, AUX PWR 2, CNSTR VENT, CIGAR, CLSTR, PCM B, RDO, STOP, and TCCM Fuses
Figure 2:

ABS 1, ABS 2, AUX PWR 1, AUX PWR 2, CNSTR VENT, CIGAR, CLSTR, PCM B, RDO, STOP, and TCCM Fuses


Object Number: 1906823  Size: FS
Master Electrical Component List
Control Module References
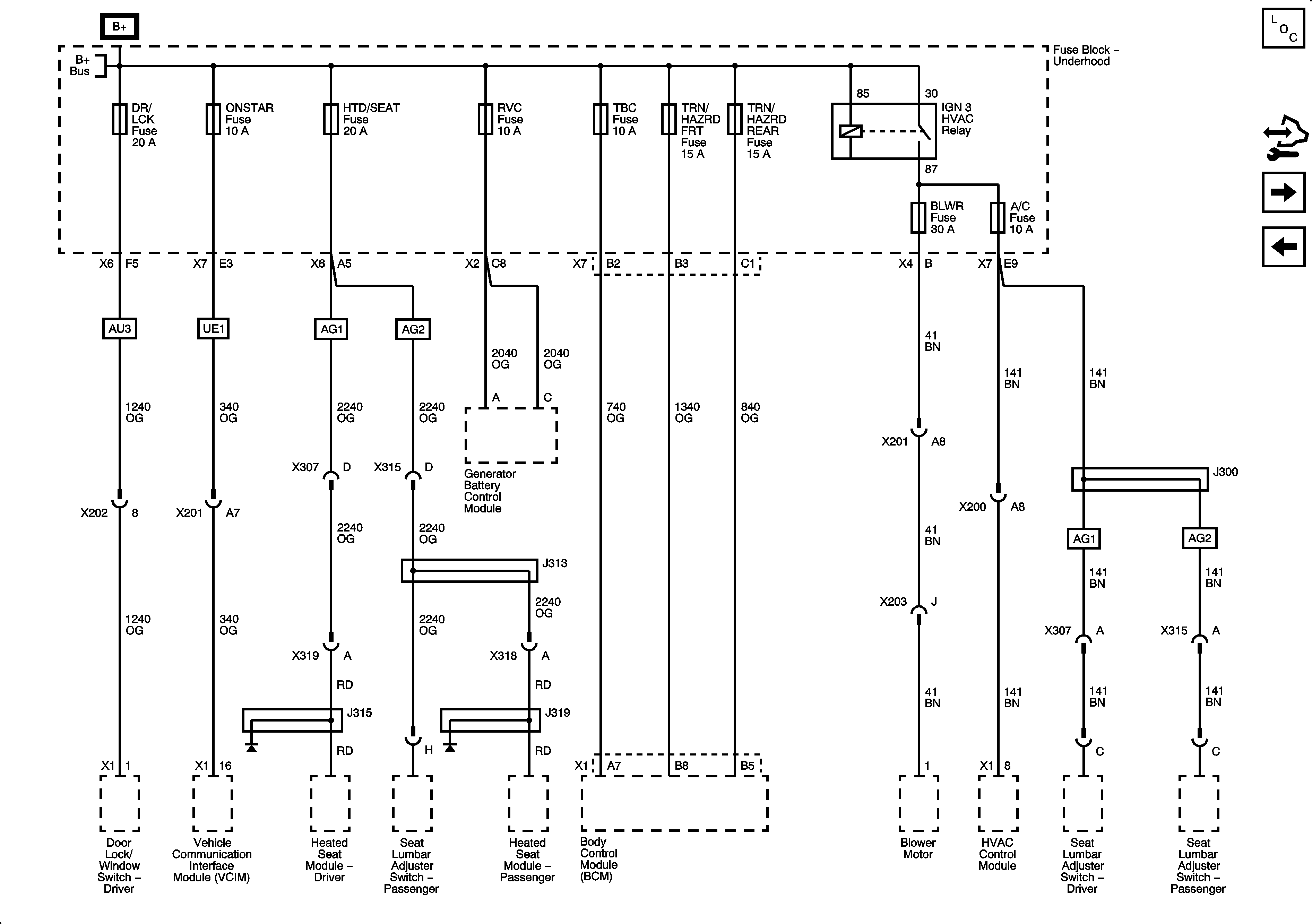
A/C, BLWR, DR/LCK, HTD/SEAT, ONSTAR, RVC, TBC, TRN/HAZRD FRT, and TRN HAZRD REAR Fuses
B+ Bus
Figure 3:

A/C, BLWR, DR/LCK, HTD/SEAT, ONSTAR, RVC, TBC, TRN/HAZRD FRT, and TRN/HAZRD REAR Fuses


Object Number: 1906828  Size: FS
Master Electrical Component List
Control Module References
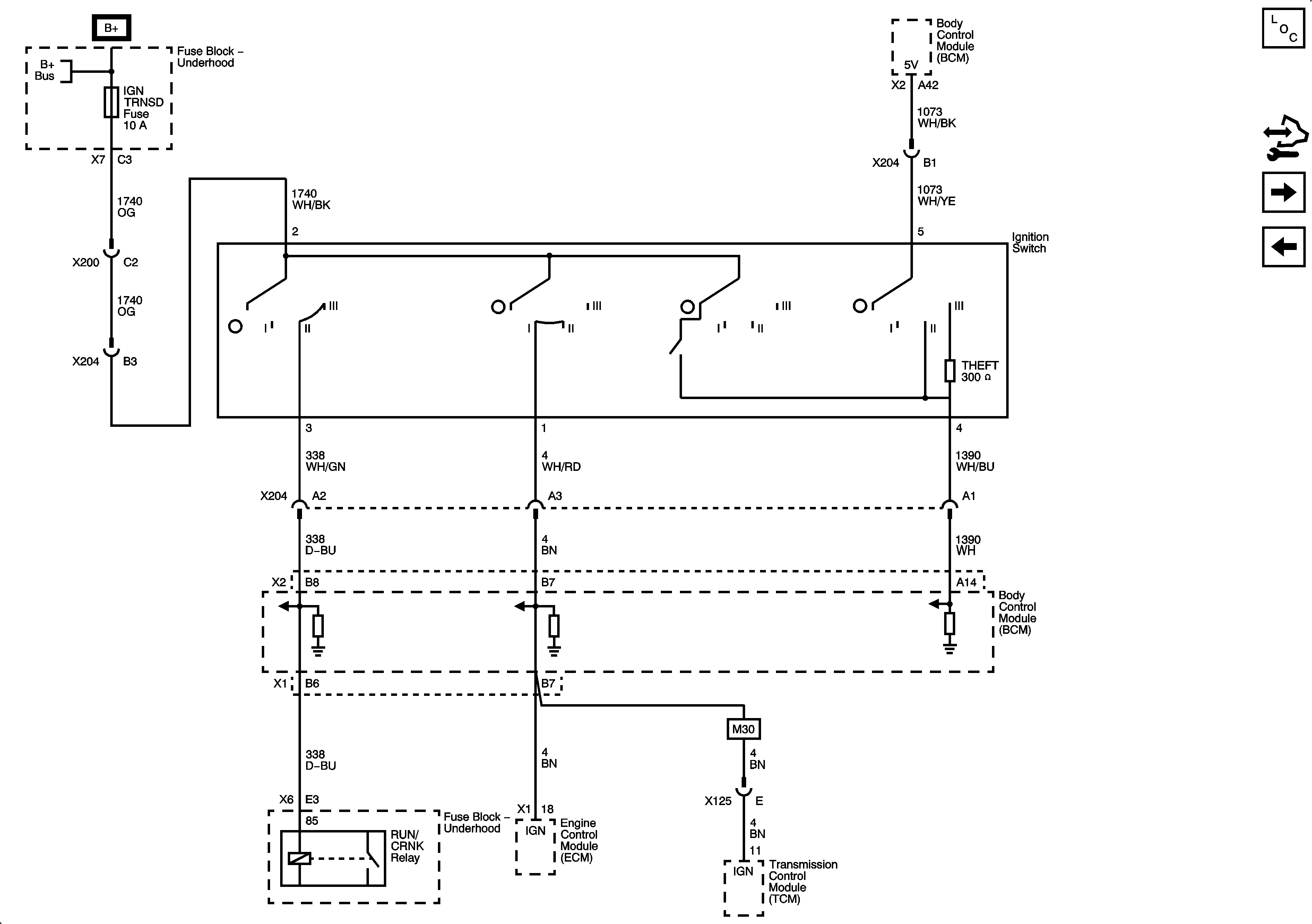
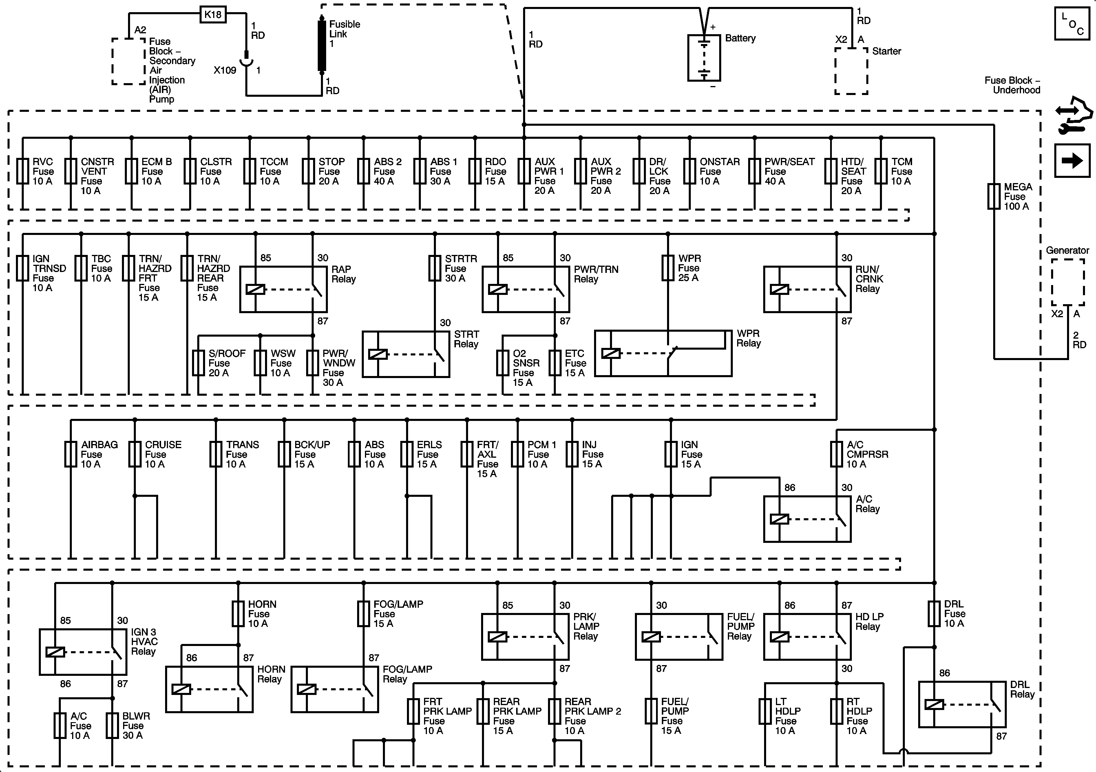
Ignition Switch and IGN TRNSD Fuse
ABS 1, ABS 2, AUX PWR 1, AUX PWR 2, CNSTR VENT, CIGAR, CLSTR, PCM B, RDO, STOP, and TCCM Fuses
Figure 4:

Ignition Switch and IGN TRNSD Fuse


Object Number: 1906832  Size: FS
Master Electrical Component List
Control Module References
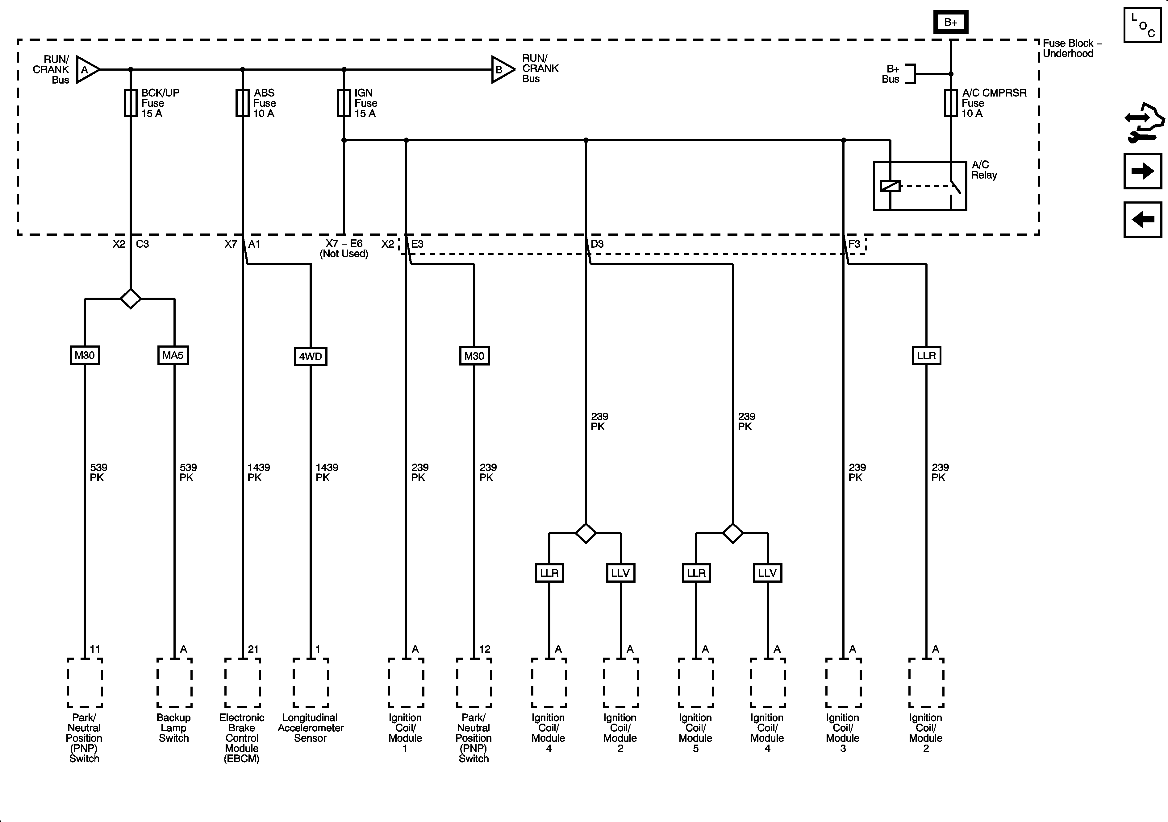
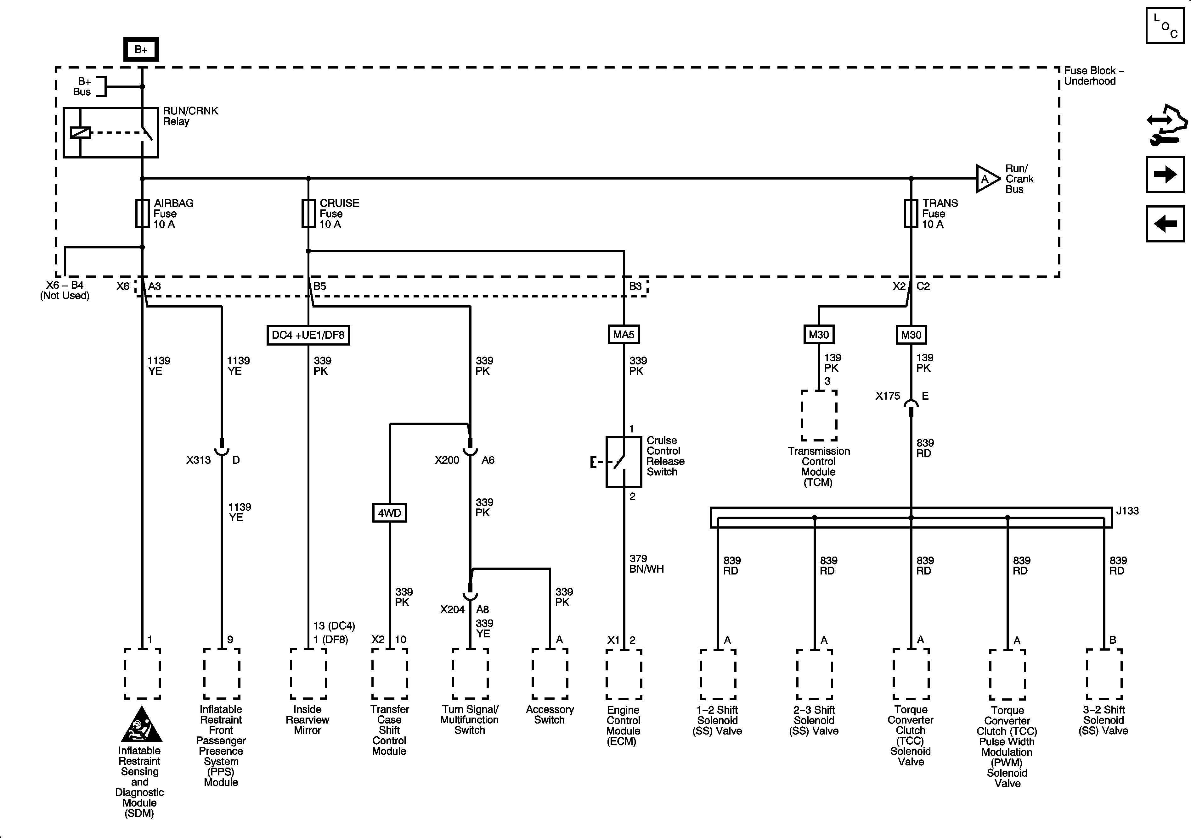
RUN/CRANK RELAY BUS - 1 of 3, AIRBAG, CRUISE, and TRANS Fuses
A/C, BLWR, DR/LCK, HTD/SEAT, ONSTAR, RVC, TBC, TRN/HAZRD FRT, and TRN HAZRD REAR Fuses
Figure 5:

RUN/CRANK RELAY BUS - 1 of 3, AIRBAG, CRUISE, and TRANS Fuses


Object Number: 1906835  Size: FS
Master Electrical Component List
Control Module References
RUN/CRANK RELAY BUS - 2 of 3, ABS, BCK/UP, and IGN Fuses
Ignition Switch and IGN TRNSD Fuse
Figure 6:

RUN/CRANK RELAY BUS - 2 of 3, ABS, BCK/UP, and IGN Fuses


Object Number: 1906838  Size: FS
Master Electrical Component List
Control Module References
RUN/CRANK RELAY BUS - 3 of 3, ERLS, FRT AXL, INJ, andk PCM Fuses
RUN/CRANK RELAY BUS - 1 of 3, AIRBAG, CRUISE, and TRANS Fuses
Figure 7:

RUN/CRANK RELAY BUS - 3 of 3, ERLS, FRT AXL, INJ, and PCM I Fuses


Object Number: 1906842  Size: FS
Master Electrical Component List
Control Module References
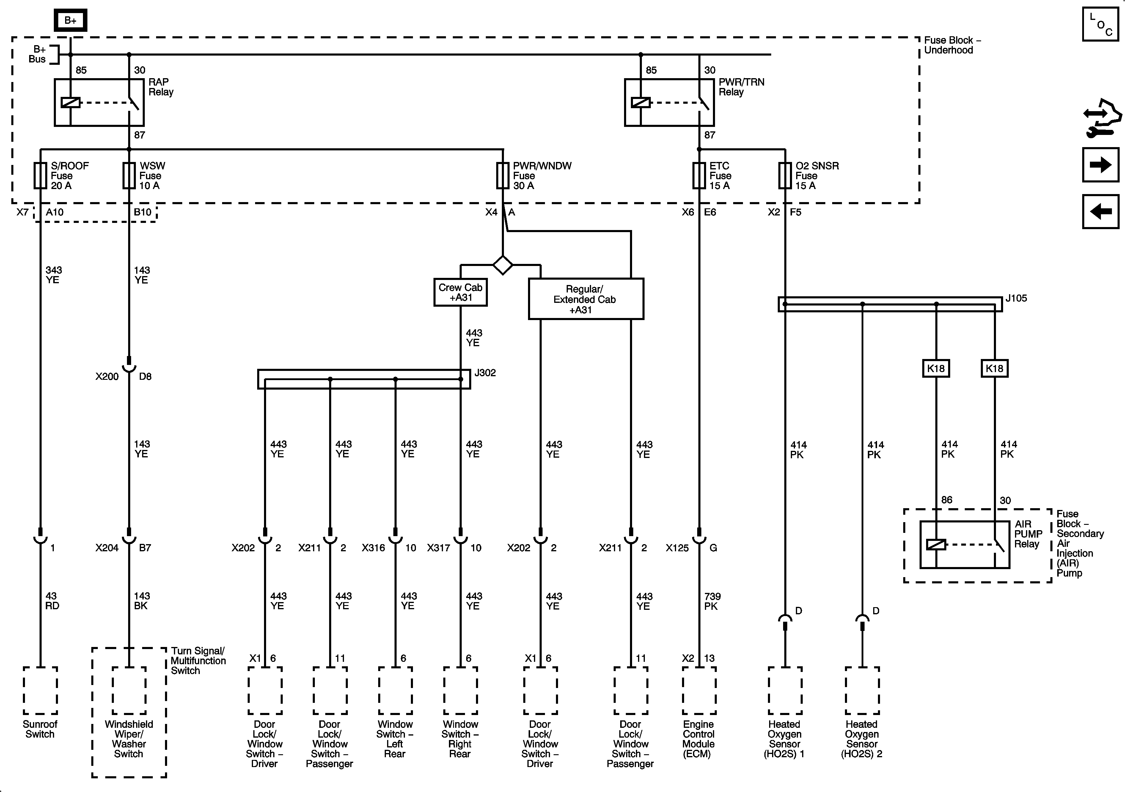
ETC, O2 SNSR, PWR/WNDW, S/ROOF, and WSW Fuses
RUN/CRANK RELAY BUS - 2 of 3, ABS, BCK/UP, and IGN Fuses
Figure 8:

ETC, O2 SNSR, PWR/WNDW, S/ROOF, and WSW Fuses


Object Number: 1906848  Size: FS
Master Electrical Component List
Control Module References
DRL, FUEL/PUMP, PWR/SEAT, LT HDLP, and RT HDLP Fuses
RUN/CRANK RELAY BUS - 3 of 3, ERLS, FRT AXL, INJ, andk PCM Fuses
Figure 9:

DRL, FUEL/PUMP, PWR/SEAT, LT HDLP, and RT HDLP Fuses


Object Number: 1906854  Size: FS
Master Electrical Component List
Control Module References
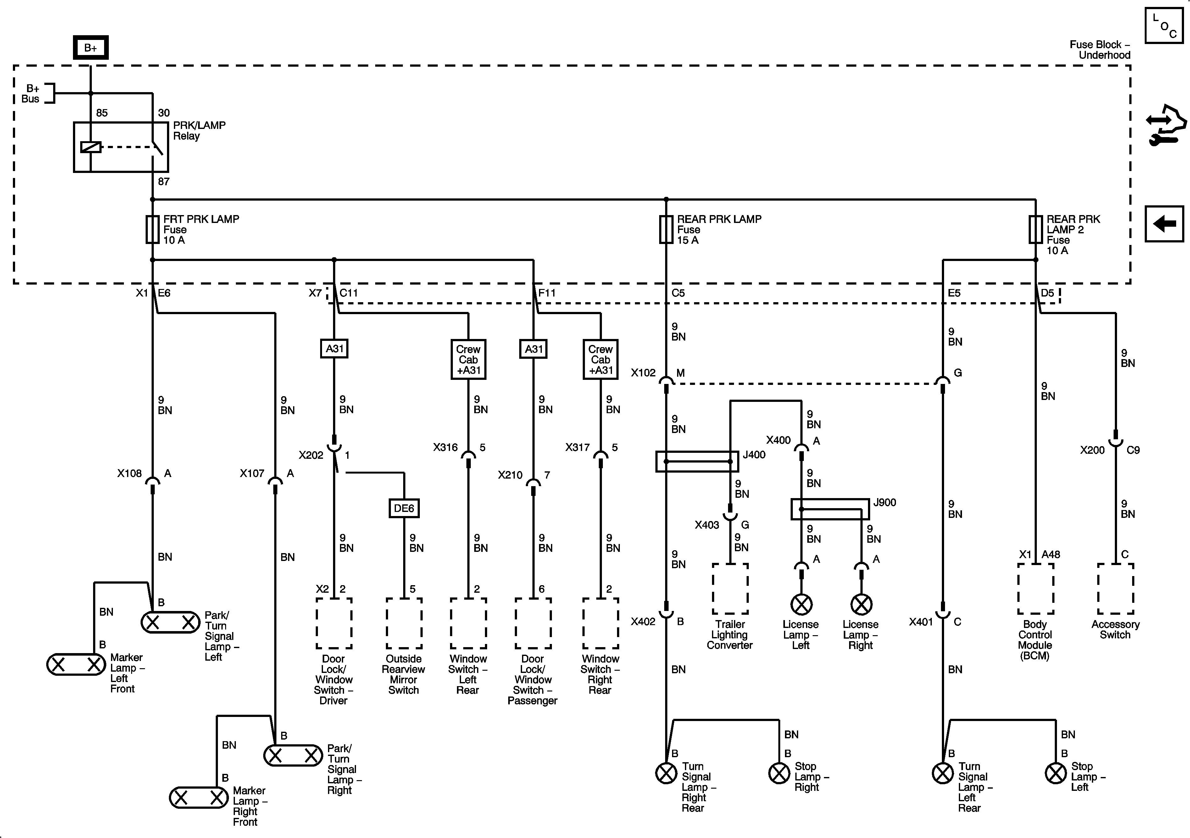
FRT PRK LAMP, REAR PRK LAMP, and REAR PRK LAMP 2 Fuses
ETC, O2 SNSR, PWR/WNDW, S/ROOF, and WSW Fuses
Figure 10:

FRT PRK LAMP, REAR PRK LAMP, and REAR PRK LAMP 2 Fuses


Object Number: 1906860  Size: FS
Master Electrical Component List
Control Module References
DRL, FUEL/PUMP, PWR/SEAT, LT HDLP, and RT HDLP Fuses