GM Service Manual Online
For 1990-2009 cars only
Makes
🢒
Chevrolet
🢒
2008
🢒
Colorado Pickup - 2WD
🢒
Diagnostic Navigation
🢒
Vehicle Diagnostic Information
🢒 Antilock Brake System Schematics
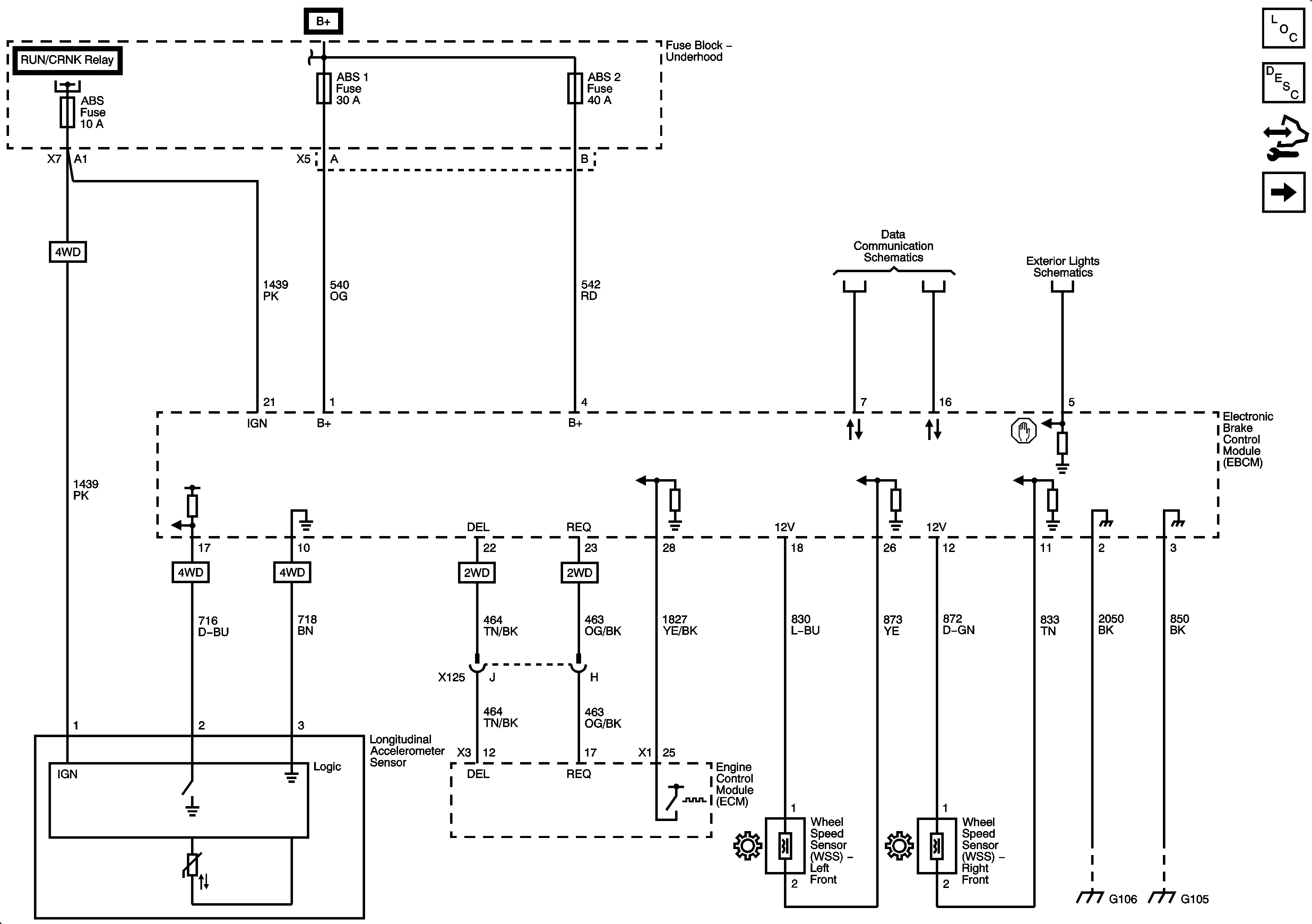
Figure
1:
Power, Ground, Serial Data, and Vehicle Inputs
Master Electrical Component List
ABS Description and Operation
Control Module References
Traction Control (NW7)
Figure
2:
Traction Control (NW7)
Master Electrical Component List
ABS Description and Operation
Control Module References
Power, Ground, Serial Data, and Vehicle Inputs