GM Service Manual Online
For 1990-2009 cars only
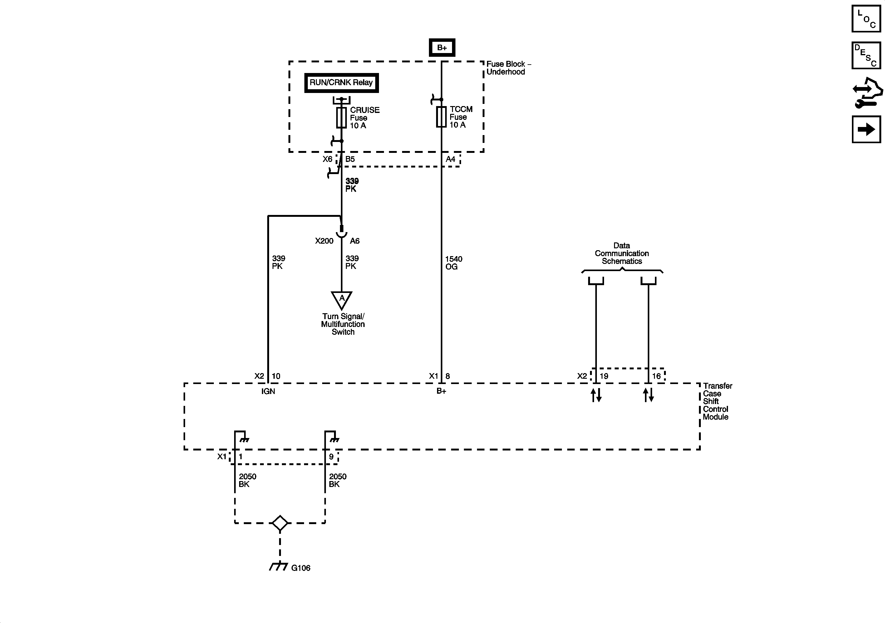
Figure 1:

Power, Ground, and Serial Data


Object Number: 1906944  Size: FS
Master Electrical Component List
Transfer Case Description and Operation
Control Module References
Transfer Case Encoder Motor
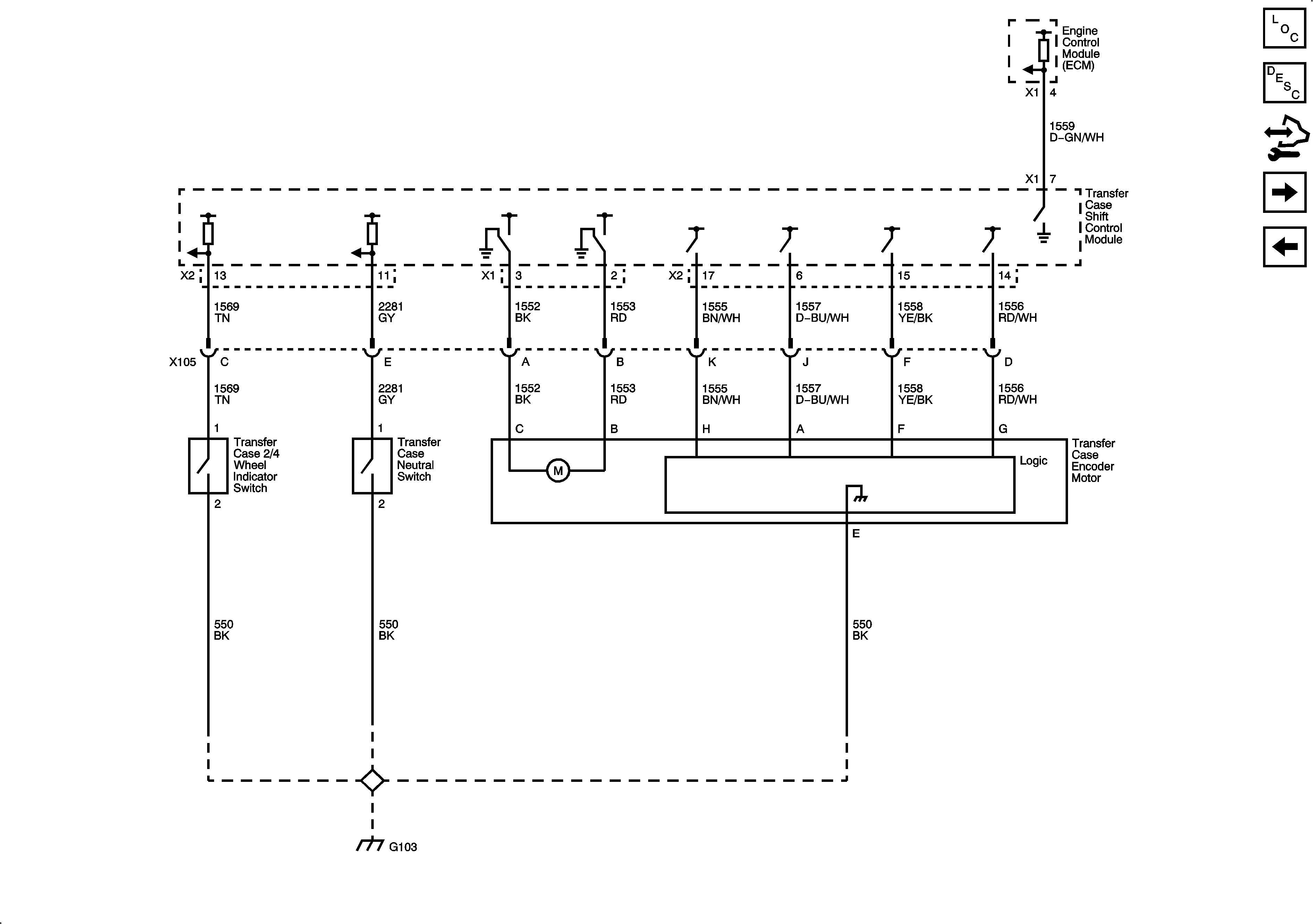
Figure 2:

Transfer Case Encoder Motor


Object Number: 1906946  Size: FS
Master Electrical Component List
Transfer Case Description and Operation
Control Module References
Front Axle Actuator
Power, Ground, and Serial Data
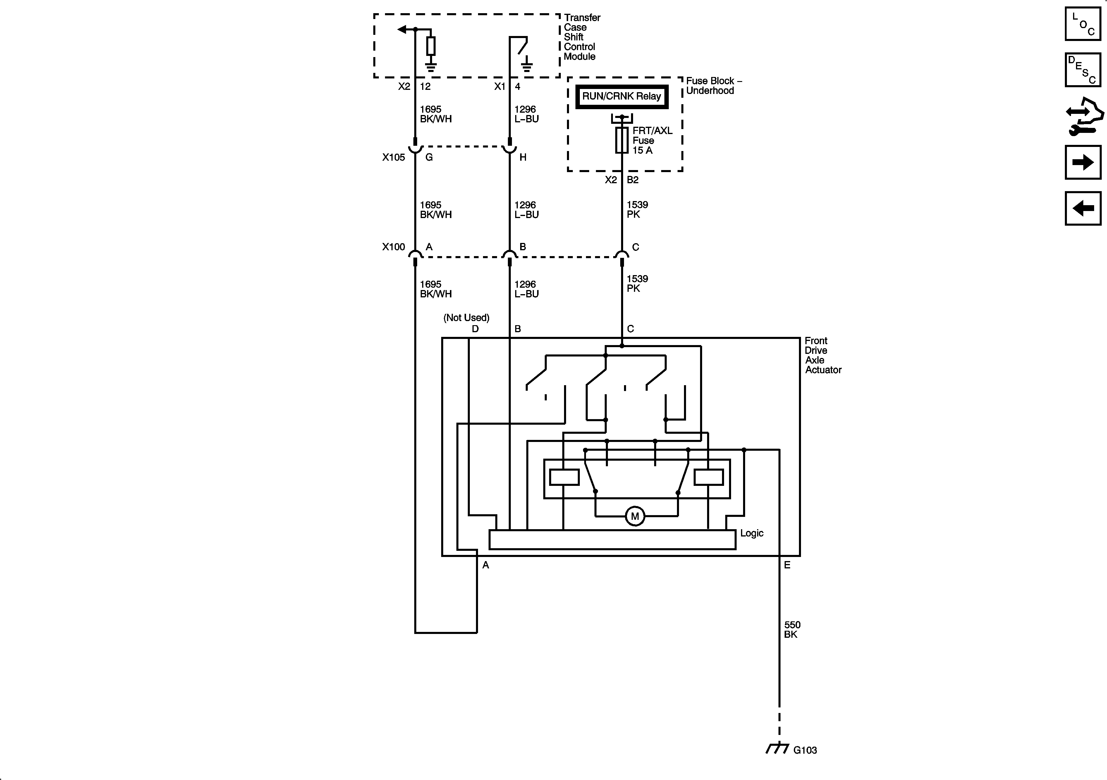
Figure 3:

Front Axle Actuator


Object Number: 1906950  Size: FS
Master Electrical Component List
Transfer Case Description and Operation
Control Module References
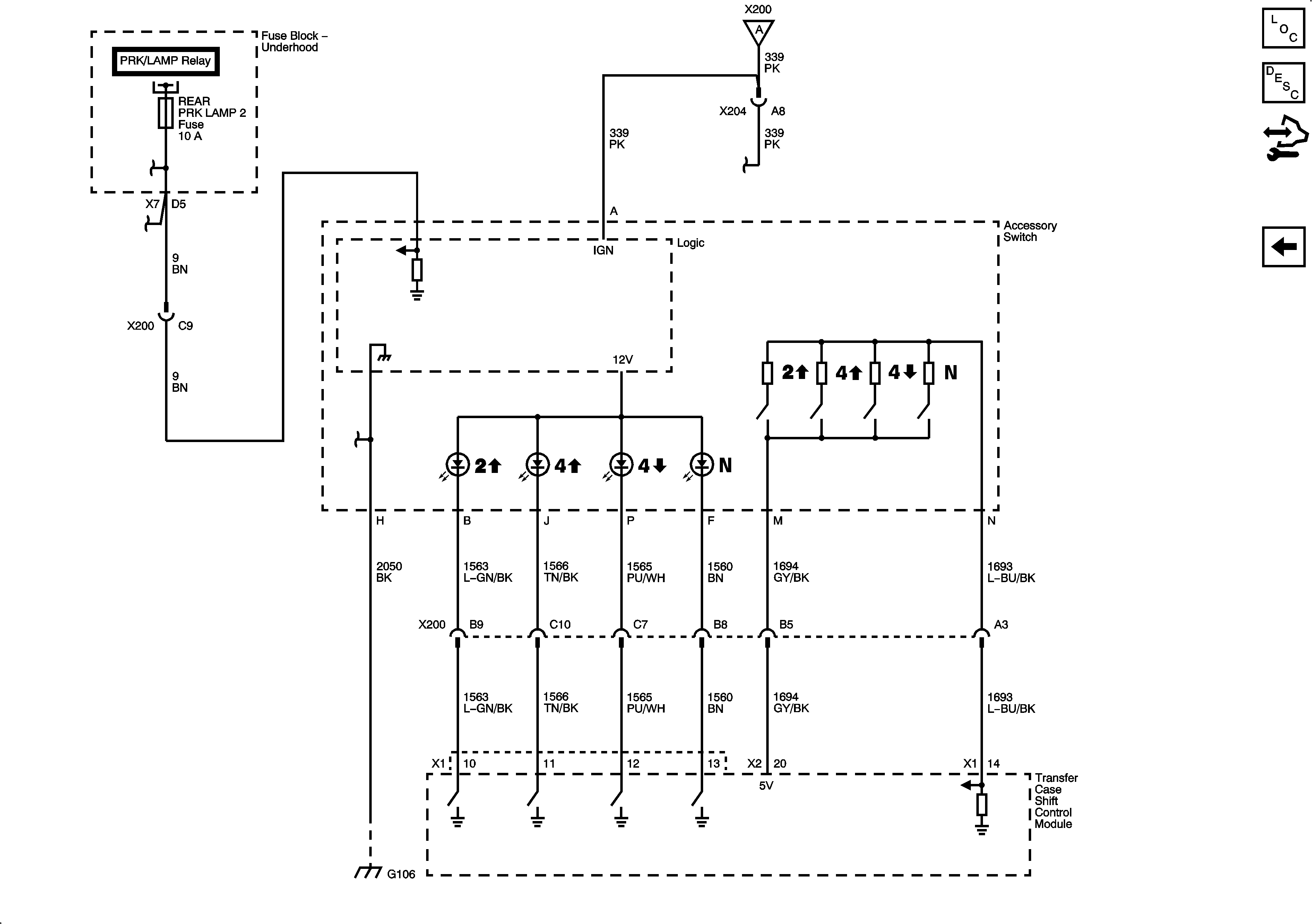
Shift Control Switch Inputs
Transfer Case Encoder Motor
Figure 4:

Shift Control Switch Inputs


Object Number: 1906952  Size: FS
Master Electrical Component List
Transfer Case Description and Operation
Control Module References
Front Axle Actuator