GM Service Manual Online
For 1990-2009 cars only
Makes
🢒
Chevrolet
🢒
2009
🢒
Colorado Pickup - 2WD
🢒
Engine
🢒
Cruise Control
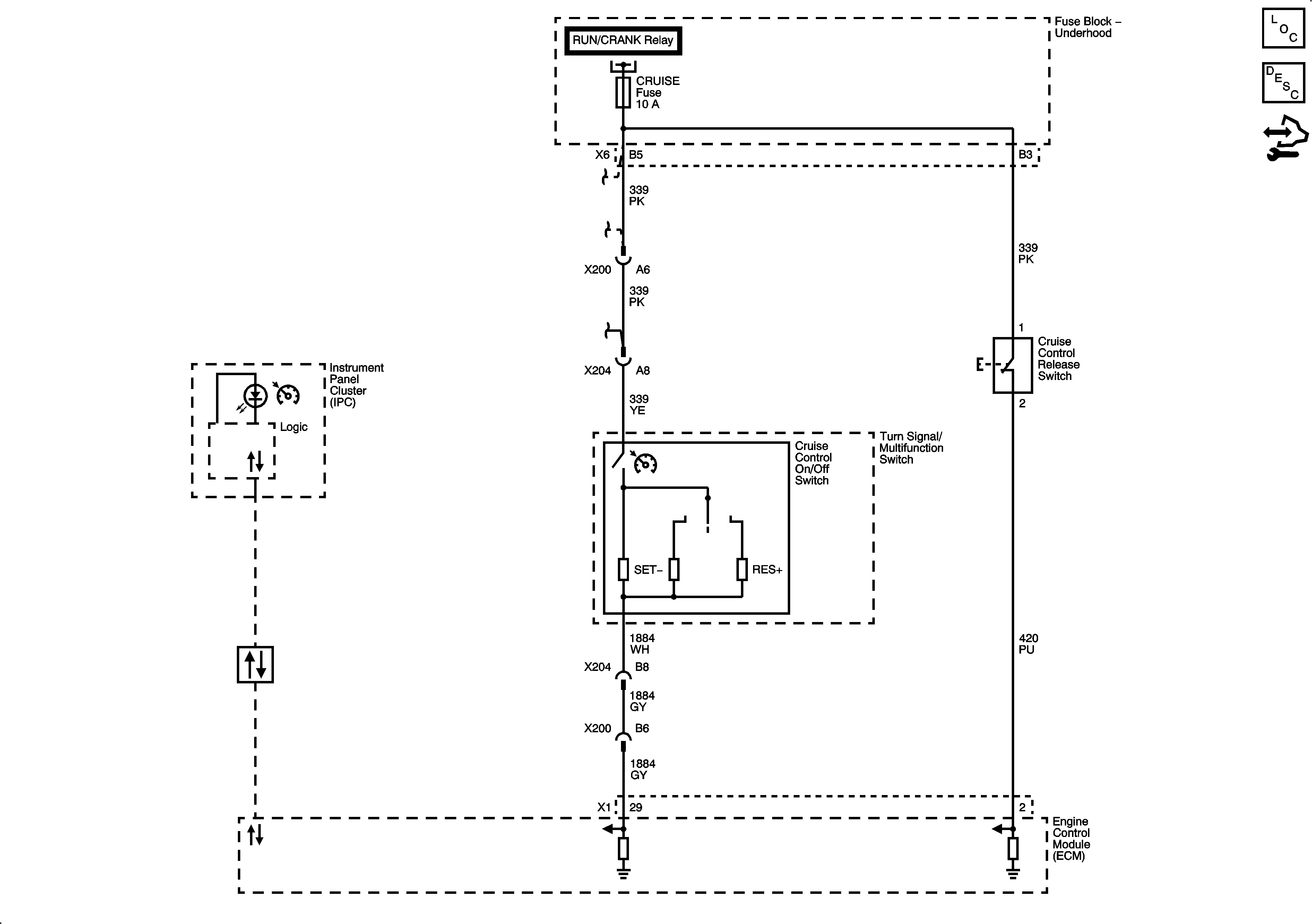
🢒 Cruise Control Schematics