GM Service Manual Online
For 1990-2009 cars only
Makes
🢒
Chevrolet
🢒
2004
🢒
Colorado Pickup - 4WD
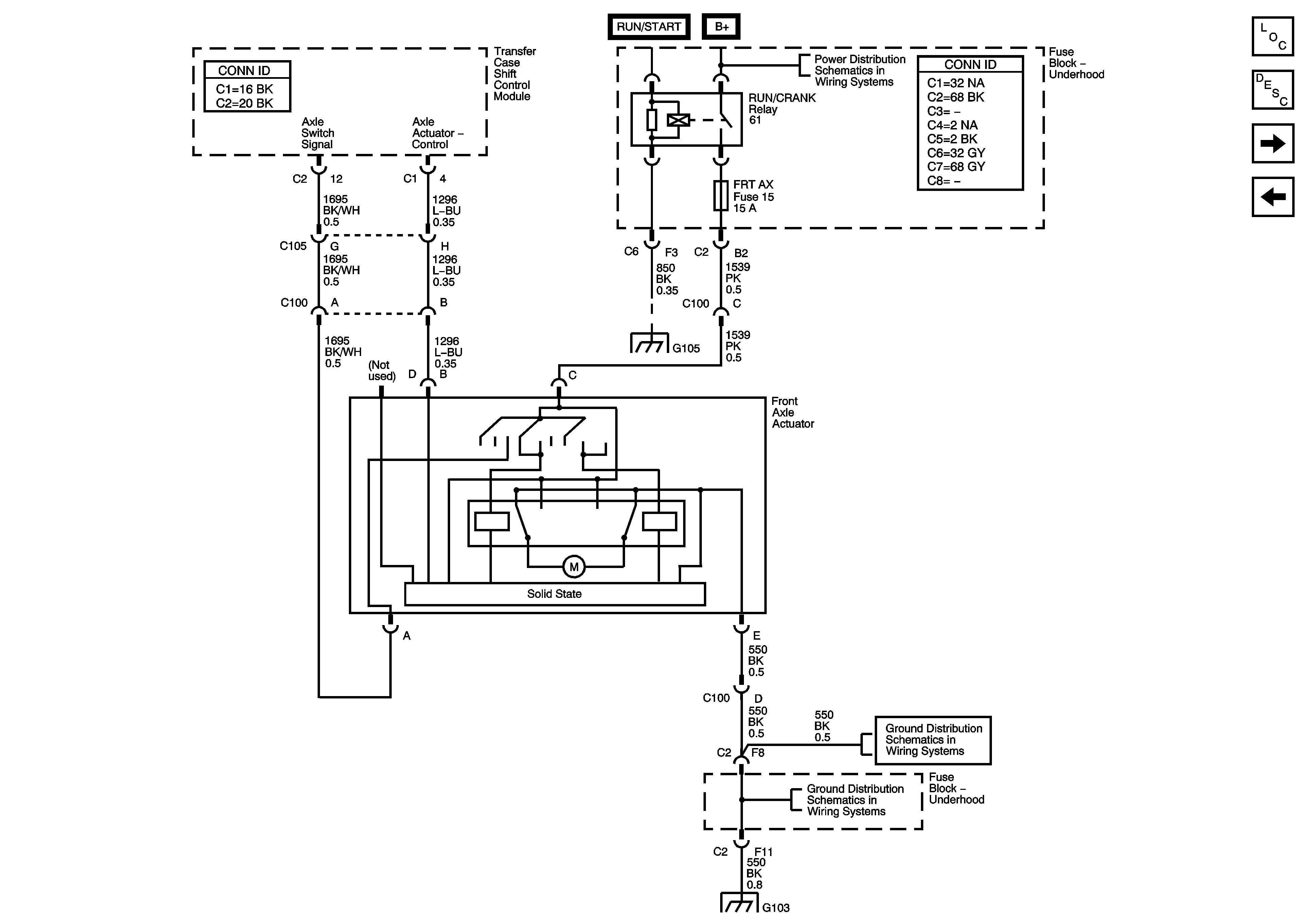
🢒 Front Axle Actuator
Front Axle Actuator
Front Axle Actuator
Master Electrical Component List
Transfer Case Description and Operation
Shift Control Switch Inputs
Transfer Case Encoder Motor
B+ Bus - Underhood Fuse Block
Splice Pack SP105 and G105 - 1 of 2
G100, G104, G102, G103, and G101
G100, G104, G102, G103, and G101
G100, G104, G102, G103, and G101