GM Service Manual Online
For 1990-2009 cars only
Figure 1:

G100, G104, G102, G103, and G101


Object Number: 1673910  Size: FS
Master Electrical Component List
Body Control Module (BCM) Programming/RPO Configuration
Splice Pack SP1`05 and G105 - 1 of 2
Figure 2:

Splice Pack SP105 and G105 1 of 2


Object Number: 1673914  Size: FS
Master Electrical Component List
Body Control Module (BCM) Programming/RPO Configuration
Splice Pack SP1`05 and G105 - 2 of 2
G100, G104, G102, G103, and G101
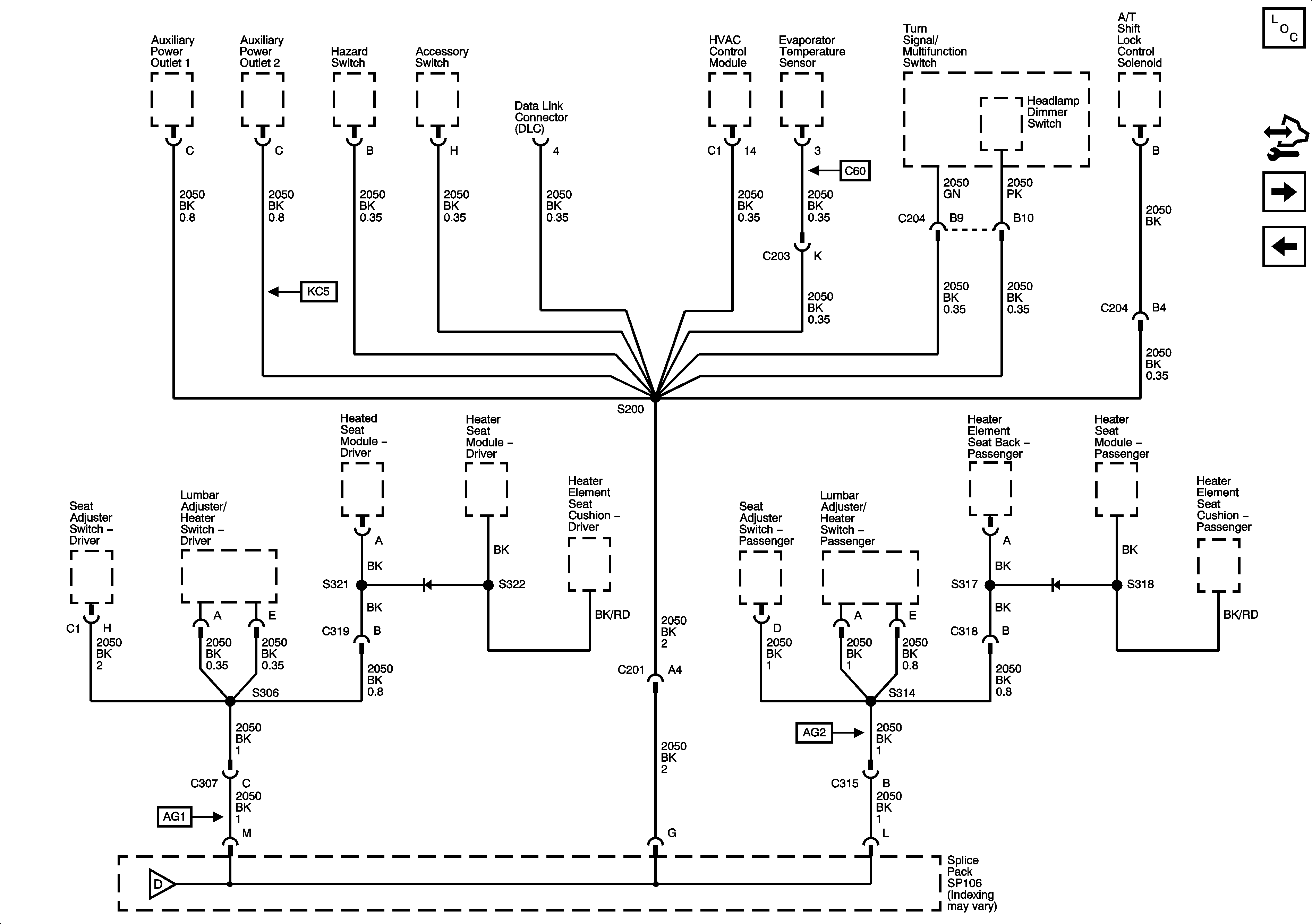
Splice Pack SP106 and G106 - 1 of 2
Splice Pack SP1`05 and G105 - 2 of 2
Figure 3:

Splice Pack SP105 and G105 2 of 2


Object Number: 1673917  Size: FS
Master Electrical Component List
Body Control Module (BCM) Programming/RPO Configuration
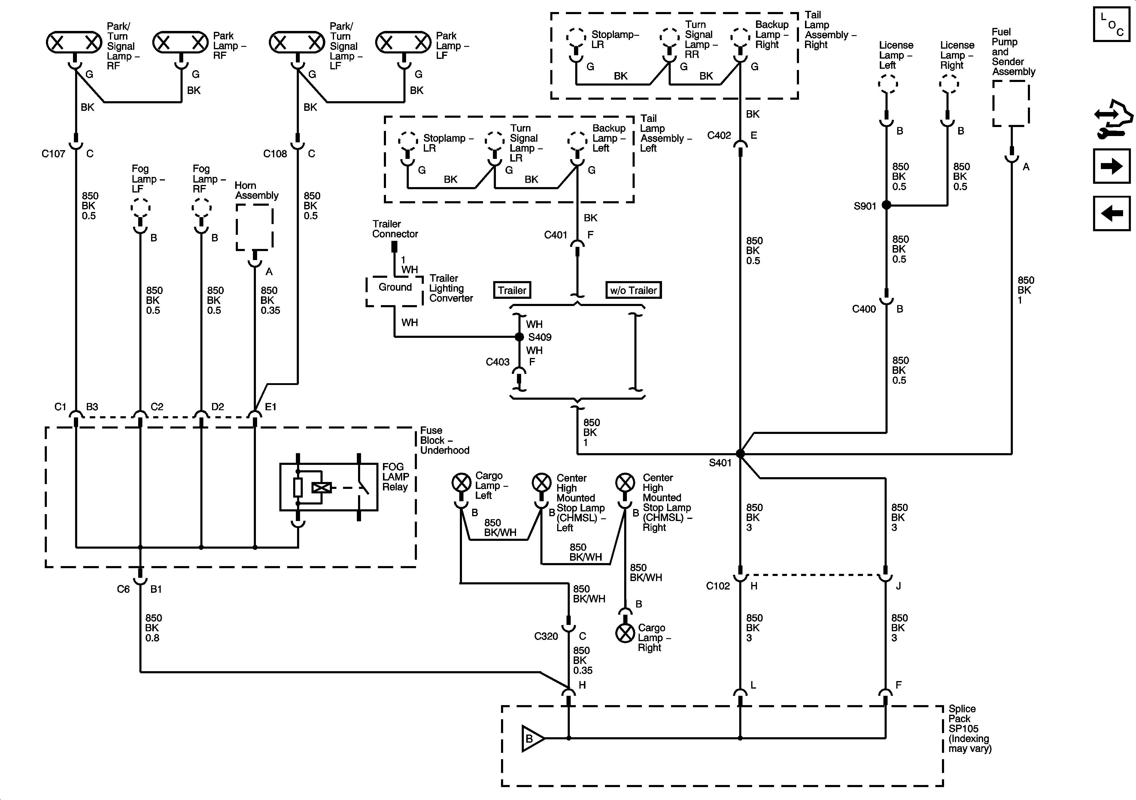
Splice Pack SP106 and G106 - 1 of 2
Splice Pack SP1`05 and G105 - 1 of 2
Splice Pack SP1`05 and G105 - 1 of 2
Figure 4:

Splice Pack SP106 and G106 1 of 2


Object Number: 1673919  Size: FS
Master Electrical Component List
Body Control Module (BCM) Programming/RPO Configuration
Splice Pack SP106 and G106 - 2 of 2
Splice Pack SP1`05 and G105 - 2 of 2
Splice Pack SP1`05 and G105 - 1 of 2
Splice Pack SP106 and G106 - 2 of 2
Figure 5:

Splice Pack SP106 and G106 2 of 2


Object Number: 1673921  Size: FS
Master Electrical Component List
Body Control Module (BCM) Programming/RPO Configuration
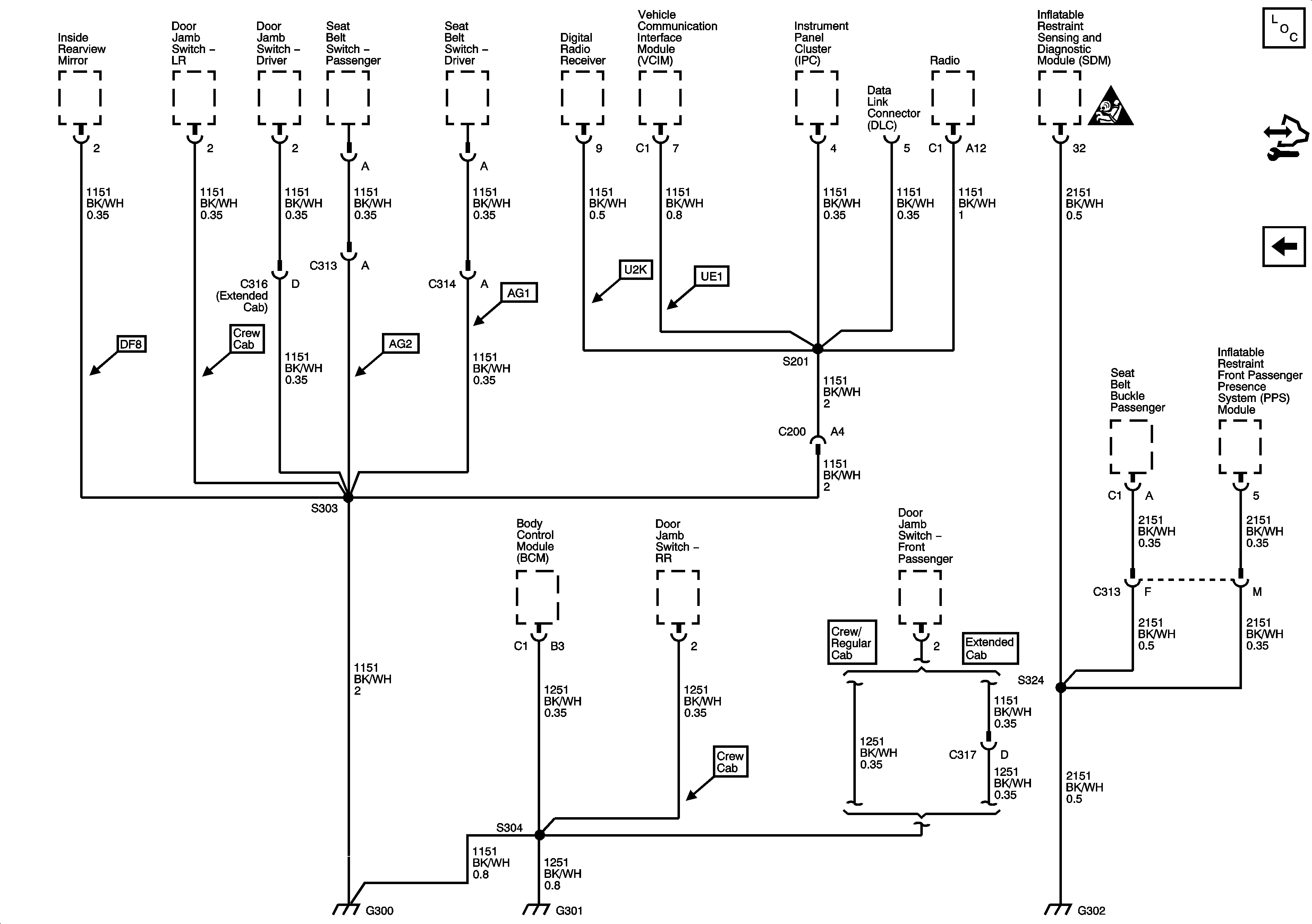
G300, G301, G302, and G303
Splice Pack SP106 and G106 - 1 of 2
Splice Pack SP106 and G106 - 1 of 2
Figure 6:

G300, G301, G302


Object Number: 1673923  Size: FS
Master Electrical Component List
Body Control Module (BCM) Programming/RPO Configuration
Splice Pack SP106 and G106 - 2 of 2
SIR Caution for Zoning