GM Service Manual Online
For 1990-2009 cars only
Makes
🢒
Chevrolet
🢒
1996
🢒
Corsica
🢒
Engine
🢒
Engine Controls - 2.2L
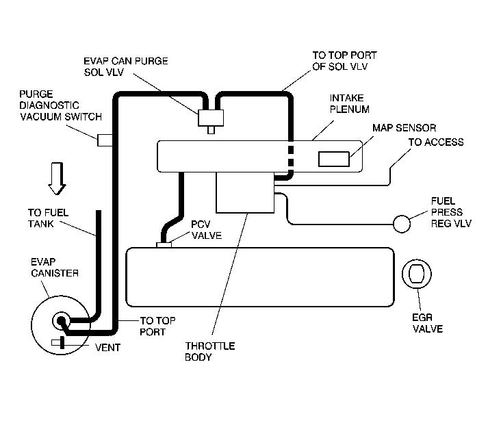
🢒 Emission Hose Routing Diagram