GM Service Manual Online
For 1990-2009 cars only
Makes
🢒
Chevrolet
🢒
1996
🢒
Corsica
🢒
Engine
🢒
Engine Electrical
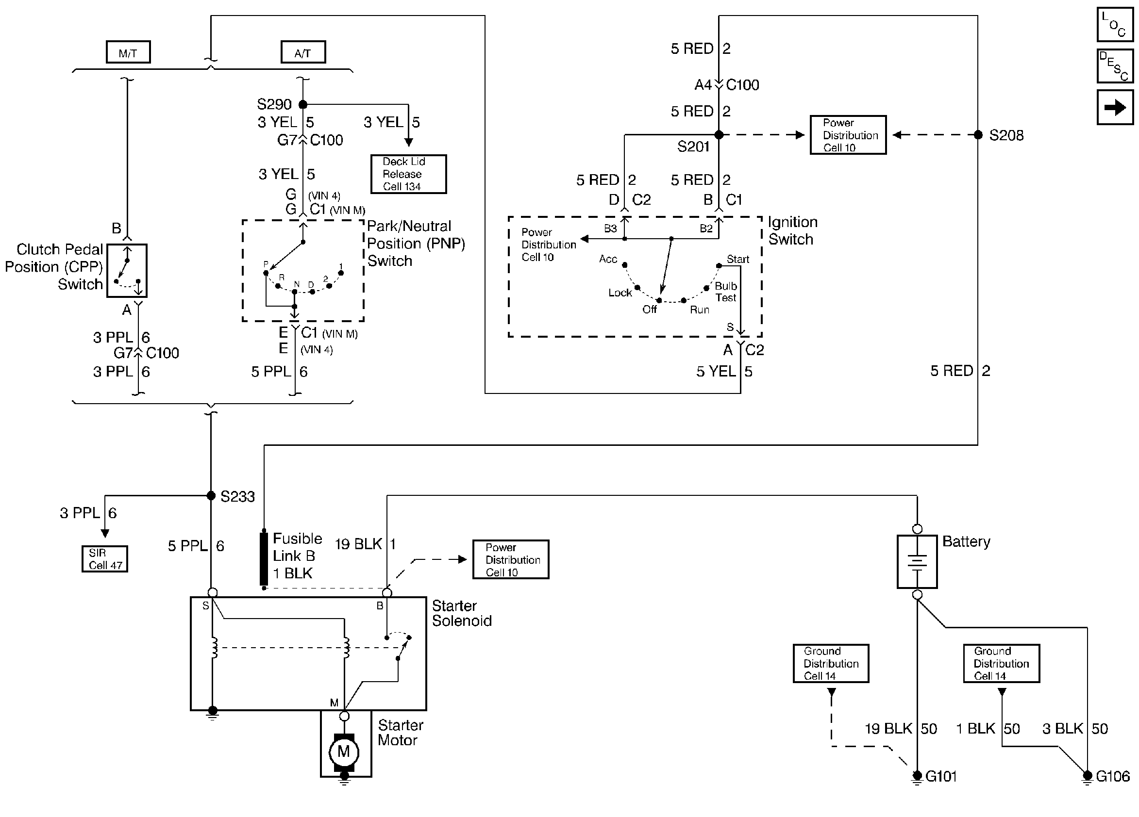
🢒 Starting and Charging Schematics
Figure
1:
Starting System
Starting and Charging Components
Starting and Charging Circuit
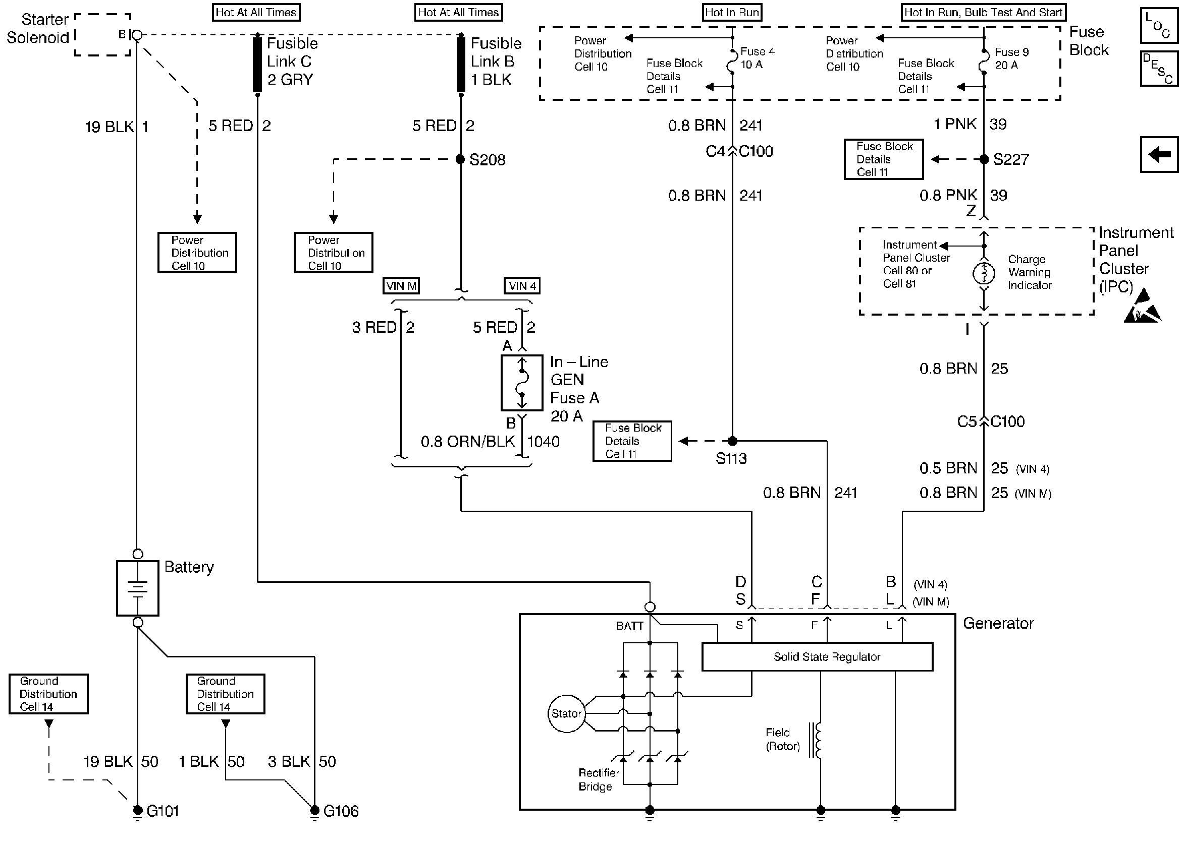
Charging System
Figure
2:
Charging System
Starting and Charging Components
Starting and Charging Circuit
Handling ESD Sensitive Parts Notice