GM Service Manual Online
For 1990-2009 cars only
Makes
🢒
Chevrolet
🢒
1996
🢒
Corsica
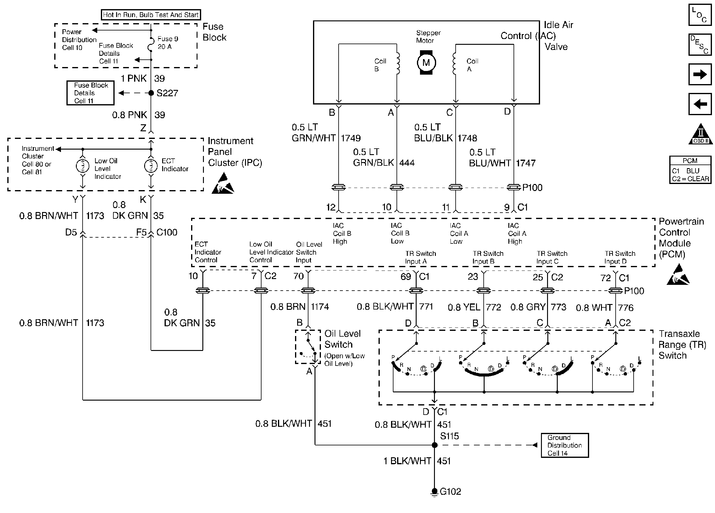
🢒 Idle Air Control Valve and Transaxle Range (TR) Switch
Idle Air Control Valve and Transaxle Range (TR) Switch
Idle Air Control Valve and Transaxle Range (TR) Switch
Cruise Control Module and Vehicle Speed Sensor Assembly
Heated Oxygen Sensors
OBD II Symbol Description Notice
Handling ESD Sensitive Parts Notice
Handling ESD Sensitive Parts Notice