GM Service Manual Online
For 1990-2009 cars only
Makes
🢒
Chevrolet
🢒
1996
🢒
Corsica
🢒 Cooling Fan Controls
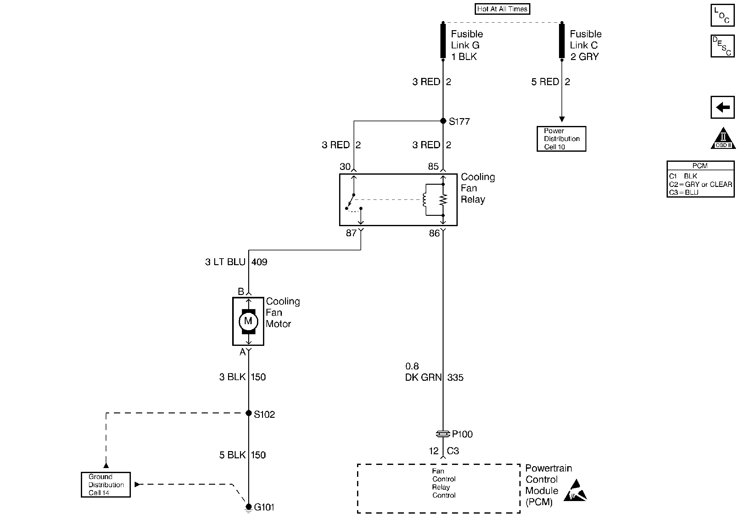
Cooling Fan Controls
Cooling Fan Controls
Engine Controls Components
Electric Cooling Fan
A/C Controls
OBD II Symbol Description Notice
Handling ESD Sensitive Parts Notice