GM Service Manual Online
For 1990-2009 cars only

NO HEAT-A/C CONTROL UNIT STICKING VACUUM SWITCH

Conditions of "no heat" may be the result of a sticking vacuum switch within the A/C control unit. This may be more prevalent with lower temperatures. The switch may stick intermittently resulting in the condition going away and then resurfacing.

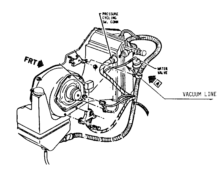
The vacuum switch in the A/C control unit controls a water shut off valve on the evaporator blower assembly. This valve should be closed with the temperature selector lever in the full cold position and open with the lever in any other position. Water will not flow through the heater core when the valve is closed (vacuum applied). Note that the valve actuating rod will be extended when the valve is open and retracted when closed (refer to sketch).

Vehicles built after April, 1983 have incorporated a revised A/C control unit.

On vehicles, built prior to April, 1983, the following procedure is recommended to resolve this "no heat" condition:

1. Observe the operation of the valve on the blower assembly while the temperature selector lever is moved from "cold" to "hot" position. The engine must be running to supply vacuum and should be at operating temperature.

2. If the valve opens (rod extended) when the temperature selector lever is moved to the "hot" position and heat output does not occur, the condition is not directly related to this particular control unit problem and should be further diagnosed, as described in Chevrolet Service Manual, Section 1.

3. If the valve does not open (rod retracted) remove the vacuum line from the valve. If this causes the valve to open and results in heat output, refer to Step 4.

4. Leave the vacuum line off the valve and seal off the end of the line to prevent a vacuum leak. (This can be done by fabricating a rubber plug or equivalent.) Secure the loose line to the harness with a band strap.

5. The vehicle can be operated with this line disconnected from the valve with no adverse effect to the A/C system.


Object Number: 88536  Size: MF


Object Number: 77445  Size: FS

General Motors bulletins are intended for use by professional technicians, not a "do-it-yourselfer". They are written to inform those technicians of conditions that may occur on some vehicles, or to provide information that could assist in the proper service of a vehicle. Properly trained technicians have the equipment, tools, safety instructions and know-how to do a job properly and safely. If a condition is described, do not assume that the bulletin applies to your vehicle, or that your vehicle will have that condition. See a General Motors dealer servicing your brand of General Motors vehicle for information on whether your vehicle may benefit from the information.