GM Service Manual Online
For 1990-2009 cars only

SQUEAK AND RATTLE DIAGNOSTIC GUIDE (INFORMATION)

SUBJECT: SQUEAK AND RATTLE DIAGNOSTIC GUIDE

MODELS: 1993 CHEVROLET CORVETTE

THE FOLLOWING INFORMATION IS BEING DISTRIBUTED AS AN AID IN SQUEAK AND RATTLE DIAGNOSIS. FOR FURTHER REFERENCE REFER TO CORPORATE BULLETIN 131014 (CHEVROLET # 91-264-10 AND GM OF CANADA # 91-2-184) AND 1992 AND 1993 SERVICE MANUALS, SECTION 10-1A "NOISE REDUCTION". THE INSULATOR MATERIAL REFERENCES DESCRIBE EITHER 3M #06370 (U.S.), #06373 (CANADA) (6 MM, 1/4" THICK) OR #06375 (3 MM, 1/8" THICK) FOAM TAPES; DOMINION/AMERICAN SURE SEAL #RAB1 (6 MM, 1/4" THICK) FOAM TAPE (OR EQUIVALENT). THE LOOP AND FELT INSULATOR MATERIAL HAS ADHESIVE BACKING AND MAY BE OBTAINED FROM MOST LOCAL FABRIC STORES.

INTERIOR COMPONENT CORRECTION

- STEERING WHEEL 1. BUZZ FROM AIR BAG RETAINER 1. PLACE FOAM OVER THE CONNECTORS CLIP VIBRATING AGAINST METAL ON THE BACK OF THE INFLATABLE SHIELD. MODULE ASSEMBLY. SEE FIGURE 1.

REAR COMPARTMENT

- CONVERTIBLE STOWAGE COMPARTMENT LID LATCH 1. SQUEAK/RATTLE AT LATCH. 1. CHECK TO SEE IF STRIKER ON STOWAGE COMPARTMENT LID IS LOOSE. LIGHTLY LUBRICATE STRIKER. WITH THE STOWAGE LID BUMPERS ALL THE WAY IN, ADJUST THE LATCH TO PULL THE LID SLIGHTLY BELOW THE QUARTER PANEL SURFACE (1 MM, 1/16"). THEN TURN THE BUMPERS OUT TO BRING THE LID FLUSH WITH THE QUARTER PANEL. SEE FIGURE 2.

- HATCH 1. TAP BETWEEN REAR LIFT 1. ADD 15 MM (5/8") DIAMETER WINDOW AND RUBBER BUMPERS. PIECE OF LOOP, FROM HOOK AND LOOP MATERIAL, TO THE REAR LIFT WINDOW ABOVE EACH LOCATION OF THE RUBBER BUMPERS. ADJUST LATCH TO PULL REAR LIFT WINDOW SO THAT THE LOOP SEATS AGAINST THE RUBBER BUMPERS. SEE FIGURE 3.

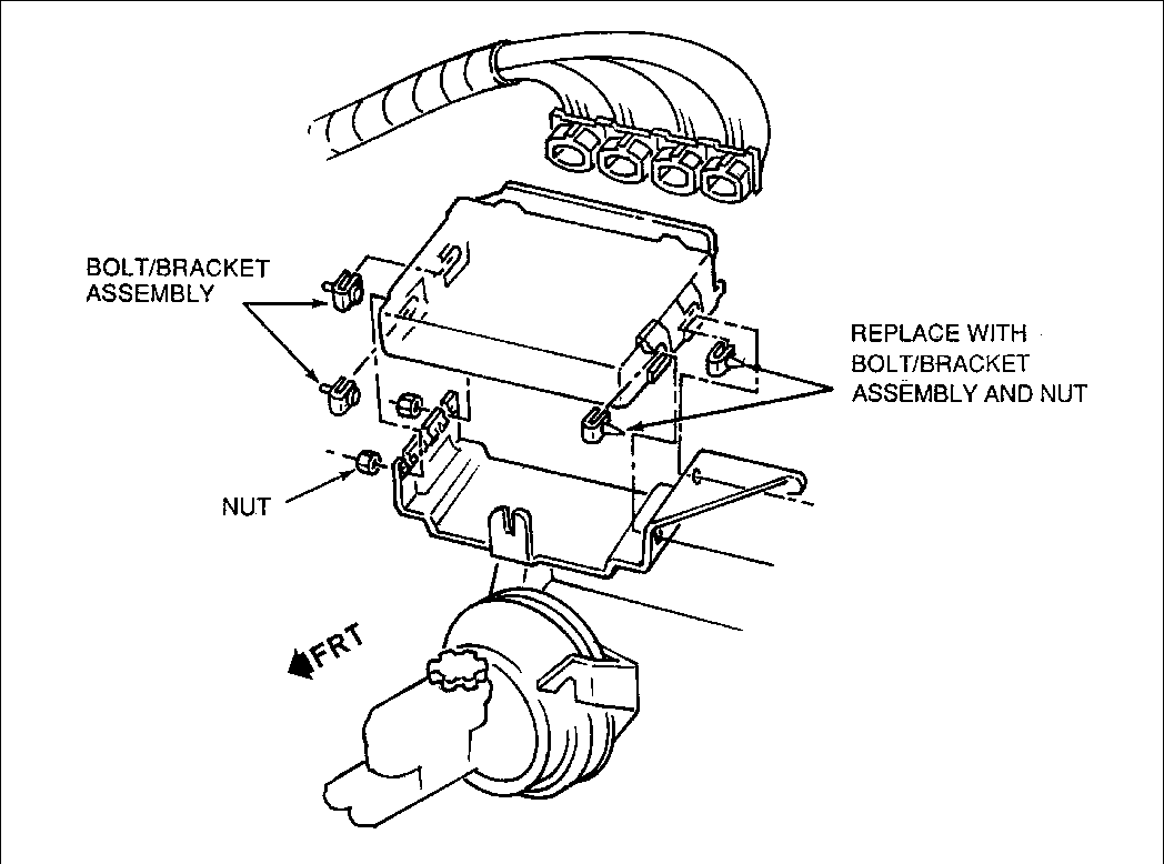
UNDERHOOD - ENGINE CONTROL MODULE 1. RATTLE FROM LOOSE MODULE. 1. REPLACE OUTBOARD UNTHREADED STUDS WITH BOLT BRACKET ASSEMBLY P/N 12337892 AND SECURE WITH NUT P/N 11516066. SEE FIGURE 4.

UNDERBODY - FUEL LINE 1. RATTLE BETWEEN FUEL LINE 1. IF NECESSARY, CORRECTLY POSI- AND REAR OF UNDERBODY. TION INSULATOR. ADD ADDITIONAL INSULATOR P/N 10157933 AND STRAP P/N 3816659. SEE FIGURE 5.

- REAR WHEEL SPINDLE CONTROL ROD 1. POP FROM CONTROL ROD. 1. CHECK FOR LOOSE BOLT AND RE- TORQUE TO 85 N.M (63 LB.FT.). SEE FIGURE 6.

INSTRUMENT PANEL - CLUSTER 1. SQUEAK BETWEEN CLUSTER AND 1. FOLLOW SERVICE MANUAL INSTRUMENT PANEL. PROCEDURE TO REMOVE BEZEL AND THEN REMOVE CLUSTER. ADD FELT TO EDGE OF CLUSTER AS SHOWN IN FIGURE 7.

NOTE: RATTLE COULD BE UNDERHOOD. REFER TO 1993 SERVICE MANUAL SECTION 10-1A-5 AND IF NECESSARY ADD REAR HOOD SEALS P/N'S 10220267, 10220268 AND 10220269.

2. BUZZ BETWEEN CLUSTER BEZEL 2. LOOSEN FASTENERS AND RE- AND CLUSTER. POSITION CLUSTER BEZEL TOWARD THE LEFT AND RE-TIGHTEN FASTENERS. SEE FIGURE 8.

- INSTRUMENT PAD 1. BUZZ WHERE INSTRUMENT PANEL 1. ADD 6 MM THICK FOAM TAPE PAD RUBS WINDSHIELD OUTER (100 X 20 MM; 4 X 3/4") LOWER FRAME ASSEMBLY. TO WINDSHIELD OUTER LOWER FRAME ASSEMBLY AS SHOWN IN FIGURE 9.

- PASSENGER KNEE BOLSTER INNER 1. BUZZ IN INSTRUMENT PANEL. 1. CHECK FOR LOOSE RIVETS AND REPLACE. SEE FIGURE 10.

- PASSIVE KEYLESS ENTRY MODULE 1. RATTLE BETWEEN MODULE AND 1. ADD FOAM TAPE TO MODULE AND RETAINING BRACKETS. BRACKET. 30 MM (1-3/16"); 60 MM (2-3/8"); 65 MM (2-5/8") 70 MM (2-3/4"). SEE FIGURE 11.

2. RATTLE BETWEEN MODULE AND 2. ADD FOAM TAPE TO AIR DUCT. AIR DUCT. 20 MM (3/4"). SEE FIGURE 11, VIEW B.

DOOR - DOOR GLASS 1. SQUEAK FROM GLASS RUBBING 1. LIGHTLY APPLY SILICONE GREASE WEATHERSTRIP AT UPPER "A" OR SPRAY TO WEATHERSTRIP. PILLAR. WIPE WITH A CLEAN CLOTH. DO NOT USE PETROLEUM BASED PRODUCTS.

2. RATTLE FROM FRONT/REAR 2. CHECK FOR STABILIZERS SET TOO GLASS STABILIZERS BANGING FAR INBOARD. ADJUST TO PLACE AGAINST GLASS. PRESSURE ON THE GLASS IN THE DOWN POSITION. SEE FIGURE 12.

3. RATTLE WITH WINDOW IN DOWN 3. CHECK FOR MISPOSITIONED OR POSITION. GLASS HITS OUTER MISSING INSULATOR ON REINFORCEMENT BAR. REINFORCEMENT BAR. SEE FIGURE 12.

- DOOR MOUNTING ACCESSORY PLATE 1. RATTLE FROM INSIDE DOOR LOCK 1. REMOVE LOCK ROD GUIDE. PLACE ROD CONTACTING ACCESSORY A PIECE OF CLOSED CELL FOAM MOUNTING PLATE. REARWARD OF THIS LOCATION ON THE MOUNTING PLATE WHERE THE ROD MAY CONTACT THE PLATE. REPLACE THE LOCK ROD GUIDE WITH A TIE STRAP. SEE FIGURE 13. FIGURES: 13


Object Number: 85597  Size: MF


Object Number: 85596  Size: MF


Object Number: 85595  Size: LF


Object Number: 85594  Size: LF


Object Number: 85593  Size: LF


Object Number: 85592  Size: MF


Object Number: 85591  Size: LF


Object Number: 85590  Size: LF


Object Number: 85589  Size: LF


Object Number: 85588  Size: LF


Object Number: 81219  Size: FS


Object Number: 83709  Size: FS


Object Number: 85587  Size: LF

GENERAL MOTORS BULLETINS ARE INTENDED FOR USE BY PROFESSIONAL TECHNICIANS, NOT A "DO-IT-YOURSELFER". THEY ARE WRITTEN TO INFORM THOSE TECHNICIANS OF CONDITIONS THAT MAY OCCUR ON SOME VEHICLES, OR TO PROVIDE INFORMATION THAT COULD ASSIST IN THE PROPER SERVICE OF A VEHICLE. PROPERLY TRAINED TECHNICIANS HAVE THE EQUIPMENT, TOOLS, SAFETY INSTRUCTIONS AND KNOW-HOW TO DO A JOB PROPERLY AND SAFELY. IF A CONDITION IS DESCRIBED, DO NOT ASSUME THAT THE BULLETIN APPLIES TO YOUR VEHICLE, OR THAT YOUR VEHICLE WILL HAVE THAT CONDITION. SEE A GENERAL MOTORS DEALER SERVICING YOUR BRAND OF GENERAL MOTORS VEHICLE FOR INFORMATION ON WHETHER YOUR VEHICLE MAY BENEFIT FROM THE INFORMATION.

COPYRIGHT 1993 GENERAL MOTORS CORPORATION. ALL RIGHTS RESERVED.