GM Service Manual Online
For 1990-2009 cars only

Removal Procedure


    Object Number: 12578  Size: SH
  1. Disconnect the negative battery cable.
  2. Relieve the fuel system pressure. Refer to the Fuel Pressure Relief Procedure.
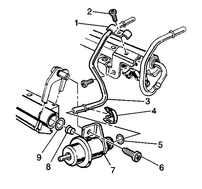
  3. Remove the inlet/outlet fuel tube retainer and the attaching screw.

  4. Object Number: 12580  Size: SH
  5. Remove the fuel outlet tube retainer clip (4).
  6. Remove the fuel outlet tube (3) from the pressure regulator.
  7. Remove the O-ring (5) from the fuel outlet tube (3). Discard the O-ring.

Installation Procedure


    Object Number: 12580  Size: SH
  1. Lubricate the new O-ring (5) with clean engine oil.
  2. Install the O-ring (5) on the fuel outlet tube (3).
  3. Push the fuel outlet tube (3) into the pressure regulator (7).
  4. Install the fuel outlet tube retainer clip (4).

  5. Object Number: 12578  Size: SH
  6. Install the inlet/outlet fuel tube retainer and the attaching screw.
  7. Tighten
    Tighten the inlet/outlet fuel tube retainer attaching screw to 5 N·m (44 lb in).

  8. Tighten the fuel filler cap.
  9. Connect the negative battery cable.
  10. Inspect for leaks.
  11. 8.1. Turn the ignition switch ON for 2 seconds.
    8.2. Turn the ignition switch OFF for 10 seconds.
    8.3. Turn the ignition switch ON.
    8.4. Check for fuel leaks.