Removal Procedure
- Disconnect the negative battery cable. Refer to
Caution: Unless directed otherwise, the ignition and start switch must be in the OFF or LOCK position, and all electrical loads must be OFF before servicing
any electrical component. Disconnect the negative battery cable to prevent an electrical spark should a tool or equipment come in contact with an exposed electrical terminal. Failure to follow these precautions may result in personal injury and/or damage to
the vehicle or its components.
in General Information.
- Remove the air intake duct. Refer to Section 6E.
- Disconnect the regulator connector.
- Disconnect the BAT terminal.
- Remove the drive belt. Refer to
Drive Belt Replacement
in Engine Mechanical.
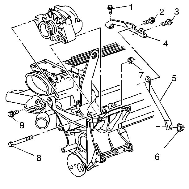
- Remove the bolt (1).
- Remove the bolt (2).
- Remove the bolt (3).
- The bracket (4).
- Remove the nut (6).
- Remove the bracket (5).
- Remove the nut (7) and the bolt (8).
- Remove the bolt (9).
- Remove the generator.
Installation Procedure
- Position the generator on the vehicle.
- Install the generator rear mounting bolt (9).
- Install the generator rear mounting bolt (8) and the nut (7).
- Install the bracket (5).
- Install the nut (6).
- Install the bracket (4).
- Install the generator bolt (2). Hand tighten.
- Install the generator rear mounting bracket bolt (1). Hand tighten.
- Install the generator rear mounting bolt (3). Hand tighten.
Tighten
- Tighten the generator rear mounting bolt (9) to 50 N·m
(37 lb ft).
- Tighten the generator rear mounting bolt (8) to 50 N·m
(37 lb ft).
- Tighten the generator bolt (2) to 42 N·m (31 lb ft).
- Tighten the generator rear mounting bracket bolt (1) to 42 N·m
(31 lb ft).
- Tighten the generator rear mounting bolt (3) to 42 N·m
(31 lb ft).
- Tighten the nut (6) to 33 N·m (24 lb ft).
- Refer to the
Notice: Use the correct fastener in the correct location. Replacement fasteners
must be the correct part number for that application. Fasteners requiring
replacement or fasteners requiring the use of thread locking compound or sealant
are identified in the service procedure. Do not use paints, lubricants, or
corrosion inhibitors on fasteners or fastener joint surfaces unless specified.
These coatings affect fastener torque and joint clamping force and may damage
the fastener. Use the correct tightening sequence and specifications when
installing fasteners in order to avoid damage to parts and systems.
in General Information.
- Install the accessory drive belt. Refer to
Drive Belt Replacement
in Engine Mechanical.
- Connect the regulator connector.
- Connect the generator BAT terminal.
Tighten
Tighten the BAT terminal nut to 8 N·m (71 lb in).
- Install the air intake duct. Refer to Section 6E.
- Connect the negative battery cable.
Tighten
Tighten the negative battery cable to 15 N·m (11 lb ft).