GM Service Manual Online
For 1990-2009 cars only
Makes
🢒
Chevrolet
🢒
1996
🢒
Corvette
🢒
Engine
🢒
Engine Electrical
🢒 Starting and Charging Schematics
Figure
1:
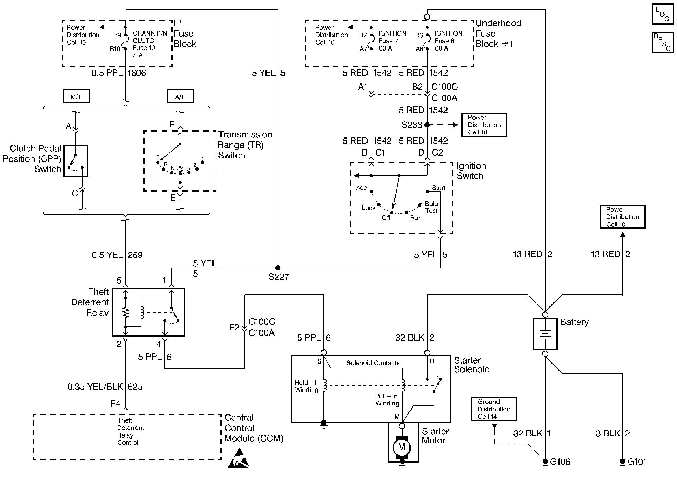
Starting System
Starting and Charging Components
Starting and Charging Circuit
Handling Electrostatic Discharge Sensitive Parts Notice
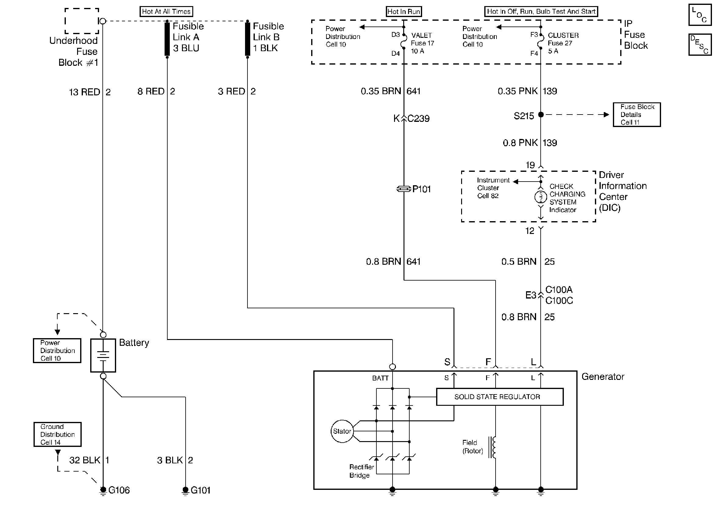
Figure
2:
Charging System
Starting and Charging Components
Starting and Charging Circuit