GM Service Manual Online
For 1990-2009 cars only

Removal Procedure

  1. Disconnect the negative battery cable. Refer to

    Caution: Unless directed otherwise, the ignition and start switch must be in the OFF or LOCK position, and all electrical loads must be OFF before servicing any electrical component. Disconnect the negative battery cable to prevent an electrical spark should a tool or equipment come in contact with an exposed electrical terminal. Failure to follow these precautions may result in personal injury and/or damage to the vehicle or its components.

    in General Information.
  2. Drain the coolant.

  3. Object Number: 11440  Size: SH
  4. Remove the throttle body air duct.

  5. Object Number: 11441  Size: SH
  6. Remove the fuel rail covers.

  7. Object Number: 11442  Size: SH
  8. Disconnect the wiring harness connectors from the fuel injectors.
  9. Relieve the fuel system pressure. Refer to

    Caution: Remove the fuel tank cap and relieve the fuel system pressure before servicing the fuel system in order to reduce the risk of personal injury. After you relieve the fuel system pressure, a small amount of fuel may be released when servicing the fuel lines, the fuel injection pump, or the connections. In order to reduce the risk of personal injury, cover the fuel system components with a shop towel before disconnection. This will catch any fuel that may leak out. Place the towel in an approved container when the disconnection is complete.

    .
  10. Disconnect the left and right wiring harnesses and lay aside.

  11. Object Number: 11445  Size: SH
  12. Remove the accelerator cable bracket bolts, bracket and cables from the throttle body

  13. Object Number: 26556  Size: SH
  14. Remove the secondary air injection diverter valve hoses.
  15. Disconnect the electrical ground strap from the intake manifold.

  16. Object Number: 11448  Size: SH
  17. Remove the fuel rail bolts.

  18. Object Number: 11447  Size: SH
  19. Disconnect the fuel pressure regulator vacuum tube.

  20. Object Number: 11448  Size: SH
  21. Remove the fuel rail from the intake manifold and lay aside.

  22. Object Number: 11451  Size: SH
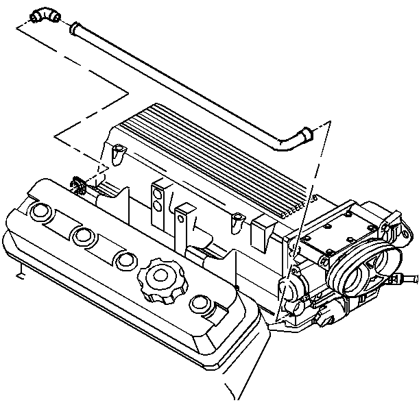
  23. Remove the vacuum hose.

  24. Object Number: 11449  Size: SH
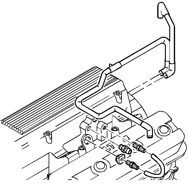
  25. Disconnect the crankcase vent hose.

  26. Object Number: 11452  Size: SH
  27. Remove the exhaust gas recirculation (EGR) control valve nut and control valve (LT1 Engine Only).

  28. Object Number: 11453  Size: SH
  29. Remove the emission canister purge control valve bracket nut and control valve.

  30. Object Number: 11454  Size: SH
  31. Remove the EGR valve bolts and EGR valve (LT1 Engine Only).

  32. Object Number: 22755  Size: SH
  33. Remove the secondary air injection pipe from the intake and the right exhaust manifold.

  34. Object Number: 11457  Size: SH
  35. Remove the generator brace bolts and brace.

  36. Object Number: 11458  Size: SH
  37. Disconnect the coolant hose from the throttle body.

  38. Object Number: 11459  Size: SH
  39. Remove the throttle body bolts, throttle body and gasket.

  40. Object Number: 11460  Size: SH
  41. Remove the intake manifold bolts and studs.
  42. Remove the intake manifold assembly.
  43. Remove and discard the gaskets.
  44. Clean the following areas:
  45. • The intake manifold bolts and studs
    • The cylinder head, engine block, and intake manifold sealing surfaces

Installation Procedure


    Object Number: 26744  Size: SH
  1. Apply a 5 mm (0.187 in) bead of RTV sealer, GM P/N 12346141 or equivalent, to the front of the engine block. Extend the bead 13 mm (0.50 in) up each cylinder head to seal and retain the gaskets.

  2. Object Number: 26743  Size: SH
  3. Apply a 5 mm (0.187 in) bead of RTV sealer, GM P/N 12346141 or equivalent, to the rear of the engine block. Extend the bead 13 mm (0.50 in) up each cylinder head to seal and retain the gaskets.

  4. Object Number: 11460  Size: SH
  5. Install the intake manifold with new gaskets.

  6. Object Number: 11456  Size: SH
  7. Install the intake manifold bolts and studs.
  8. Tighten

        • Tighten the intake manifold bolts and studs in first pass to 8 N·m (71 lb in) in sequence.
        • Tighten the intake manifold bolts and studs in second pass to 48 N·m (35 lb ft) in sequence.

    Notice: Use the correct fastener in the correct location. Replacement fasteners must be the correct part number for that application. Fasteners requiring replacement or fasteners requiring the use of thread locking compound or sealant are identified in the service procedure. Do not use paints, lubricants, or corrosion inhibitors on fasteners or fastener joint surfaces unless specified. These coatings affect fastener torque and joint clamping force and may damage the fastener. Use the correct tightening sequence and specifications when installing fasteners in order to avoid damage to parts and systems.


    Object Number: 11459  Size: SH
  9. Install the throttle body, gasket and bolts.
  10. Tighten
    Tighten the throttle body bolts to 25 N·m (18 lb ft).


    Object Number: 11458  Size: SH
  11. Connect the coolant hoses to the throttle body.

  12. Object Number: 11457  Size: SH
  13. Install the generator brace.

  14. Object Number: 11445  Size: SH
  15. Install the accelerator cable bracket and cables.
  16. Tighten
    Tighten the accelerator cable bracket bolts to 12 N·m (106 lb in).


    Object Number: 22755  Size: SH
  17. Install the secondary air injection pipe.
  18. Tighten

        • Tighten the secondary air injection pipe exhaust manifold fitting to 55 N·m (41 lb ft).
        • Tighten the secondary air injection pipe flange bolts to intake manifold to 26 N·m (19 lb ft).
        • Tighten the secondary air injection pipe bracket bolt to cylinder head to 40 N·m (30 lb ft).

    Object Number: 11454  Size: SH
  19. Install the EGR valve and bolts (LT1 Engine Only).
  20. Tighten
    Tighten the EGR valve bolts to 25 N·m (18 lb ft).


    Object Number: 11452  Size: SH
  21. Install the exhaust gas recirculation (EGR) control valve and nut (LT1 Engine Only).
  22. Tighten
    Tighten the EGR control valve nut to 25 N·m (18 lb ft).


    Object Number: 11453  Size: SH
  23. Install the emission canister purge control valve and bracket nut.
  24. Tighten
    Tighten the emission canister purge control valve bracket nut to 20 N·m (15 lb ft).


    Object Number: 11449  Size: SH
  25. Connect the crankcase vent hose.

  26. Object Number: 11451  Size: SH
  27. Connect the vacuum hose.

  28. Object Number: 11448  Size: SH
  29. Install the fuel rail to the intake manifold.
  30. Install the fuel rail bolts.
  31. Tighten
    Tighten the fuel rail bolts to 10 N·m (89 lb in).


    Object Number: 11447  Size: SH
  32. Connect the fuel pressure regulator vacuum tube.
  33. Connect the electrical ground strap to the intake manifold.

  34. Object Number: 26556  Size: SH
  35. Install the secondary air injection diverter valve hoses.
  36. Connect the left and right wiring harnesses.

  37. Object Number: 11442  Size: SH
  38. Connect the wiring harness connectors to the fuel injectors.
  39. • Match the proper electrical connector with the fuel injector according to the cylinder number marked on the electrical connector.
    • If not marked, refer to SECTION 8A in order to match up wire colors and fuel injectors.

    Object Number: 11440  Size: SH
  40. Install the throttle body air duct.

  41. Object Number: 11441  Size: SH
  42. Install the fuel rail covers.
  43. Refill with coolant. Refer to Cooling System Draining and Filling in Engine Cooling.
  44. Connect the negative battery cable.
  45. Tighten
    Tighten the negative battery cable nut to 15 N·m (11 lb ft).

  46. Adjust the TCS control cables. Refer to section 5E2 for information on control cable adjustments.