GM Service Manual Online
For 1990-2009 cars only
Makes
🢒
Chevrolet
🢒
1996
🢒
Corvette
🢒
Transmission/Transaxle
🢒
Manual Transmission - ZF S6-40
🢒 Counter Gear Shaft Seal
Removal Procedure
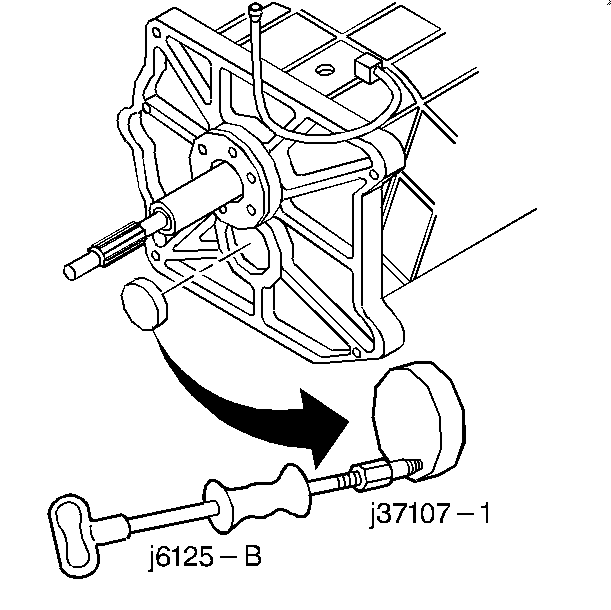
Tools Required
•
J 37107-1
Removal Screw
•
J 6125-1B
Slide Hammer
Remove the transmission. Refer to
Transmission Removal
.
Remove the countershaft seal from the front case. Use
J 37107-1
with
J 6125-1B
.
Installation Procedure
Tools Required
J 29381
Seal Installer
Install the countershaft seal into the front case. Use
J 29381
.
Install the transmission. Refer to
Transmission Installation
.