GM Service Manual Online
For 1990-2009 cars only
Makes
🢒
Chevrolet
🢒
1996
🢒
Corvette
🢒 Distributor Ignition System
Distributor Ignition System
Distributor Ignition System
Engine Controls Components
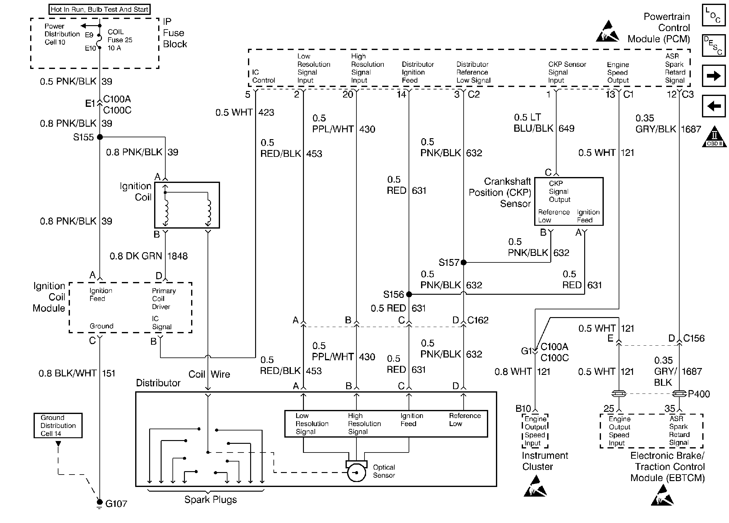
Distributor Ignition (DI) System
Fuel Pump
Data Link Connector - DLC
OBD II Symbol Description Notice
Handling ESD Sensitive Parts Notice
Handling ESD Sensitive Parts Notice
Handling ESD Sensitive Parts Notice