GM Service Manual Online
For 1990-2009 cars only

Circuit Description

The PCM will enable an injector on the intake stroke of each cylinder. Individual cylinder fuel control is referred to as Sequential Multiport Fuel Injection (SFI).

Ignition voltage is supplied directly to the fuel injectors. The PCM controls each injector by grounding the control circuit via an internal switch called a driver. The primary function of the driver is to supply the ground for the component being controlled. Each driver has a fault line which is monitored by the PCM. When the PCM is commanding a component ON, the voltage of the control circuit should be (refer to

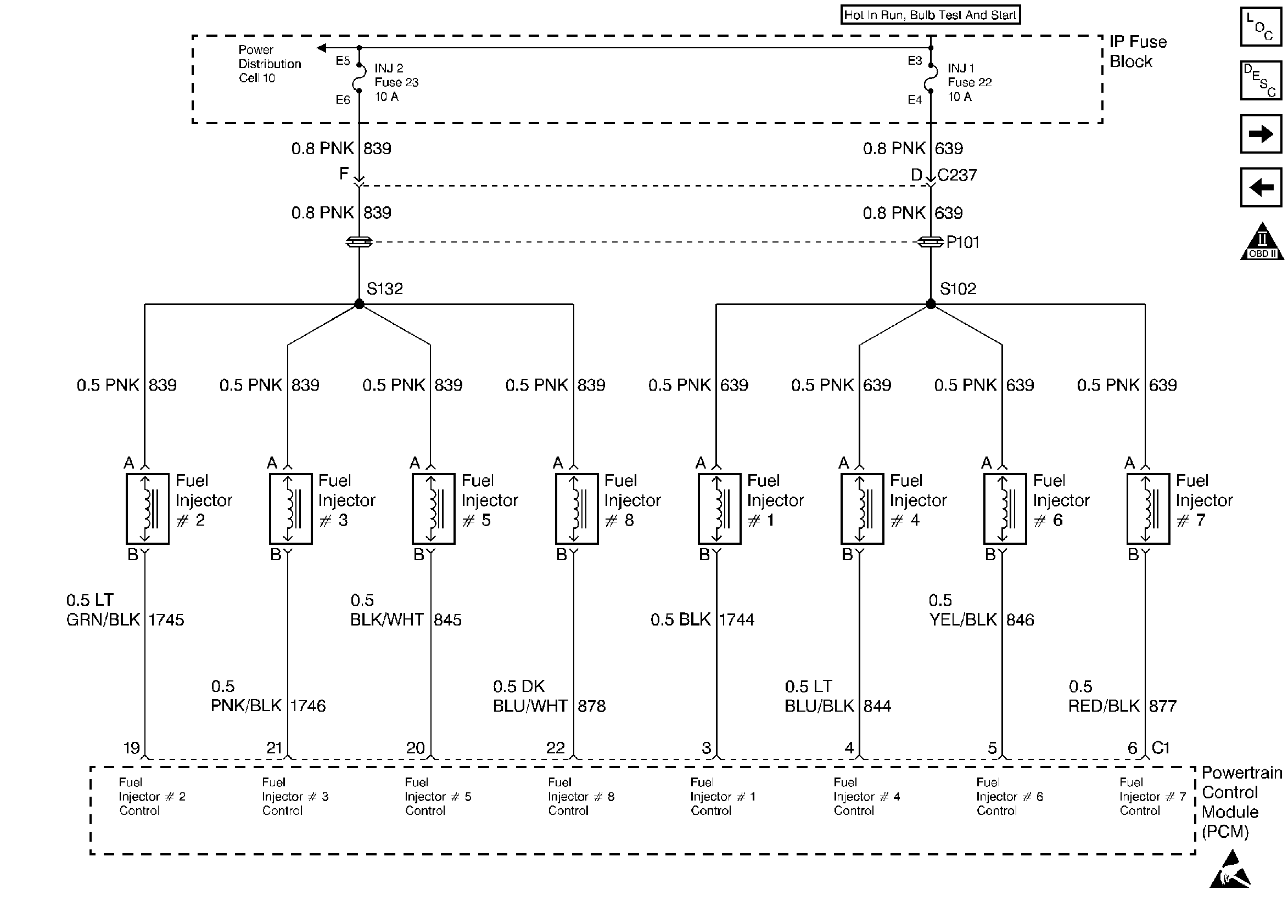
Injectors


Object Number: 13694  Size: FS
Engine Controls Components
Fuel Supply Components
Engine Data Sensors
Fuel Pump
OBD II Symbol Description Notice
Handling ESD Sensitive Parts Notice
for schematic) low (near 0 volts). When the PCM is commanding the control circuit to a component OFF, the voltage potential of the circuit should be high (near battery voltage). If the fault detection circuit senses a voltage other than what is expected, the fault line status will change causing the DTC to set.

The PCM will monitor each injector circuit for the following:

    • A grounded circuit.
    • An open circuit.
    • A circuit shorted to voltage.
    • An injector that is open.
    • An injector that is shorted or has low resistance.

When the PCM detects any of the above malfunctions, a DTC P0200/P1222 will set and the driver will be disabled.

Conditions for Setting the DTC

    • Ignition voltage greater than 10.0 volts.
    • The PCM detects the wrong voltage potential on any injector driver circuits for less than 0.5 second.

Action Taken When the DTC Sets

    • The DTC will be stored in the PCM memory when the diagnostic runs and fails.
    • The Malfunction Indicator Lamp (MIL) will not illuminate.
    • The PCM will record operating conditions at the time the diagnostic fails. This information will be stored in Failure Records.

Conditions for Clearing the MIL/DTC

    • The PCM will turn the MIL OFF after three consecutive drive trips that the diagnostic runs and does not fail.
    • A last test failed (Current DTC) will clear when the ignition is cycled and the diagnostic runs and does not fail.
    • A History DTC will clear after forty consecutive warm-up cycles, if no failures are reported by this or any other emission related diagnostic.
    • PCM battery voltage is interrupted.
    • Using a Scan tool.

Diagnostic Aids

    • If an injector is disconnected while the engine is operating and a DTC P0200 sets, the injector driver will be disabled for the entire ignition cycle.
    • When the injector driver is disabled, an engine misfire will be apparent and a misfire DTC will set.

For intermittents, refer to Symptoms .

Test Description

Number(s) below refer to step numbers on the diagnostic table.

  1. If the misfire counters do not appear to indicate a specific cylinder, check the injector power feed circuit for an intermittent open. This includes the injector fuses themselves as well as the connections within the fuse panel.

  2. If moving the related circuitry does not cause the counter to increment, an injector coil which opens intermittently when hot can cause this DTC to set. Refer to Fuel Injector Solenoid Coil Test

Step

Action

Value(s)

Yes

No

1

Was the Powertrain On-Board Diagnostic (OBD) System Check performed?

--

Go to Step 2

Go To Powertrain On Board Diagnostic (OBD) System Check

2

  1. Install the scan tool.
  2. Start and idle the engine.
  3. Using a scan tool, monitor Failed This Ignition under DTC Status for DTC P0200.

Did DTC P0200 fail this ignition cycle?

--

Go to DTC P0200 Injector Control Circuit

Go to Step 3

3

Using a scan tool, monitor the Misfire Hist. Counters on the Misfire Data List (There are a total of 8 counters. One counter per cylinder.)

Do any of the Misfire Hist. counters indicate a number other than 0.0 counts?

--

Go to Step 5

Go to Step 4

4

  1. Turn the ignition ON, engine OFF, review Freeze Frame and/or Failure Records data for this DTC and note parameters.
  2. Turn the ignition OFF for 15 seconds.
  3. Start the engine and operate the vehicle within the conditions required for this diagnostic to run, and as close to the conditions recorded in Freeze Frame/Failure Records as possible. Special operating conditions that need to be met before the PCM will run this diagnostic, where applicable, are listed in Conditions for Setting the DTC.
  4. Using the scan tool, select DTC, Specific, then enter the DTC number which was set.

Does the scan tool indicate that this diagnostic failed this ignition?

--

Go to Step 5

Go to Diagnostic Aids

5

  1. Start the engine and idle.
  2. Using a scan tool, observe Misfire Curr counter for the affected cylinder while moving related harness connectors (At injector and PCM).

Does Misfire Curr counter value start incrementing when a related connector is being moved?

--

Go to Step 6

Refer to Fuel Injector Solenoid Coil Test

6

  1. Turn the ignition OFF.
  2. Disconnect the injector harness connector for the affected cylinder.
  3. Using a test light (J 34142-B) connected to ground, probe the ignition feed circuit in the injector harness connector.
  4. Turn the ignition ON.
  5. Observe the test light, while moving related harness connectors.

Does the test light blink?

 

Go to Step 9

Go to Step 7

7

  1. Turn the ignition OFF.
  2. Disconnect the PCM connector C1.
  3. Using a jumper, ground the injector control circuit for the affected cylinder at the PCM harness connector.
  4. Using a test light connected to B+, probe the injector control circuit for the affected cylinder at the injector harness connector.
  5. Observe the test light, while moving related harness connectors.

Does the test light blink?

--

Go to Step 8

Go to Step 10

8

Repair the injector driver circuit to isolated injector.

Is the action complete?

--

Go to Step 11

--

9

Repair the injector ignition feed circuit to isolated injector.

Is the action complete?

--

Go to Step 11

--

10

Re-inspect all the related circuits and connections.

Was a problem found and corrected?

 

Go to Step 11

Refer to Fuel Injector Solenoid Coil Test

11

  1. Using the scan tool, select DTC, Clear Info.
  2. Start the engine and idle at normal operating temperature.
  3. Select DTC, Specific, then enter the DTC number which was set.
  4. Operate the vehicle within the conditions for setting this DTC as specified in the supporting text, if applicable.

Does the scan tool indicate that this test ran and passed?

--

Go to Step 12

Go to Step 2

12

Using the scan tool, select Capture Info, Review Info.

Are any DTCs displayed that have not been diagnosed?

--

Go to the applicable DTC table

System OK