GM Service Manual Online
For 1990-2009 cars only

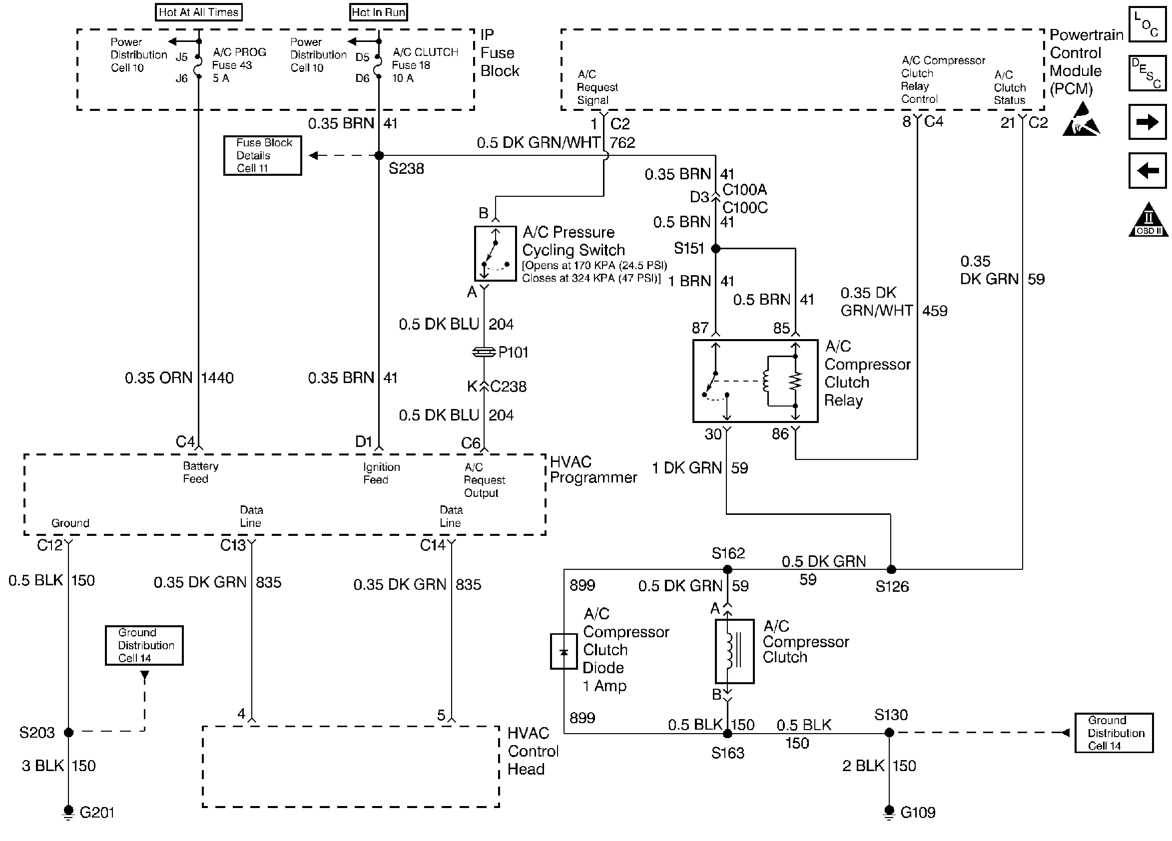
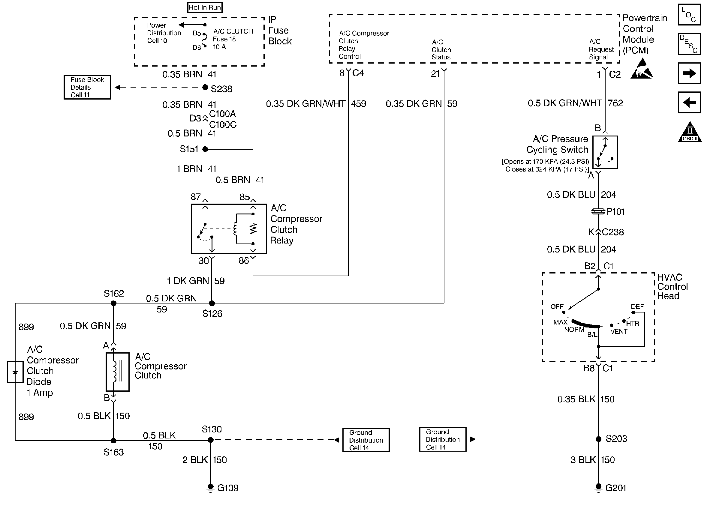
Circuit Description

Ignition voltage is supplied directly to the A/C compressor clutch relay coil. The PCM controls the relay by grounding the control circuit via an internal switch called a driver. The primary function of the driver is to supply the ground for the component being controlled. Each driver has a fault line which is monitored by the PCM. When the PCM is commanding a component ON, the voltage of the control circuit should be low (near 0 volts). When the PCM is commanding the control circuit to a component OFF, the voltage potential of the circuit should be high (near battery voltage). If the fault detection circuit senses a voltage other than what is expected, the fault line status will change causing the DTC to set.

The relay is used to control the high current flow to the A/C compressor clutch. This allows the PCM driver to only have to handle the relatively low current used by the relay. For the C60 schematic refer to

A/C Compressor Clutch Controls - C60


Object Number: 13714  Size: FS
Engine Controls Components
Air Conditioning (A/C) Clutch Circuit
A/C Compressor Clutch Controls - C68
Transmission Controls
OBD II Symbol Description Notice
Handling ESD Sensitive Parts Notice
or for the C68 schematic refer to

A/C Compressor Clutch Controls - C68


Object Number: 13716  Size: FS
Engine Controls Components
Air Conditioning (A/C) Clutch Circuit
Fan Controls
A/C Compressor Clutch Controls - C60
OBD II Symbol Description Notice
Handling ESD Sensitive Parts Notice
.

Conditions for Setting the DTC

    • DTCs P0106, P0113, P0500, P0502, P0560, P0562, P1133, P1135, P1136, P1153, P1154, P1532, P1539, P1543 not set.
    • Engine speed greater than 600 RPM.
    • The PCM detects that the commanded state of the driver and the actual state of the control circuit do not match.
    • Condition must be present for a minimum of 25.5 seconds.

Action Taken When the DTC Sets

    • The DTC will be stored in the PCM memory when the diagnostic runs and fails.
    • The Malfunction Indicator Lamp (MIL) will not illuminate.
    • The PCM will record operating conditions at the time the diagnostic fails. This information will be stored in Failure Records.

Conditions for Clearing the MIL/DTC

    • The PCM will turn the MIL OFF after three consecutive drive trips that the diagnostic runs and does not fail.
    • A last test failed (Current DTC) will clear when the ignition is cycled and the diagnostic runs and does not fail.
    • A History DTC will clear after forty consecutive warm-up cycles, if no failures are reported by this or any other emission related diagnostic.
    • PCM battery voltage is interrupted.
    • Using a Scan tool.

Diagnostic Aids

Using Freeze Frame and/or Failure Records data may aid in locating an intermittent condition. If the DTC cannot be duplicated, the information included in the Freeze Frame and/or Failure Records data can be useful in determining how many miles since the DTC set. The Fail Counter and Pass Counter can also be used to determine how many ignition cycles the diagnostic reported a pass and/or a fail. Operate vehicle within the same freeze frame conditions (RPM, load, vehicle speed, temperature etc.) that were noted. This will isolate when the DTC failed. For intermittents, refer to Symptoms .

Test Description

Number(s) below refer to step numbers on the diagnostic table.

  1. Listen for an audible click when the relay operates. Be sure that both the ON and the OFF states are commanded. Repeat the commands as necessary.

  2. This check can detect a partially shorted coil which would cause excessive current flow. Leaving the circuit energized for 2 minutes allows the coil to warm up. When warm the coil may open (Amps drop to 0), or short (goes above 0.75 Amp).

  3. It is important to identify and test the relay coil terminals to avoid improper diagnosis.

  4. If no trouble is found in the control circuit or the connection at the PCM, the PCM may be faulty, however, this is an extremely unlikely failure.

Step

Action

Value(s)

Yes

No

1

Was the Powertrain On-Board Diagnostic (OBD) System Check performed?

--

Go to Step 2

Go to Powertrain On Board Diagnostic (OBD) System Check

2

  1. Turn the ignition ON, engine OFF.
  2. Using a Scan tool, command the relay ON and OFF.

Does the relay turn ON and OFF with each command?

--

Go to Step 3

Go to Step 5

3

  1. Turn the ignition OFF.
  2. Disconnect the PCM connector containing the relay control circuit.
  3. Turn the ignition ON.
  4. Using DVM J 39200 on 10 Amp scale, measure current from the relay control circuit in the PCM harness connector to ground for 2 minutes.

Does the current draw measure less than the value shown (but not 0).

0.75 A

Go to Diagnostic Aids

Go to Step 4

4

  1. Turn the ignition OFF.
  2. Disconnect the relay.
  3. Using DVM J 39200, measure resistance from the relay control circuit in the PCM harness connector to ground.

Does the DVM display infinite resistance?

--

Go to Step 12

Go to Step 10

5

  1. Turn the ignition OFF.
  2. Disconnect the relay.
  3. Connect the test light J 34142-B between the relay coil terminals in the relay harness connector.
  4. Turn the ignition ON.
  5. Using a Scan tool, command the relay ON and OFF.

Does the test light turn ON and OFF with each command?

--

Go to Step 8

Go to Step 6

6

With the test light connected to ground, probe the battery feed circuits in the relay harness connector.

Is the test light ON both terminals?

--

Go to Step 7

Go to Step 11

7

  1. Turn the ignition OFF.
  2. Reconnect the relay.
  3. Disconnect the PCM connector containing the relay control circuit.
  4. Turn the ignition ON.
  5. With a fused jumper wire connected to ground, probe the relay control circuit in the PCM harness connector.

Does the relay operate?

--

Go to Step 9

Go to Step 10

8

Check the connections at the relay.

Was a problem found and corrected?

--

Go to Step 14

Go to Step 12

9

Check the connections at the PCM.

Was a problem found and corrected?

--

Go to Step 14

Go to Step 13

10

Repair faulty relay control circuit.

Is the action complete?

--

Go to Step 14

--

11

Repair the faulty relay battery feed circuit.

Is the action complete?

--

Go to Step 14

--

12

Replace the relay.

Is the action complete?

--

Go to Step 14

--

13

Important:: Replacement PCM must be programmed. Refer to Powertrain Control Module Replacement/Programming .

Replace the PCM.

Is the action complete?

--

Go to Step 14

--

14

  1. Using the scan tool, select DTC, Clear Info.
  2. Start the engine and idle at normal operating temperature.
  3. Select DTC, Specific, then enter the DTC number which was set.
  4. Operate the vehicle within the conditions for setting this DTC as specified in the supporting text, if applicable.

Does the scan tool indicate that this test ran and passed?

--

Go to Step 15

Go to Step 2

15

Using the scan tool, select Capture Info, Review Info.

Are any DTCs displayed that have not been diagnosed?

--

Go to the applicable DTC table

System OK