GM Service Manual Online
For 1990-2009 cars only

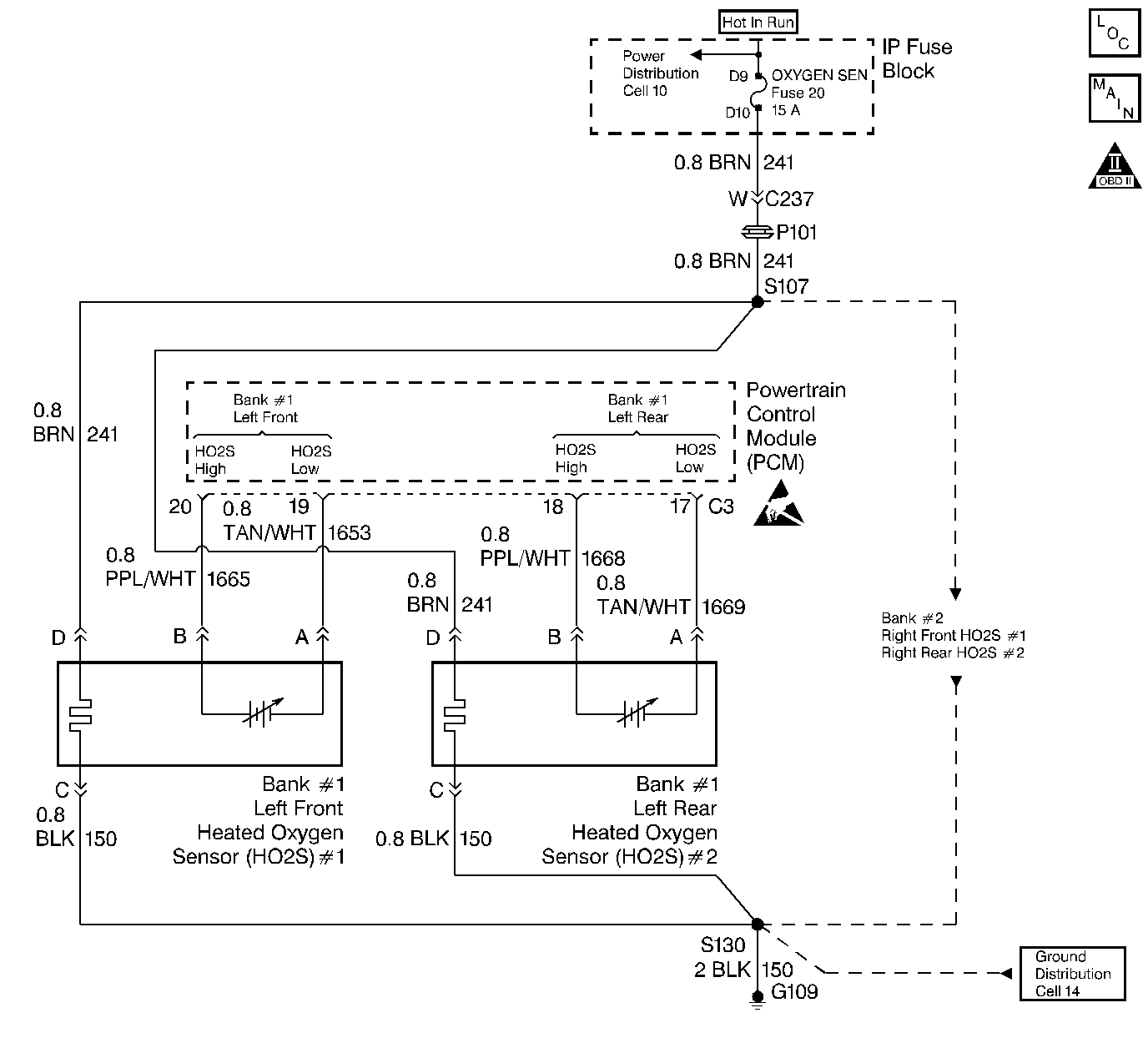
Object Number: 13747  Size: LF
Engine Controls Components
Heated Oxygen Sensors - HO2S
OBD II Symbol Description Notice
Handling ESD Sensitive Parts Notice

Circuit Description

The PCM supplies a voltage of about 450 mV between the HO2S high and low signal circuits. The oxygen sensor varies the voltage over a range from about 1000 mV when the exhaust is rich, down through about 10 mV when exhaust is lean.

The PCM monitors and stores the heated oxygen sensor (HO2S) voltage information. The PCM evaluates the HO2S voltage samples to determine the amount of time the HO2S voltage was out of range. The PCM will compare the stored HO2S voltage samples taken within each sample period and determine if majority of the samples are out of the operating range.

The PCM monitors the HO2S voltage for being fixed below a predetermined voltage. If the PCM detects the voltage is below a predetermined voltage, a DTC will set.

Conditions for Setting the DTC

    • DTCs P0100, P0102, P0103, P0107, P0108, P0112, P0113, P0117, P0118, P0122, P0123, P0125, P0151, P0200, P0372, P1371 not set.
    • Engine coolant temperature greater than 48°C (118°F).
    • Fuel system operating in Closed Loop.
    • Fuel trim learn enabled.
    • Air/fuel ratio between 14.6:1 and 14.8:1.
    • TP angle between 3% and 20%.
    • HO2S signal voltage remains below 39 mV for 38 seconds.

Action Taken When the DTC Sets

    • The PCM will illuminate the Malfunction Indicator Lamp (MIL) on the second consecutive drive trip that the diagnostic runs and fails.
    • The PCM will record operating conditions at the time the diagnostic fails. The first time the diagnostic fails, this information will be stored in Failure Records. If the diagnostic reports a failure on the second consecutive drive trip, the operating conditions at the time of failure will be written to Freeze Frame and the Failure record will be updated.

Conditions for Clearing the MIL/DTC

    • The PCM will turn the MIL OFF after three consecutive drive trips that the diagnostic runs and does not fail.
    • A last test failed (Current DTC) will clear when the ignition is cycled and the diagnostic runs and does not fail.
    • A History DTC will clear after forty consecutive warm-up cycles, if no failures are reported by this or any other emission related diagnostic.
    • PCM battery voltage is interrupted.
    • Using a Scan tool.

Diagnostic Aids

    • Heated Oxygen Sensor (HO2S)) wire. Sensor pigtail may be contacting the exhaust manifold.
    • An oxygen supply inside the HO2S is necessary for proper operation. This supply of oxygen is provided through the HO2S wires. All HO2S wires and connections should be inspected for breaks or contamination. Refer to Repair Procedures in Electrical Diagnosis (8A Cell 5).
    • Check for intermittent ground in signal wire between connector and sensor.
    • Lean injector(s). Perform Injector Balance Test.
    • Fuel contamination. Water near the in-tank fuel pump inlet can be delivered to the injectors. The water causes a lean exhaust and can set a DTC.
    • Fuel pressure. System will be lean if fuel pressure is low. Refer to Fuel System diagnosis.
    • Exhaust leaks. An exhaust leak near the HO2S can cause a lean condition. Vacuum or crankcase leaks can also cause a lean condition.
    • If the above are OK, the HO2S may be at fault.

For intermittents, refer to Symptoms .

Test Description

Number(s) below refer to step numbers on the diagnostic table.

  1. Engine must be at normal operating temperature before performing this test. For any test that requires probing the PCM or a component harness connector, must use the Connector Test Adapter Kit J 35616-A. Using this kit will prevent damage to the harness connector terminals.

  2. Using Freeze Frame and/or Failure Records data may aid in locating an intermittent condition. If the DTC cannot be duplicated, the information included in the Freeze Frame and/or Failure Records data can be useful in determining how many miles since the DTC set. The Fail Counter and Pass Counter can also be used to determine how many ignition cycles the diagnostic reported a pass and/or a fail. Operate vehicle within the same freeze frame conditions (RPM, load, vehicle speed, temperature etc.) that were noted. This will isolate when the DTC failed.

  3. It may be necessary to lower the exhaust system to gain sufficient access to an HO2S and/or it's connector. Refer to Exhaust System. Grounding the low side circuit of the HO2S should cause the HO2S voltage to display a bias voltage. If the voltage stayed near 0.0 volts indicates the low circuit is open, or the high circuit is open or grounded.

  4. Disconnecting the PCM will allow using the DVM (J 39200) to check continuity of the circuits. This will aid in locating an open or shorted circuit.

Step

Action

Value(s)

Yes

No

1

Was the Powertrain On-Board Diagnostic (OBD) System Check performed?

--

Go to Step 2

Go to Powertrain On Board Diagnostic (OBD) System Check

2

Important: Before proceeding with this DTC, check the HO2S for being secure. A sensor that is loose could cause this DTC to set.

  1. Install the scan tool.
  2. Start and idle the engine until normal operating temperature is reached.
  3. Operate the vehicle within the parameters specified under Conditions for Setting the DTC in the supporting text.
  4. Using the scan tool, monitor the HO2S voltage display on the Engine 1 Data List .

Is the HO2S voltage less than the specified value?

39 mV

Go to Step 4

Go to Step 3

3

  1. Turn the ignition ON, engine OFF, review Freeze Frame and/or Failure Records data for this DTC and note parameters.
  2. Turn the ignition OFF for 15 seconds.
  3. Start the engine and operate the vehicle within the conditions required for this diagnostic to run, and as close to the conditions recorded in Freeze Frame/Failure Records as possible. Special operating conditions that need to be met before the PCM will run this diagnostic, where applicable, are listed in Conditions for Setting the DTC.
  4. Using the scan tool, select DTC, Specific, then enter the DTC number which was set.

Does the scan tool indicate that this diagnostic failed this ignition?

--

Go to Step 4

Go to Diagnostic Aids

4

Disconnect the HO2S and jumper the HO2S low circuit (PCM side) to ground.

Does the scan tool indicate the HO2S voltage is within the specified values?

375-525 mV

Go to Diagnostic Aids

Go to Step 5

5

  1. Turn the ignition OFF.
  2. Disconnect the PCM.
  3. Check the HO2S signal circuit for a short to ground or a short to the sensor ground circuit.

Is the HO2S signal circuit shorted?

--

Go to Step 6

Go to Step 7

6

Repair the HO2S signal circuit. Refer to Repair Procedures in Electrical Diagnosis (8A Cell 5).

Is the action complete?

--

Go to Step 8

--

7

Important:: Replacement PCM must be programmed. Refer to Powertrain Control Module Replacement/Programming .

Replace the PCM.

Is the action complete?

--

Go to Step 8

--

8

  1. Using the scan tool, select DTC, Clear Info.
  2. Start the engine and idle at normal operating temperature.
  3. Select DTC, Specific, then enter the DTC number which was set.
  4. Operate the vehicle within the conditions for setting this DTC as specified in the supporting text, if applicable.

Does the scan tool indicate that this test ran and passed?

--

Go to Step 9

Go to Step 2

9

Using the scan tool, select Capture Info, Review Info.

Are any DTCs displayed that have not been diagnosed?

--

Go to the applicable DTC table

System OK