GM Service Manual Online
For 1990-2009 cars only
Makes
🢒
Chevrolet
🢒
1997
🢒
Corvette
🢒
Suspension
🢒
Low Tire Pressure Sensing
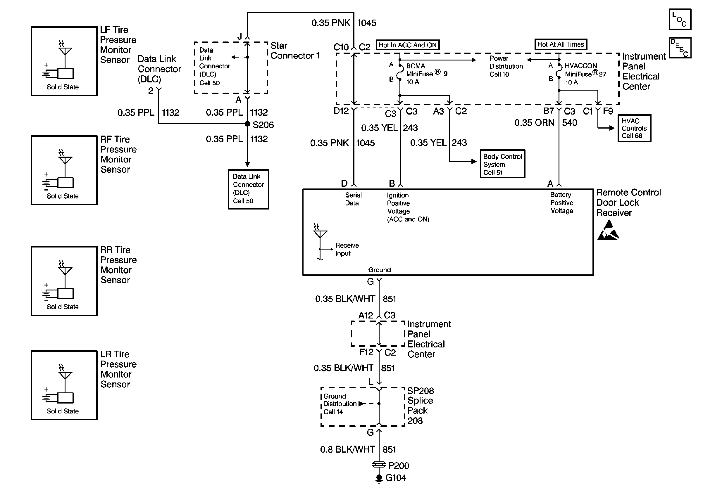
🢒 Tire Pressure Monitor System Schematics
Cell 48: