GM Service Manual Online
For 1990-2009 cars only
Makes
🢒
Chevrolet
🢒
1997
🢒
Corvette
🢒
Transmission/Transaxle
🢒
Automatic Transmission - 4L60-E
🢒 Automatic Transmission Controls Schematics
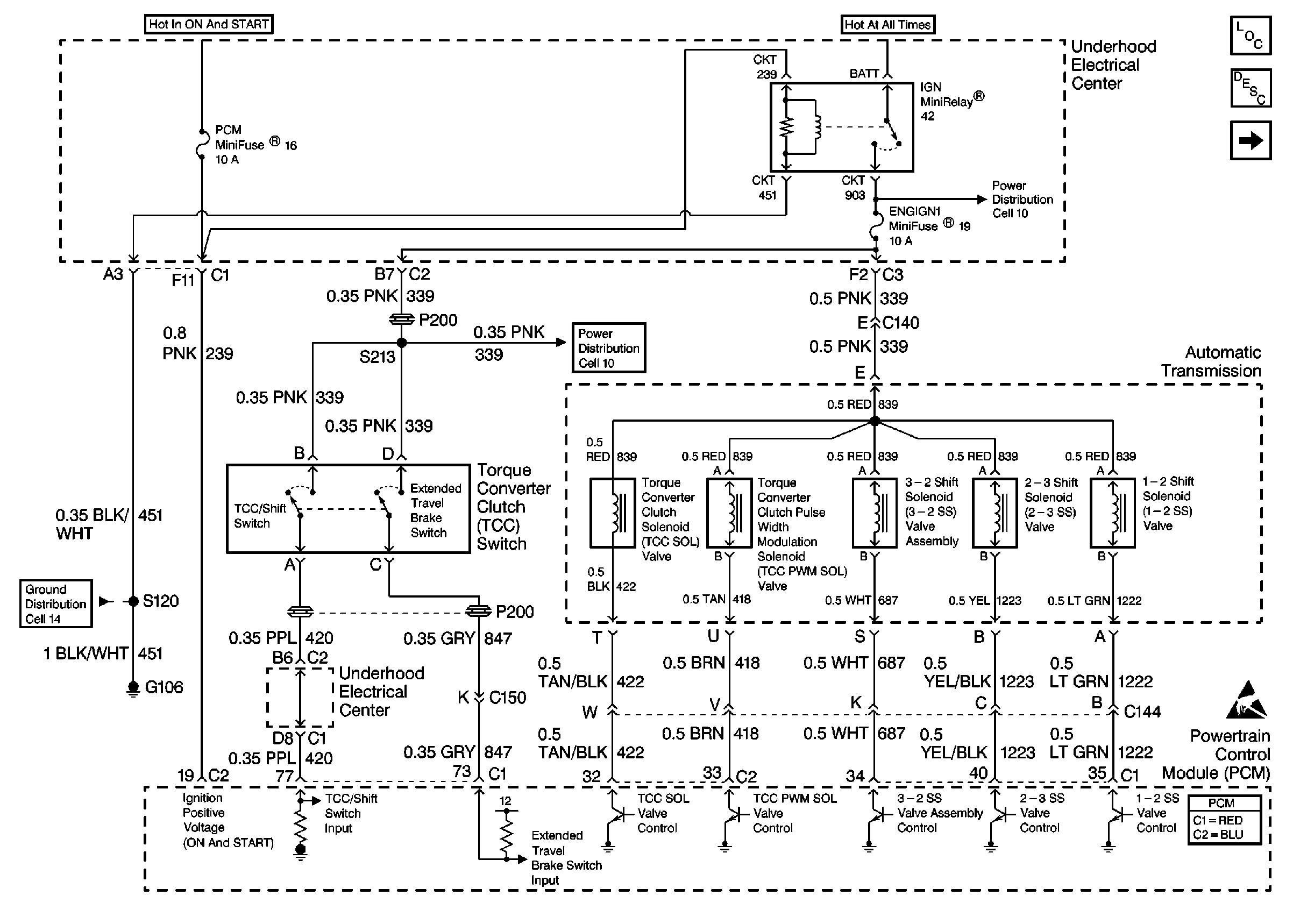
Automatic Transmission Controls Schematics Rear Mounted EBTCM/BPMV
Figure
1:
Cell 39: Power and Ground
Figure
2:
Cell 39: Vehicle Speed Sensor (VSS)