GM Service Manual Online
For 1990-2009 cars only
Makes
🢒
Chevrolet
🢒
1997
🢒
Corvette
🢒
HVAC
🢒
HVAC Systems - Manual
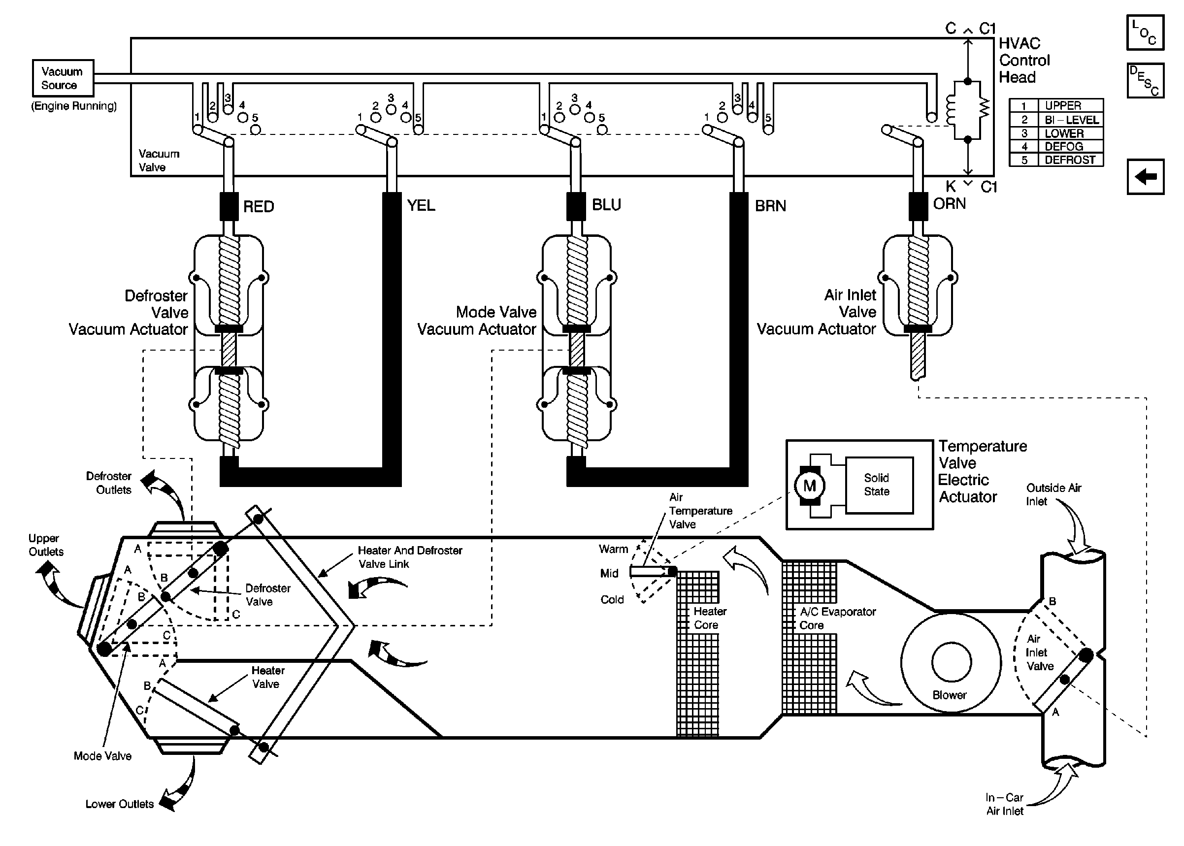
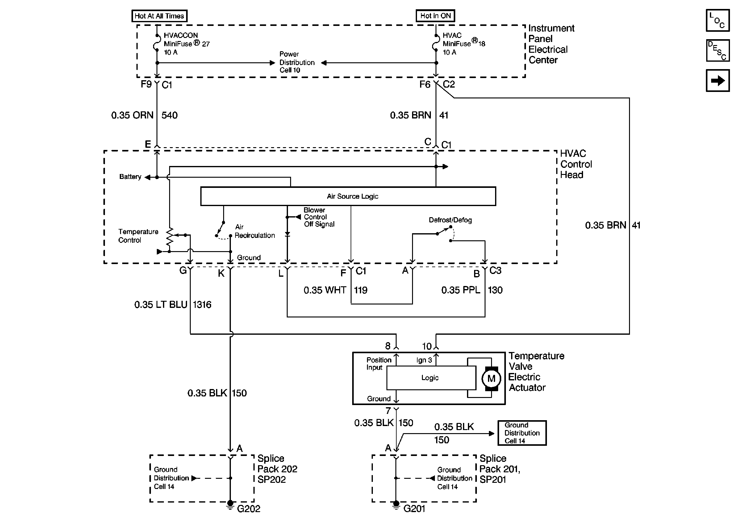
🢒 HVAC Air Delivery/Temperature Control Schematics
Figure
1:
Cell 65: Air Delivery System
Figure
2:
Cell 65: Vacuum Routing