GM Service Manual Online
For 1990-2009 cars only
Makes
🢒
Chevrolet
🢒
1997
🢒
Corvette
🢒
Restraints
🢒
SIR
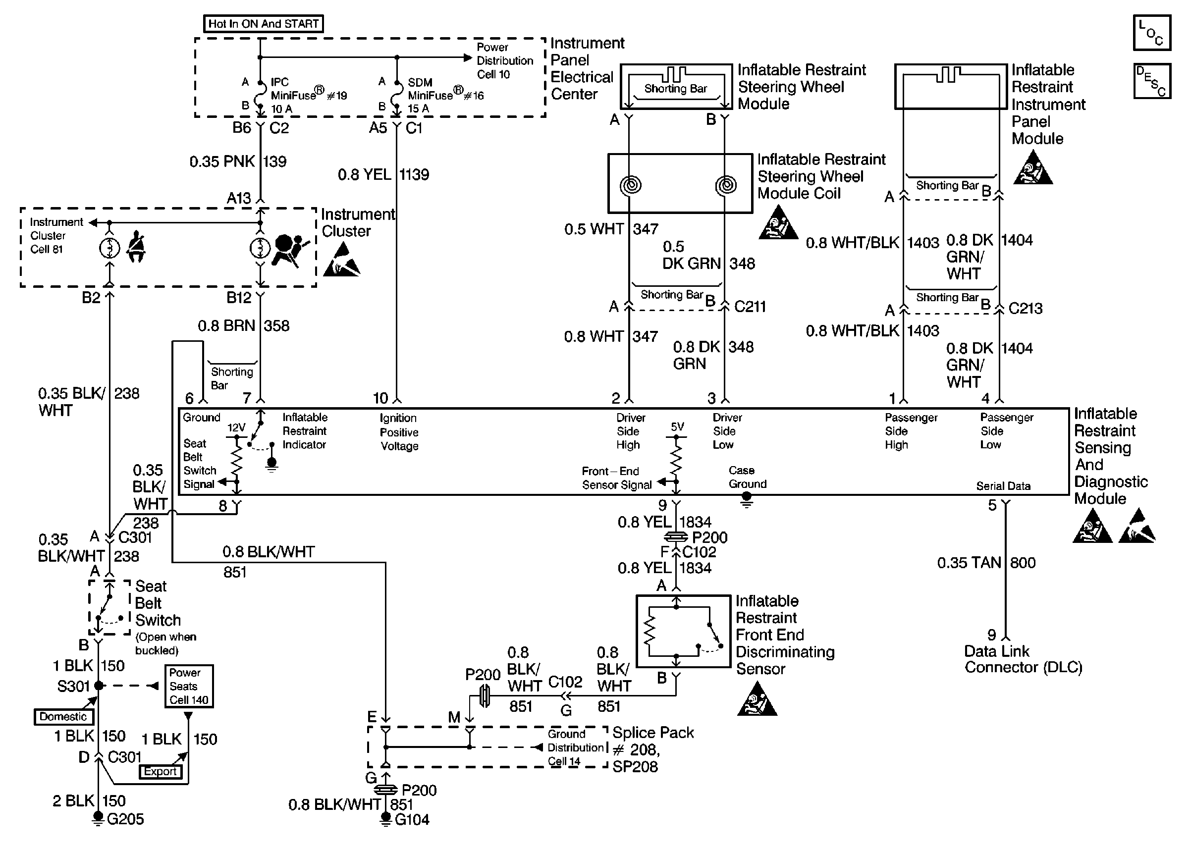
🢒 Supplemental Inflatable Restraint Schematics
Cell 47: