GM Service Manual Online
For 1990-2009 cars only
Makes
🢒
Chevrolet
🢒
1997
🢒
Corvette
🢒
Body and Accessories
🢒
Lighting Systems
🢒 Backup Lamp Schematics
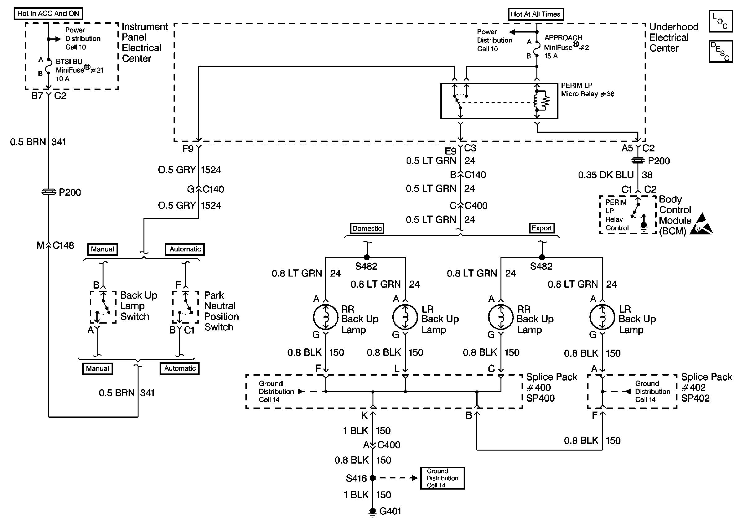
Cell 112: Backup Lamps System