GM Service Manual Online
For 1990-2009 cars only
Makes
🢒
Chevrolet
🢒
1997
🢒
Corvette
🢒
Body and Accessories
🢒
Body Control System
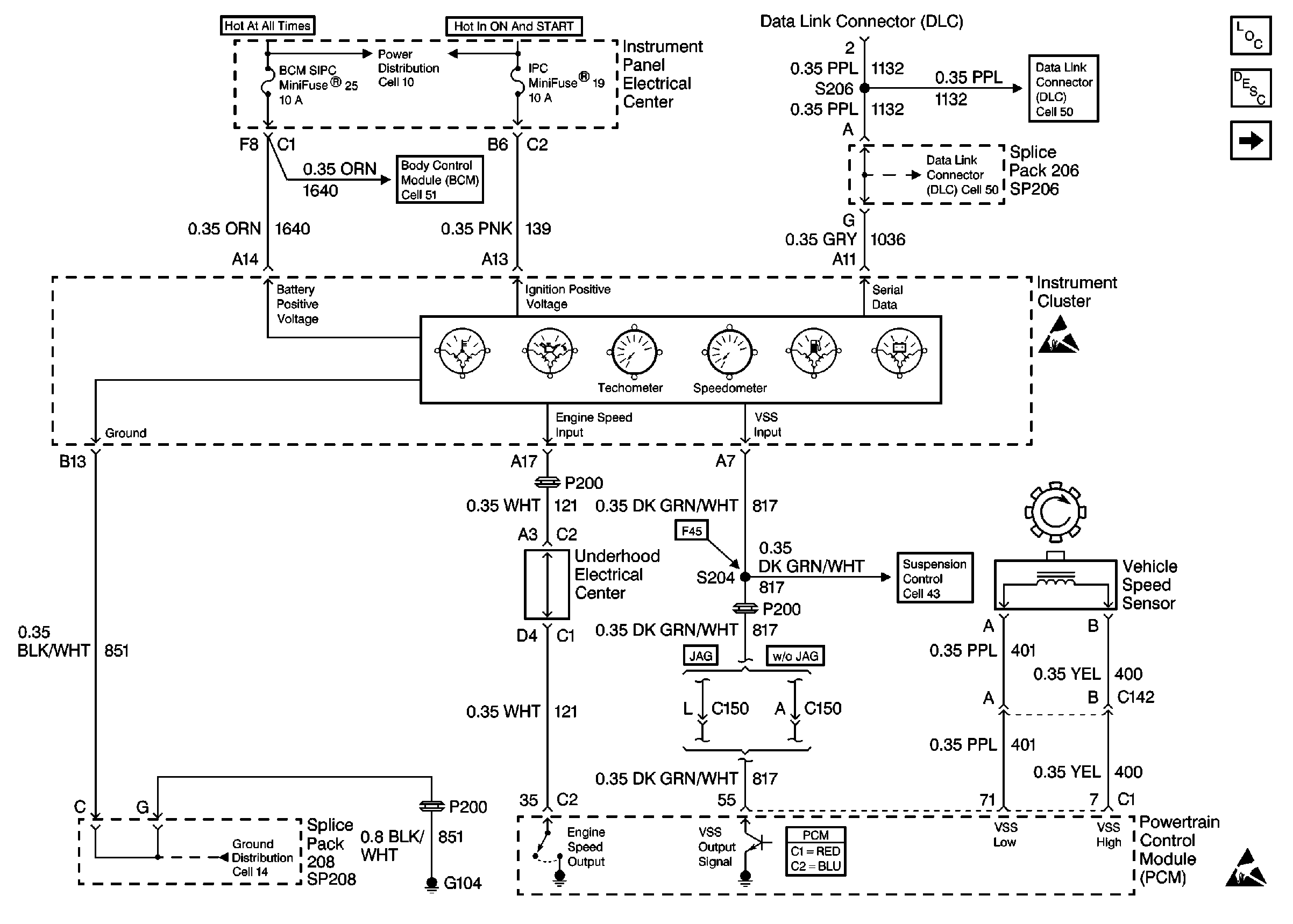
🢒 Instrument Cluster: Analog Schematics
Figure
1:
Cell 81: Instrumentation and Driver Information
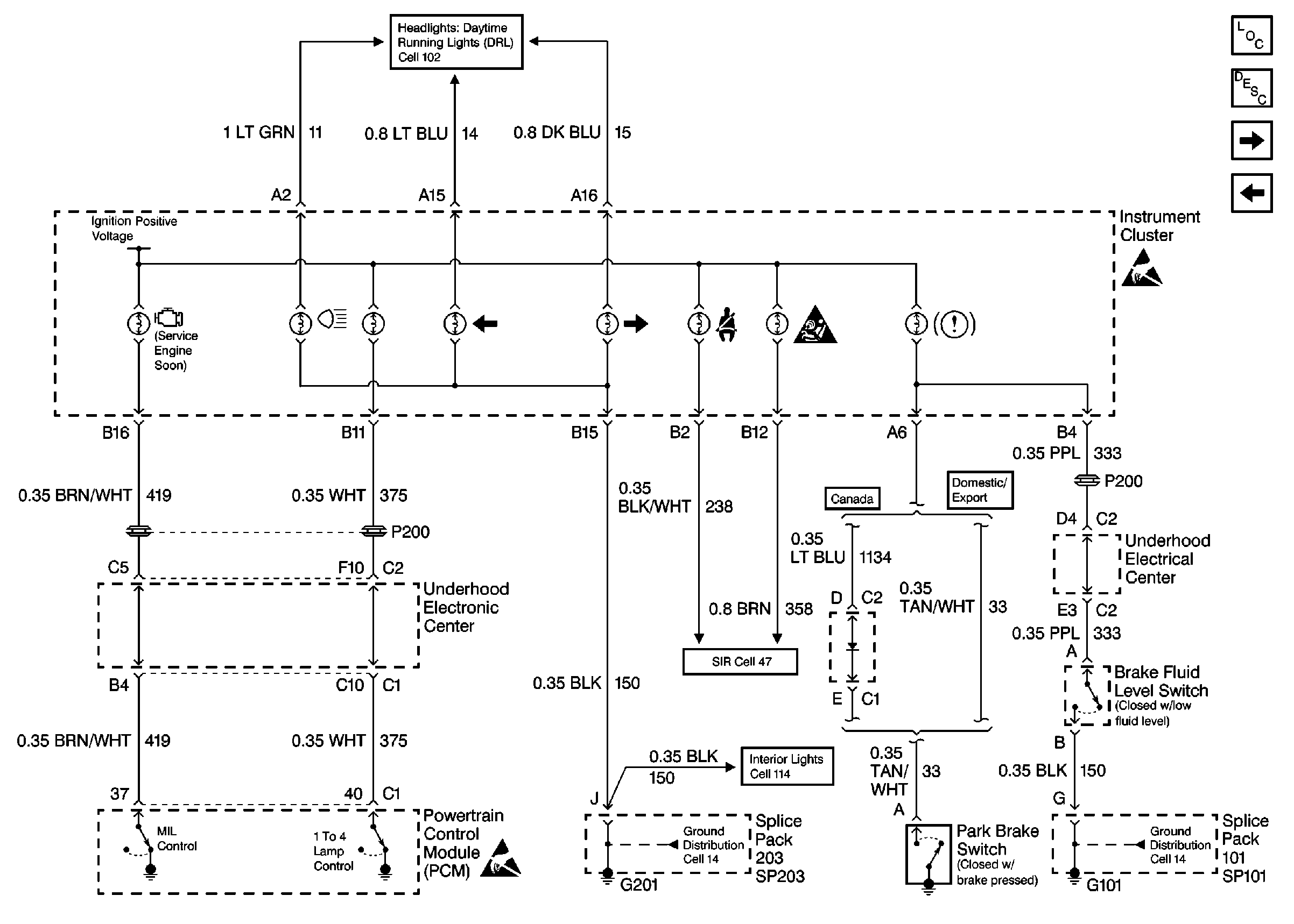
Figure
2:
Cell 81: Instrumentation and Driver Information