GM Service Manual Online
For 1990-2009 cars only
Makes
🢒
Chevrolet
🢒
1997
🢒
Corvette
🢒
Body and Accessories
🢒
Theft Deterrent
🢒 Theft Deterrent System Schematics
Theft Deterrent System Schematics Rear Mounted EBTCM/BPMV
Figure
1:
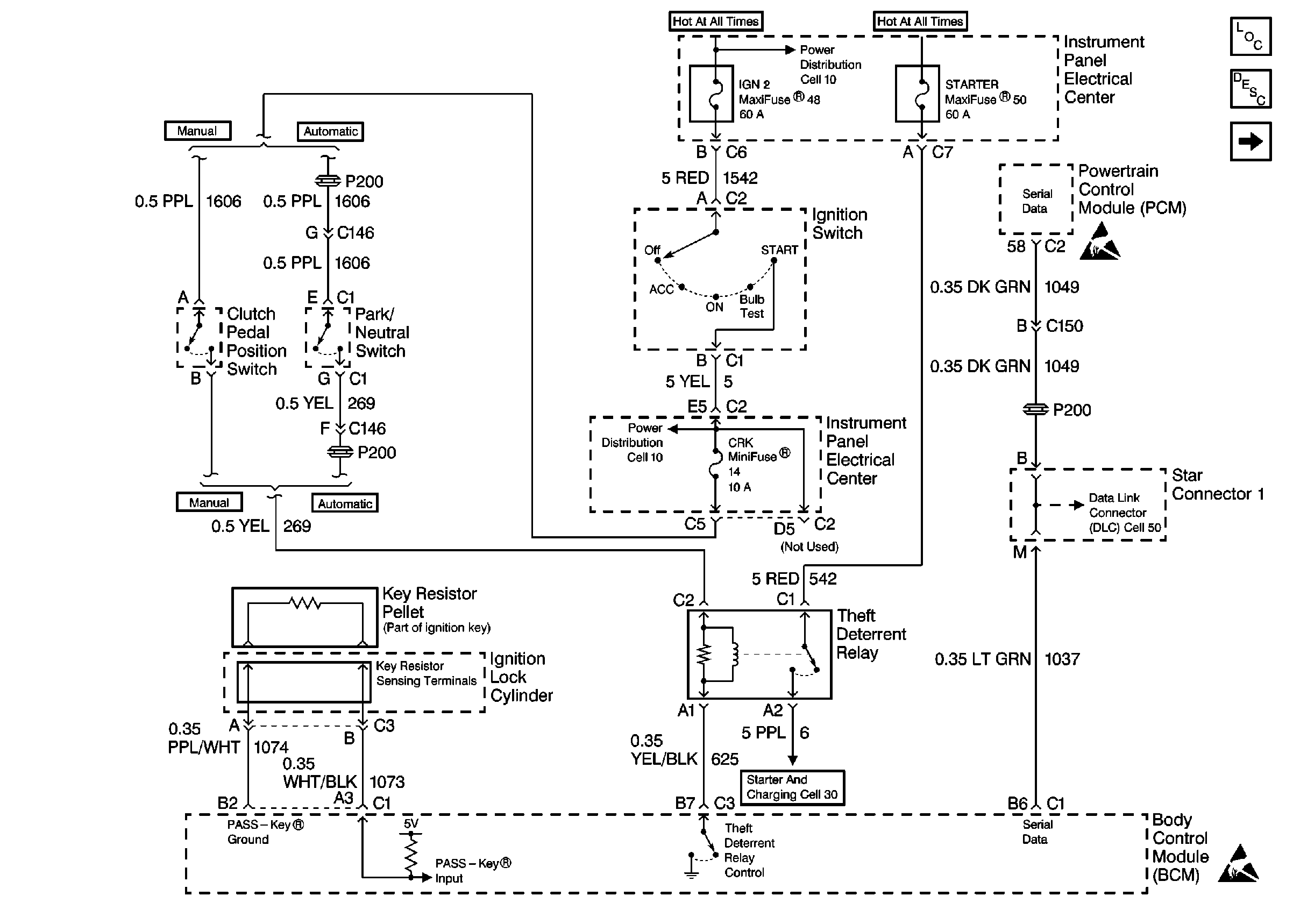
Cell 133: Theft Relay and Key Input Systems
Figure
2:
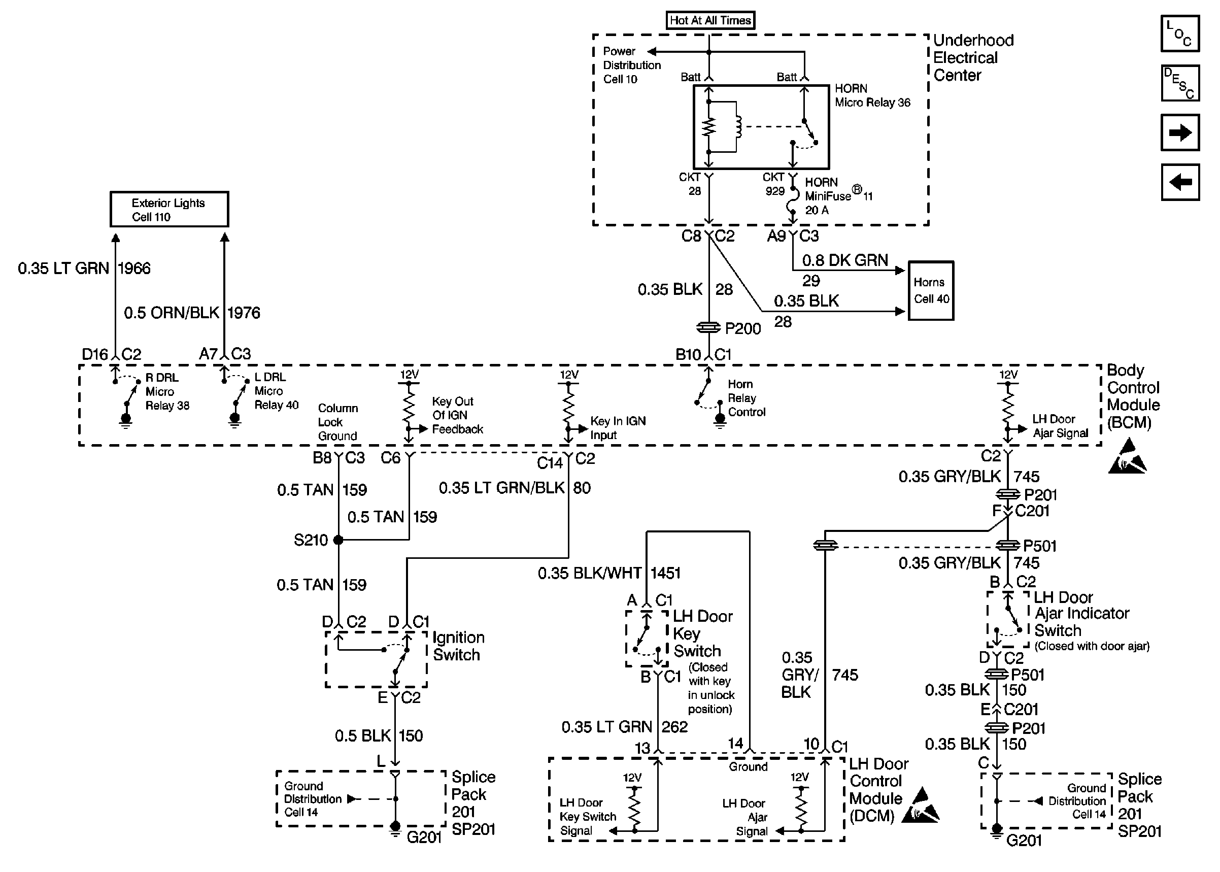
Cell 133: Horn Control and LH Door Ajar Input
Figure
3:
Cell 134: RH Door Adjar Input