GM Service Manual Online
For 1990-2009 cars only
Makes
🢒
Chevrolet
🢒
1997
🢒
Corvette
🢒
Body and Accessories
🢒
Retained Accessory Power
🢒 Retained Accessory Power (RAP) Schematics
Figure
1:
Cell 15: Power and Ground
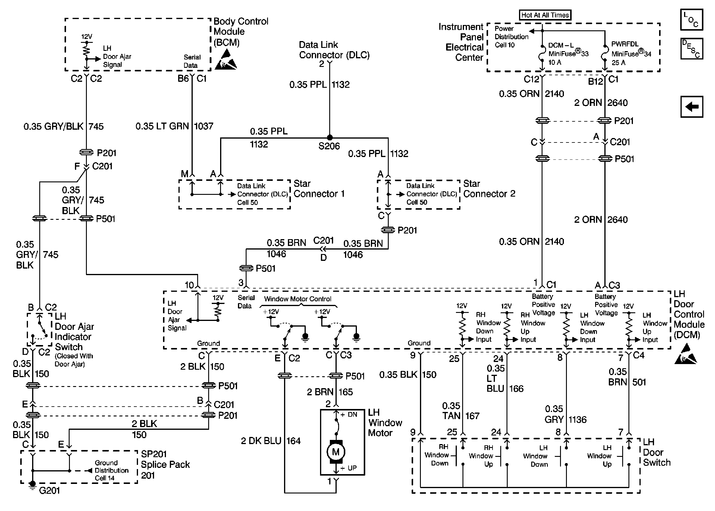
Figure
2:
Cell 15: RH Door Control Module (DCM)
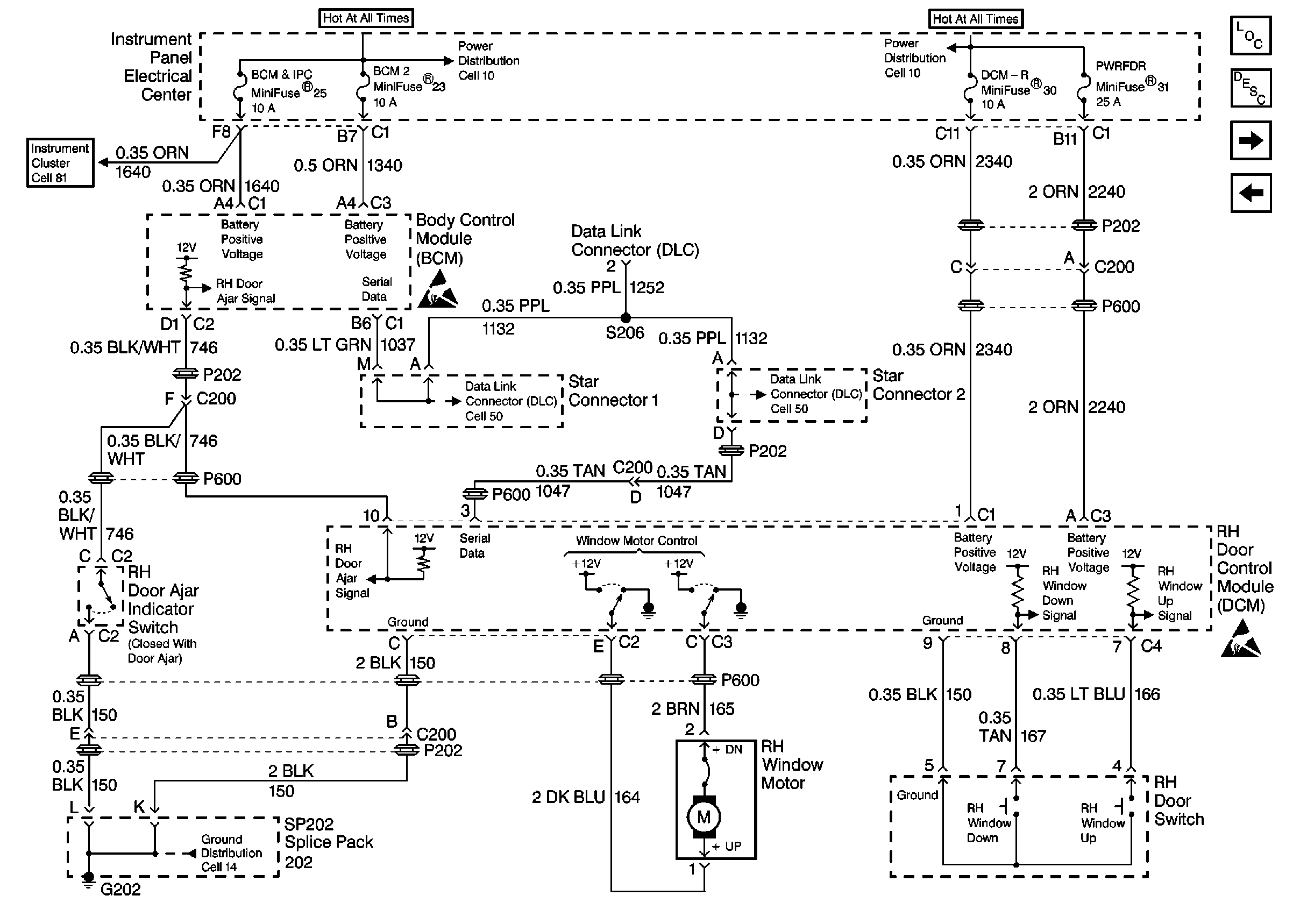
Figure
3:
Cell 15: LH Door Control Module (DCM)