GM Service Manual Online
For 1990-2009 cars only
Figure 1:

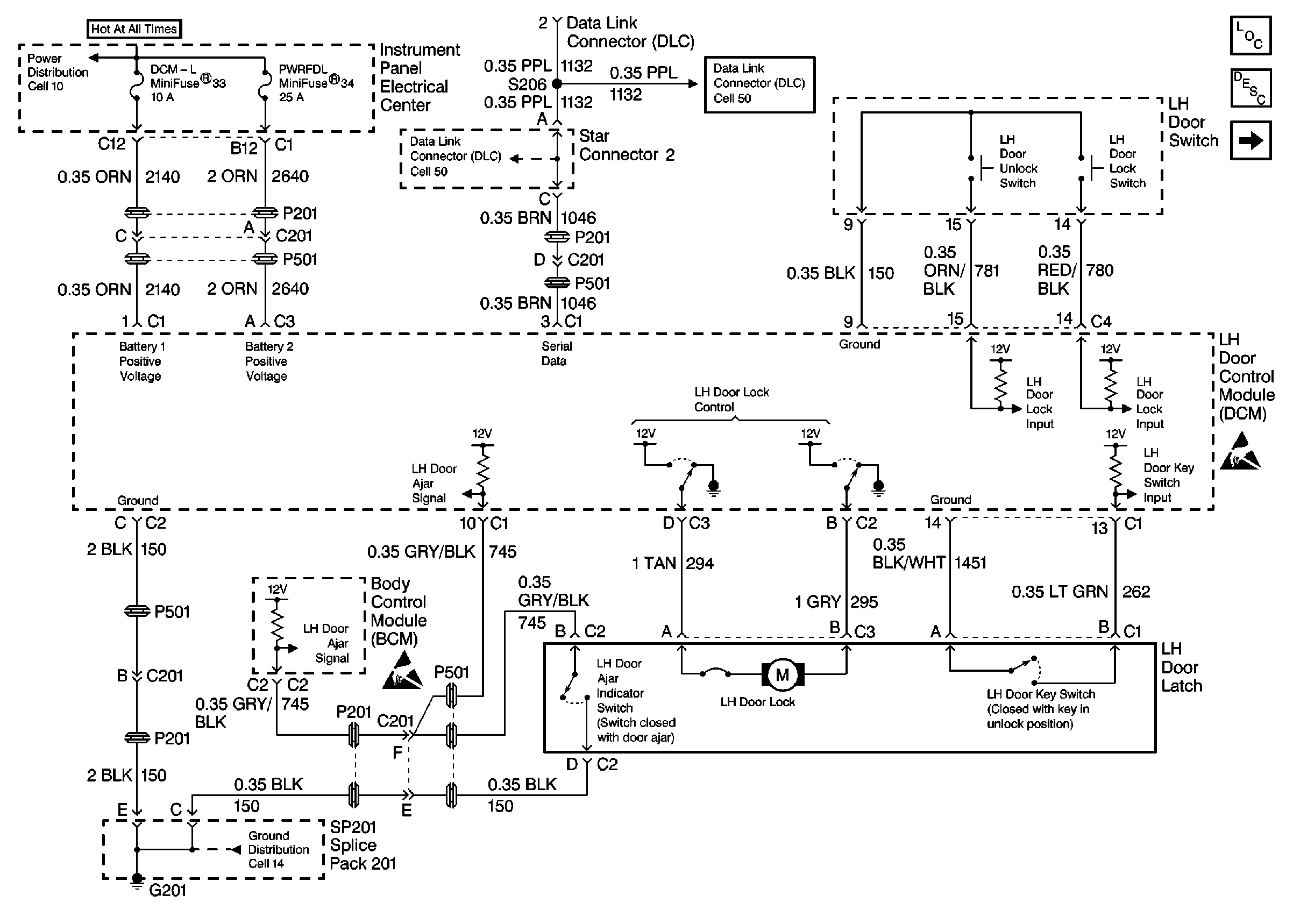
Cell 55: LH Door Power, Ground and Data Link Connector (DLC)


Object Number: 316206  Size: FS
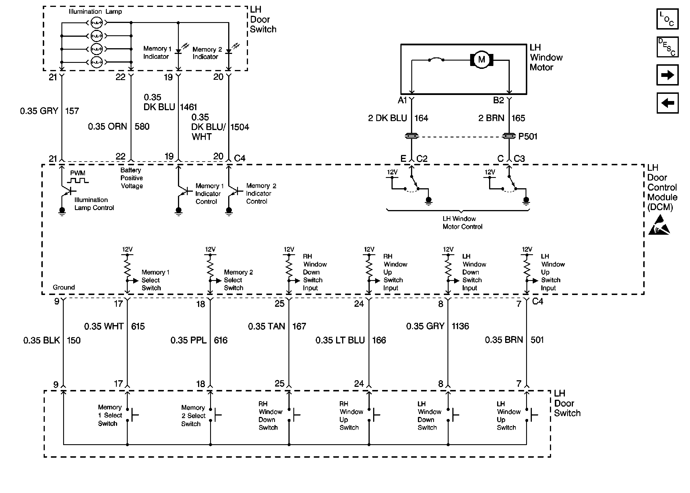
Figure 2:

Cell 55: LH Door Switch Inputs


Object Number: 316211  Size: FS
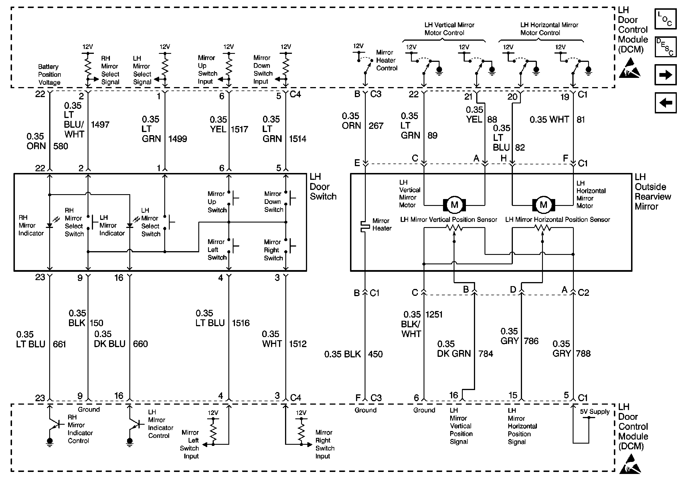
Figure 3:

Cell 55: LH Door Mirror Control


Object Number: 316215  Size: FS
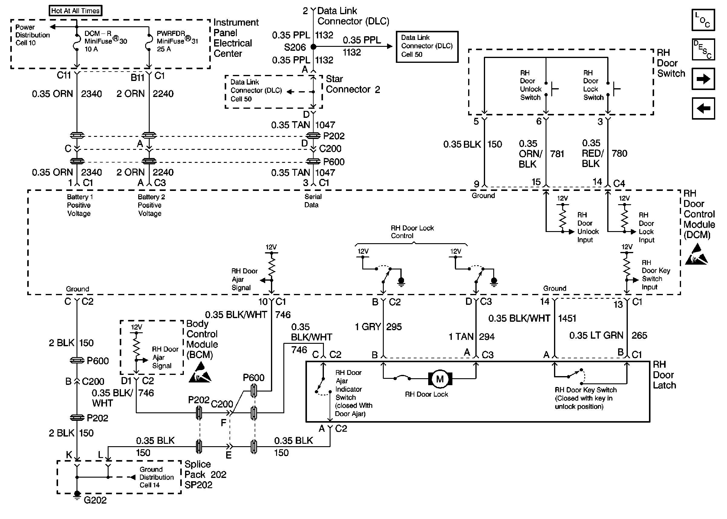
Figure 4:

Cell 55: RH Door Power, Ground and Data Link Connector (DLC)


Object Number: 316219  Size: FS
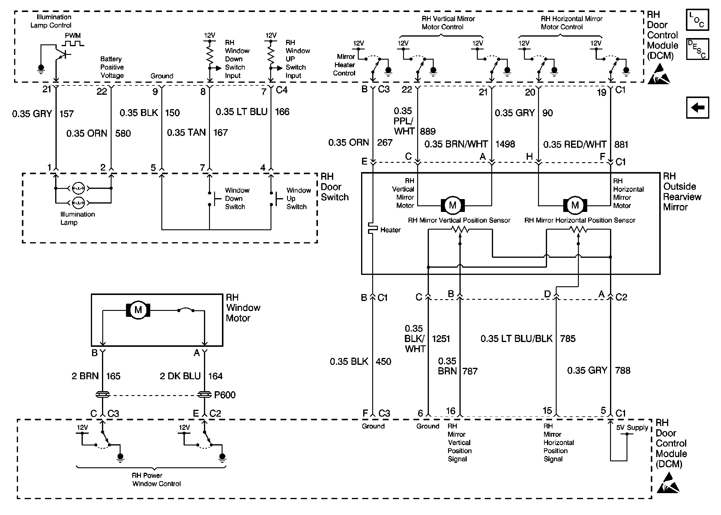
Figure 5:

Cell 55: RH Door Mirror and Window Control


Object Number: 316220  Size: FS