GM Service Manual Online
For 1990-2009 cars only
Figure 1:

Cell 134: Power and Ground


Object Number: 175572  Size: FS
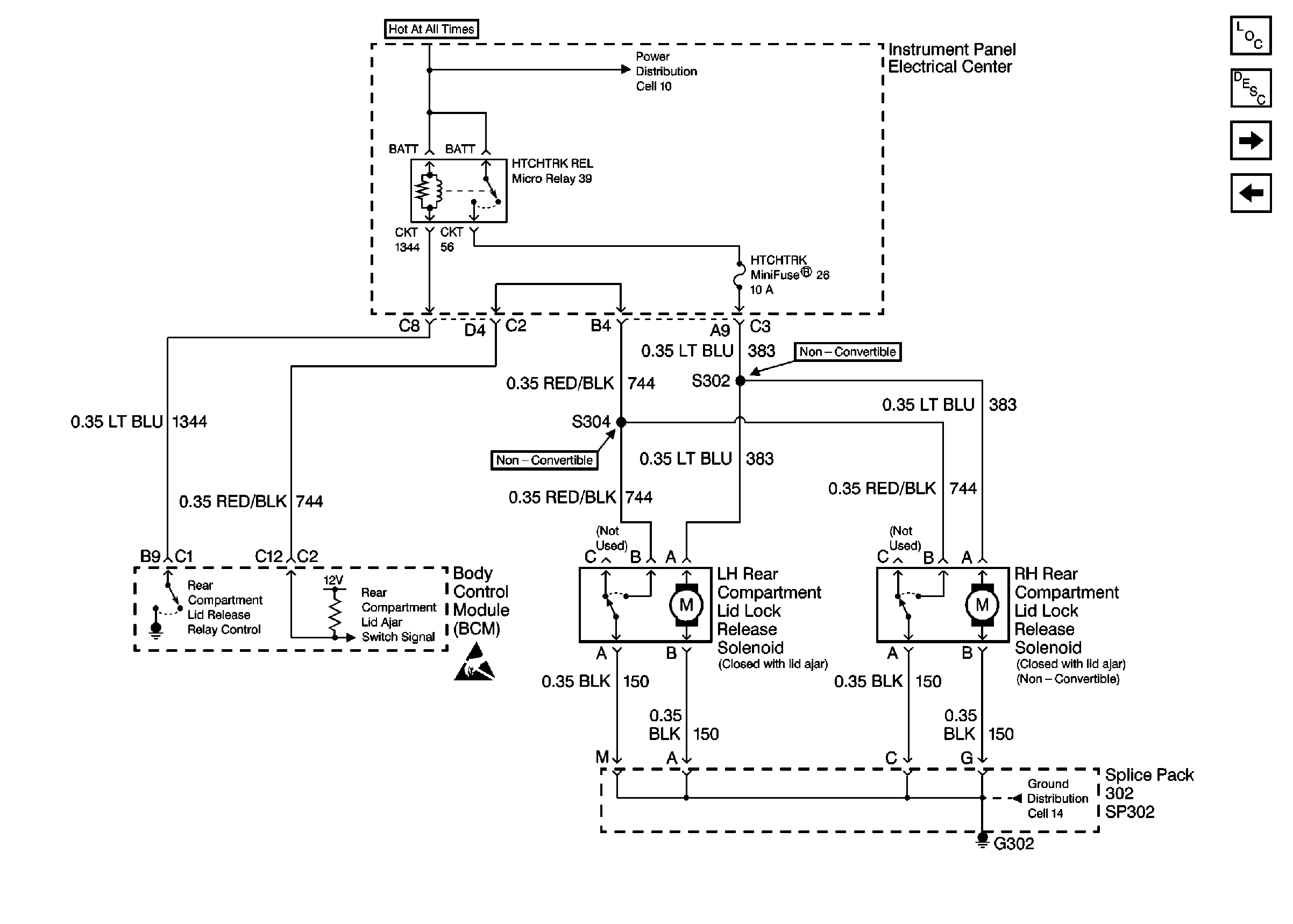
Figure 2:

Cell 134: Rear Compartment Lid Release


Object Number: 69860  Size: FS
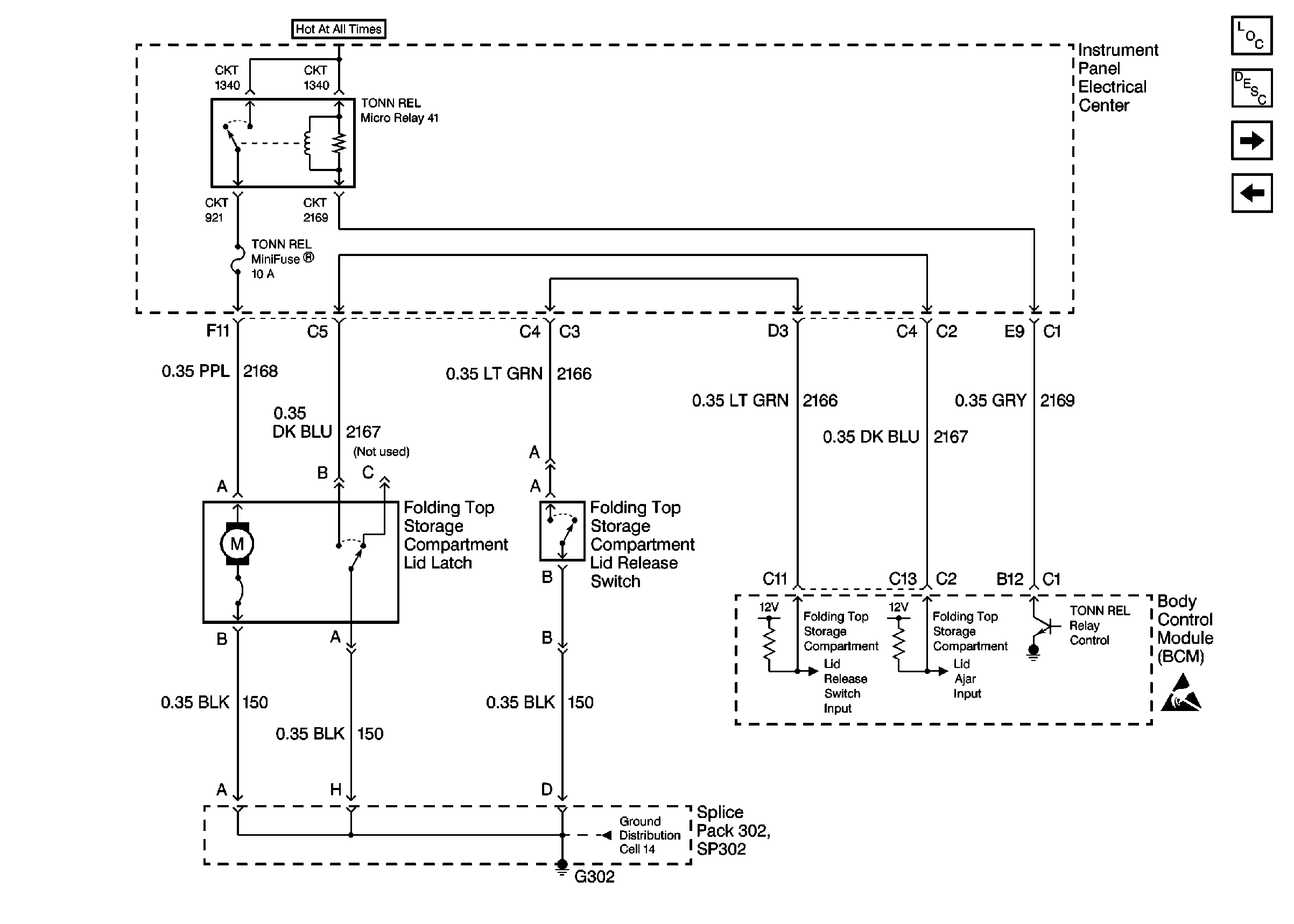
Figure 3:

Cell 134: Folding Top Control


Object Number: 339573  Size: FS
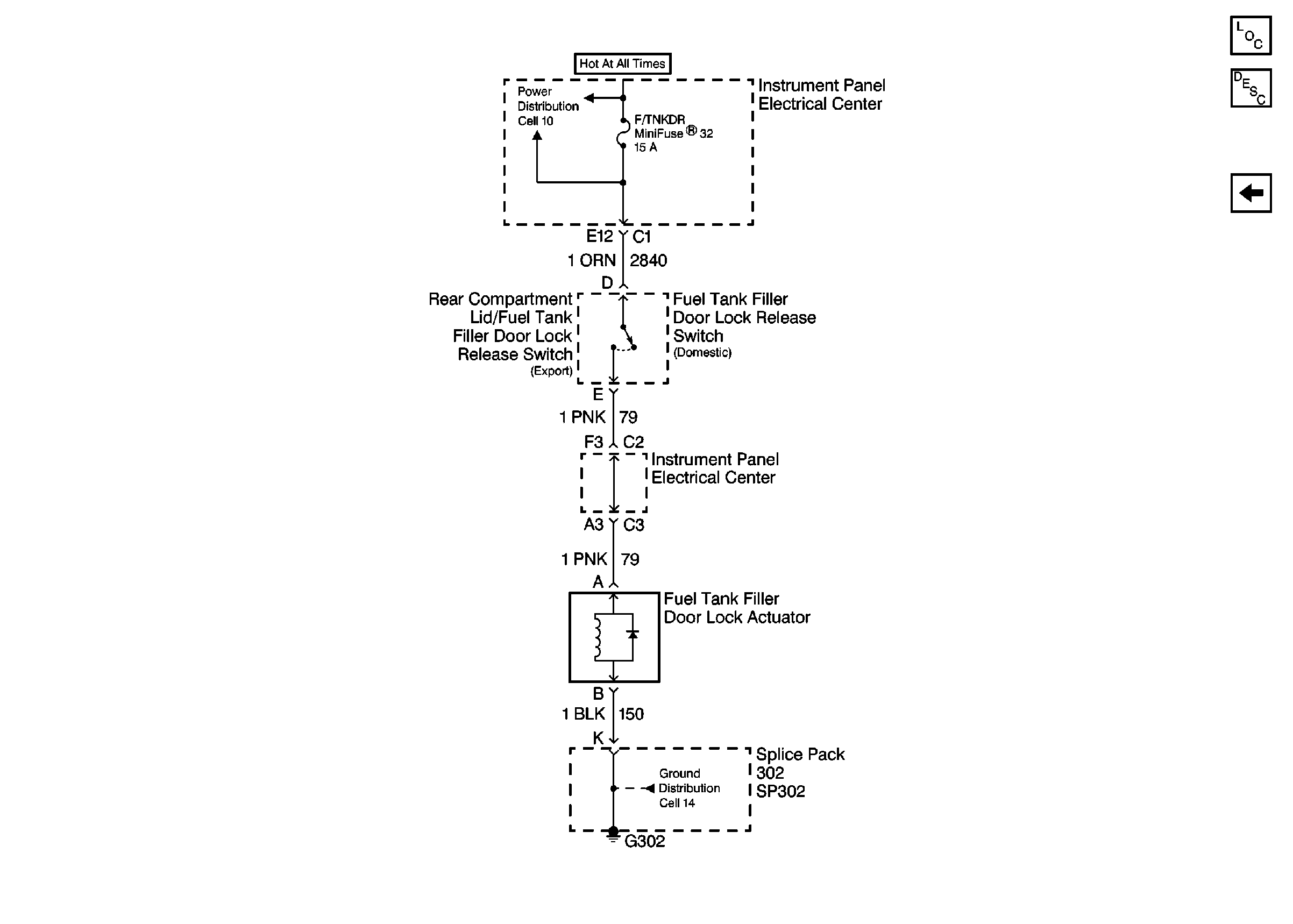
Figure 4:

Cell 134: Fuel Tank Filler Door Release


Object Number: 69861  Size: FS