GM Service Manual Online
For 1990-2009 cars only
Makes
🢒
Chevrolet
🢒
1997
🢒
Corvette
🢒
Body and Accessories
🢒
Seats
🢒 Power Seats Schematics
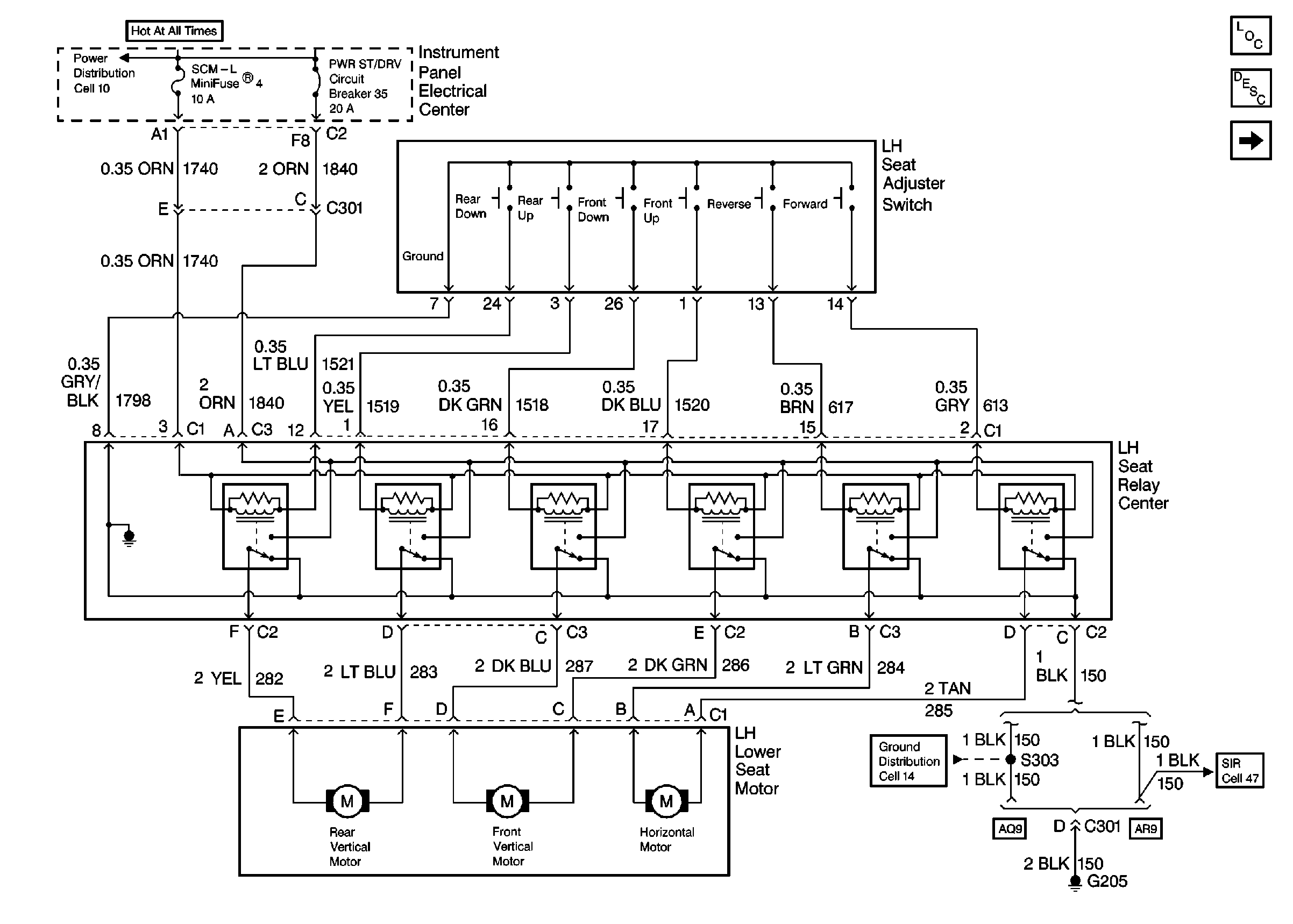
Figure
1:
Cell 140: Power, Ground and LH Relay Center
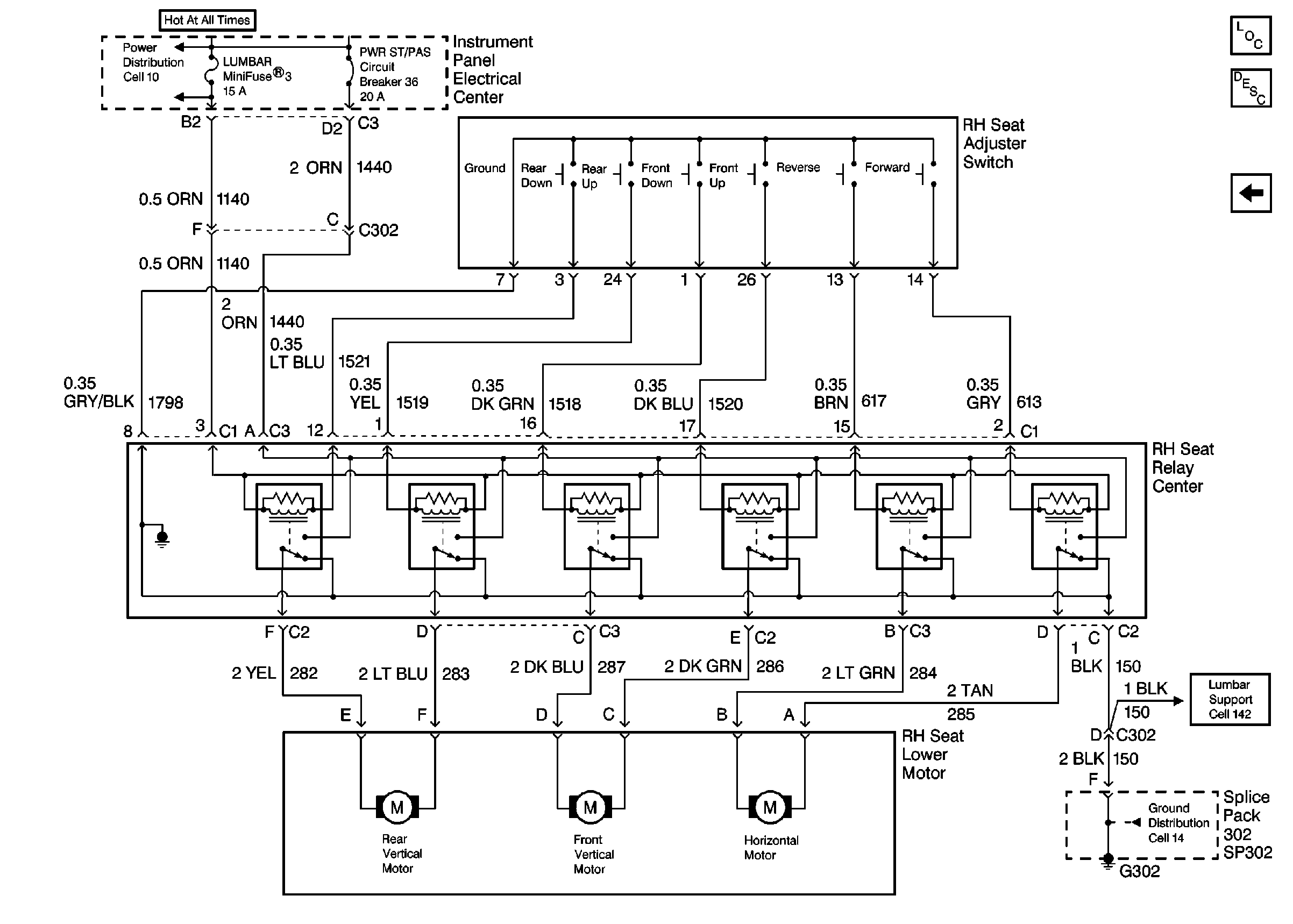
Figure
2:
Cell 140: Power, Ground and RH Relay Center