GM Service Manual Online
For 1990-2009 cars only
Makes
🢒
Chevrolet
🢒
1997
🢒
Corvette
🢒
Body and Accessories
🢒
Seats
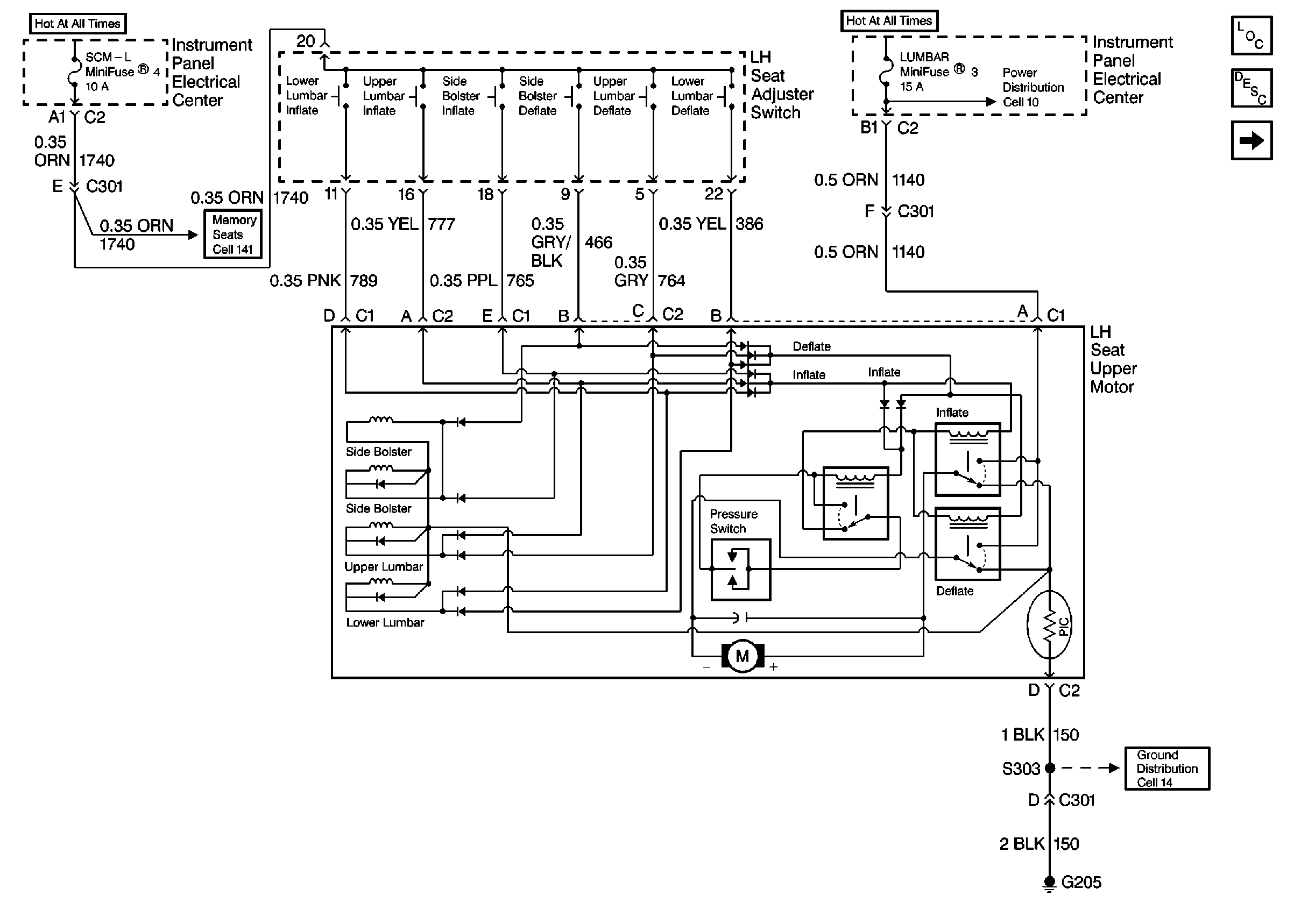
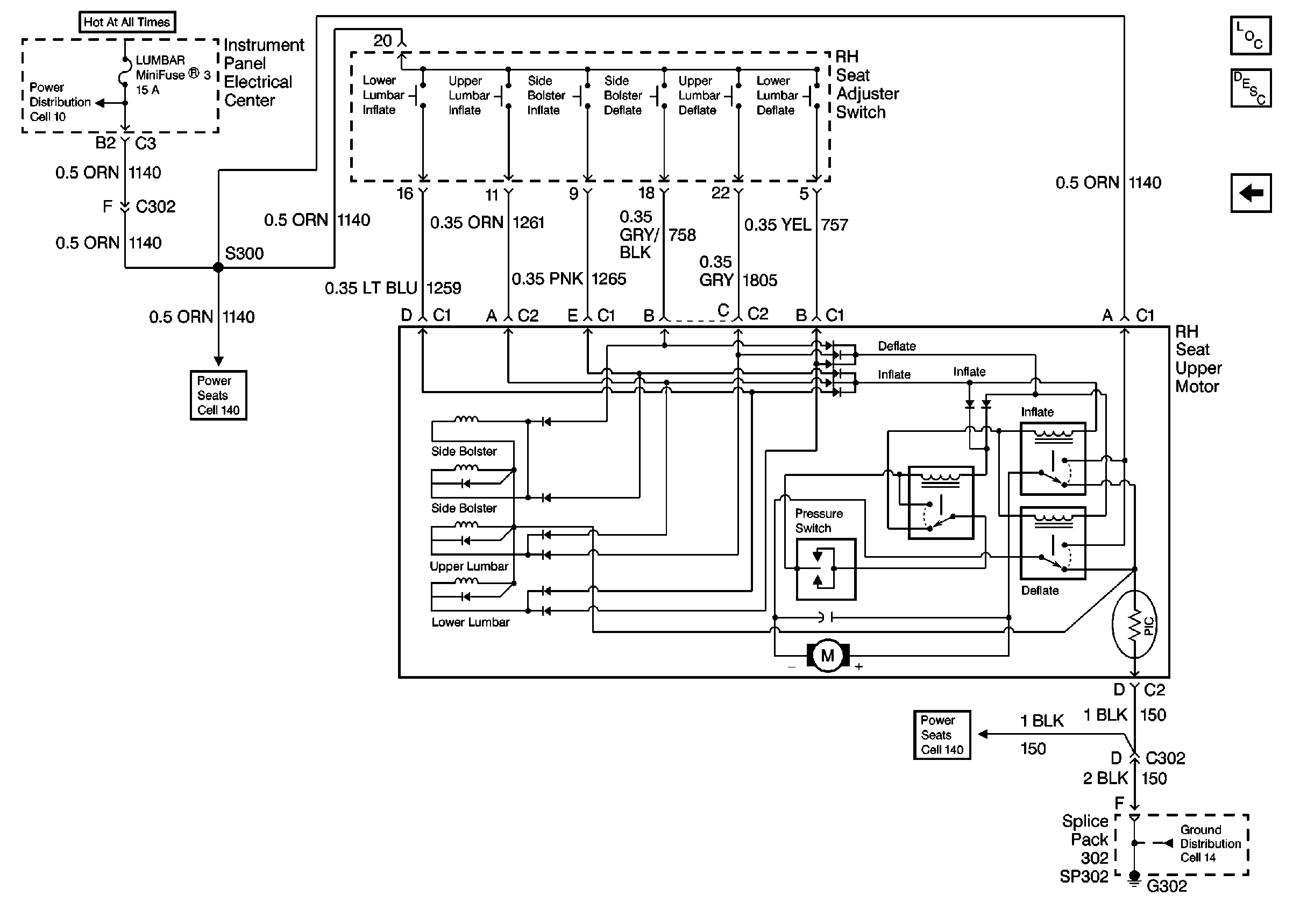
🢒 Lumbar Support Schematics
Figure
1:
Cell 142: LH Seat Upper Motor
Figure
2:
Cell 142: RH Seat Upper Motor