GM Service Manual Online
For 1990-2009 cars only

Electronic Steering Column Lock May Refuse to Operate - DIC Service Message Displayed (Update Column Lock Wiring, Install Revised Relay and/or Replace Electronic Column Lock)

Subject:Electronic Steering Column Lock May Refuse to Operate -- DIC Service Message Displayed (Update Column Lock Wiring, Install Revised Relay and/or Replace Electronic Column Lock)

Models:1997-1998 Chevrolet Corvette
2000 Chevrolet Corvette
Built Between the Following VIN Breakpoints:



Year

Plant

From VIN

Through VIN

1997

Bowling Green

All

1998

Bowling Green

W5100001

W5123354

2000

Bowling Green

Y5116234

End of Production

Condition

Important: This Service Bulletin only applies to vehicles that are NOT included in Customer Satisfaction Campaign 00104A Corvette Electronic Column Lock.

Some customers may comment that the electronic steering column may not function as intended. The condition could result in the failure of the steering column to unlock during initial key-in and start-up. The customer may also comment on a "Pull Key, Wait Ten Seconds" or a "Service Column Lock" message appearing on the Driver Information Center. Should the column fail to unlock, the PCM will disable the fuel to the engine, limiting the vehicle to approximately 3 km/h (2 mph).

Correction

The required repair varies depending on the model year, transmission and if the vehicle is domestic or export. Please refer to the chart below which outlines the proper parts to install with each combination.

Model Year

Transmission

Domestic/Export

Required Service

1997/98

Manual

U.S. & Canada

Replace the ECL P/N 26050960

1997/98

Automatic

U.S. & Canada

Install P/N 88952427 Harness Kit, Strg Whl Theft Dtrnt Lk Shorting, 26056108 Nut, Steering Wheel, Cam Orientation Plate

2000

Manual

U.S. & Canada

Replace the ECL and Install P/N 88952428 Wire Kit, Strg Whl Theft Dtrnt Lk

2000

Automatic

U.S. & Canada

Install P/N 88952427 Harness Kit, Strg Whl Theft Dtrnt Lk Shorting, 26056108 Nut, Steering Wheel, Cam Orientation Plate

1997/98

All

Export

Replace the ECL P/N 26050960

2000

All

Export

Replace ECL P/N 26050960 and Install P/N 88952428 Wire Kit, Strg Whl Theft Dtrnt Lk

Service Procedure

Important: 

   • When removing the driver's side knee bolster trim panel as described below, care must be taken not to damage the console trim plate as the knee bolster trim panel tucks in behind the console trim plate.
   • Revised schematics are included to aid and/or verify the proper installation of the service kit.

ECL Disconnect: 1997, 1998 and 2000 Models with Automatic Transmission (Domestic)

  1. Disconnect the negative battery cable.
  2. Disable the SIR module. Refer to Disabling the SIR System in the SIR sub-section of the Service Manual.
  3. Remove the driver's side SIR module from the steering wheel.
  4. Remove and discard the steering wheel set nut.
  5. Using J 1859-A and J 42120, remove the steering wheel.
  6. Remove the tilt steering lever.
  7. Remove the combination trunk release and fog light switch.
  8. Important: When removing the driver's side knee bolster trim panel as described below, care must be taken not to damage the console trim plate as the knee bolster trim panel tucks in behind the console trim plate.

  9. Remove the driver's side knee bolster trim retaining screws and panel. Pull back the console trim panel away from the I/P and disengage the knee bolster trim panel.
  10. Remove the wiper control stalk.
  11. Remove the lower and upper steering column shrouds. If the vehicle is equipped with power telescoping feature, disconnect the telescoping switch.
  12. Remove the snap ring and SIR coil from the steering column.

  13. Object Number: 802244  Size: SH
  14. Remove and discard the Steering Column Lock/Cam Orientation plate using the J 38364.
  15. Install the included Cam Orientation Plate and secure with a new locking ring, using J 42137 and J 38364 as shown.
  16. Install the SIR coil and secure with snap ring.
  17. Disconnect the connector from the ECL (located on the right lower side of the steering column) to the I/P main harness.

  18. Object Number: 802245  Size: SH
  19. Route the new jumper wire and relay harness over the knee bolster (styrofoam and metal construction). The new relay (1) must be mounted to the left I/P brace with a zip tie as shown.
  20. Install the new relay and jumper harness. Plug one end of the jumper harness into the connector on the I/P harness side. Plug the other end into the connector on the ECL side. The connectors on the jumper are specific and cannot be connected incorrectly. The connector becomes J165/P165.
  21. Install the lower and upper steering column shrouds.
  22. Install the wiper control stalk.
  23. Install the tilt steering lever.
  24. Install the steering wheel to the steering column.
  25. Install a new steering wheel set nut, P/N 26056108.
  26. Tighten
    Tighten the new steering wheel set nut to 41 N·m(30 lb ft).

  27. Install the SIR module to the steering wheel.
  28. Install the driver's side knee bolster trim panel.
  29. Enable the SIR module. Refer to Enabling the SIR System in the SIR sub-section of the Service Manual.
  30. Reconnect the battery.
  31. Cycle the ECL. Depending on the position of the relay and the ECL bolt when the key is first turned on, you may receive the message "Pull Key and wait 10 sec." upon key on. If you receive the warning message, follow the instructions, key off and remove the key from the ignition. Wait a full ten seconds, re-insert the key and turn the key to the ON position. From this point, the ECL and relay should be synchronized.

ECL Upgrade: 1997,1998 and 2000 Models with Manual Transmission or Export Vehicles

 

Important: In order to complete the repairs for the vehicles referenced above, you must order P/N 26056108 Nut, Steering Wheel and P/N 26050960 Lock, Strg Whl Theft Dtrnt.

  1. Disconnect the negative battery cable.
  2. Disable the SIR module. Refer to Disabling the SIR System in the SIR sub-section in the Service Manual.
  3. Remove the driver's side SIR module from the steering wheel.
  4. Remove and discard the steering wheel set nut.
  5. Using J 1859-A and J 42120, remove the steering wheel.
  6. Remove the tilt steering lever.
  7. Remove the combination trunk release and fog light switch.
  8. Important: When removing the driver's side knee bolster trim panel as described below, care must be taken not to damage the console trim plate as the knee bolster trim panel tucks in behind the console trim plate.

  9. Remove the driver's side knee bolster screws and trim panel. Pull back the console trim panel away from the I/P and disengage the knee bolster trim panel.
  10. Remove the wiper control stalk.
  11. Remove the lower and upper steering column shrouds. If the vehicle is equipped with a power telescoping feature, disconnect the telescoping switch.
  12. Remove the snap ring and SIR coil from the steering column.
  13. Remove the steering column lock plate with J 38364.

  14. Object Number: 802244  Size: SH
  15. Disconnect the ECL electrical harness (located on the right lower side of the steering column) to the I/P main harness.
  16. Remove the ECL from the vehicle and discard.
  17. Install a new ECL.
  18. Connect the ECL electrical harness.
  19. Install the steering column locking plate using J 38364.
  20. Install the SIR coil and secure with snap ring.
  21. Install the lower and upper steering column shrouds. Connect the telescoping wheel switch harness (if equipped)
  22. Install the wiper control stalk.
  23. Install the tilt steering lever.
  24. Install a new steering wheel set nut.
  25. Tighten
    Tighten the new steering wheel set nut to 41 N·m(30 lb ft).

  26. Install the SIR module to the steering wheel.
  27. Important: If the vehicle being serviced is a 2000 MY Manual Transmission or any 2000 MY Export, you MUST perform additional steps. At this time, refer to Wiring Upgrades for 2000 Manual Trans and Export below.

  28. Install the driver's side knee bolster trim panel. Refer to Wiring Upgrades section below if vehicle is a 2000 MY Manual Trans. or Export.
  29. Enable the SIR module. Refer to Enabling the SIR System in the SIR sub-section of the Service Manual.
  30. Reconnect the battery.
  31. Cycle the ECL. Depending on the position of the relay and the ECL locking bolt when the key is first turned on, you may receive the message "Pull key and wait 10 sec." upon key-on. If you receive the warning message, follow the instructions, key-off, and remove the key from the ignition. Wait a full ten seconds, re-insert the key and turn the key to the ON position. From this point, the ECL and relay should be synchronized.
  32. Close the hood.

Wiring Upgrades for 2000 Models with Manual Transmission and Export Vehicles

 

Important: 

   • In order to complete the wiring upgrades listed in the section, you will need to order P/N 88952428, Wire Kit, Strg Wheel Theft Dtrnt.
   • You may use the included schematics to aid in verifying the installation of the new relay and jumper wire.

  1. Remove the passenger side kick panel to access the electrical panel.
  2. Release the retainer holding the BCM.

  3. Object Number: 802246  Size: SH
  4. Disconnect the green 16-way connector from the BCM. The proper connector is illustrated. (BCM rotated 90 degrees)
  5. Remove the purple wire and terminal from cavity A6 of the BCM connector.
  6. Install the heat shrink tubing over the wire and connect the removed terminal to the jumper wire.
  7. Apply the heat shrink tubing to the splice point and heat.
  8. Install the jumper wire terminal into cavity A6 of the BCM connector.
  9. Remove the Connector Position Assurance (CPA) clip from the back of the ECL relay connector.
  10. Remove the ECL relay harness from the backside of the relay assembly.
  11. Remove the relay.
  12. Remove the orange wire from position C1 on the ECL relay connector.
  13. Remove the white wire from position A2 on the ECL relay connector.
  14. Swap the two terminal positions and re-insert, orange wire to A2 and white wire to C1.
  15. Add the new purple wire from the jumper to terminal position B2.
  16. Install the new single pole, double throw relay.
  17. Install the Green 16-way connector to the BCM.
  18. Secure the BCM to the electrical panel.
  19. Tape the new purple wire neatly to another group of wires along it's path.
  20. Install the electrical center kick panel cover.
  21. Return to Step 25 under ECL Upgrade 1997, 1998 and 2000 Models with Manual Transmission or Export Vehicles.

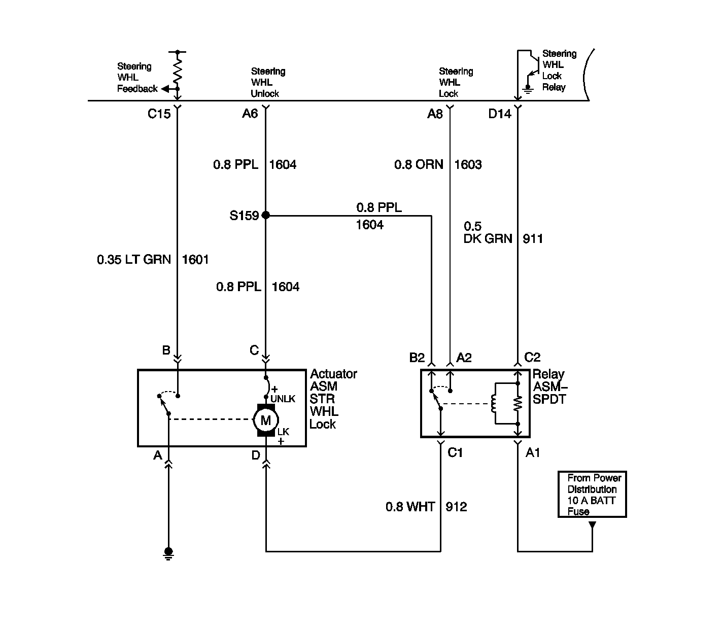
1997 and 1998 (early) Manual (U.S. & Canada and All Export (Manual & Auto)


Object Number: 814820  Size: LF

1997 and 1998 (early) Automatic (U.S. & Canada)


Object Number: 814819  Size: LF

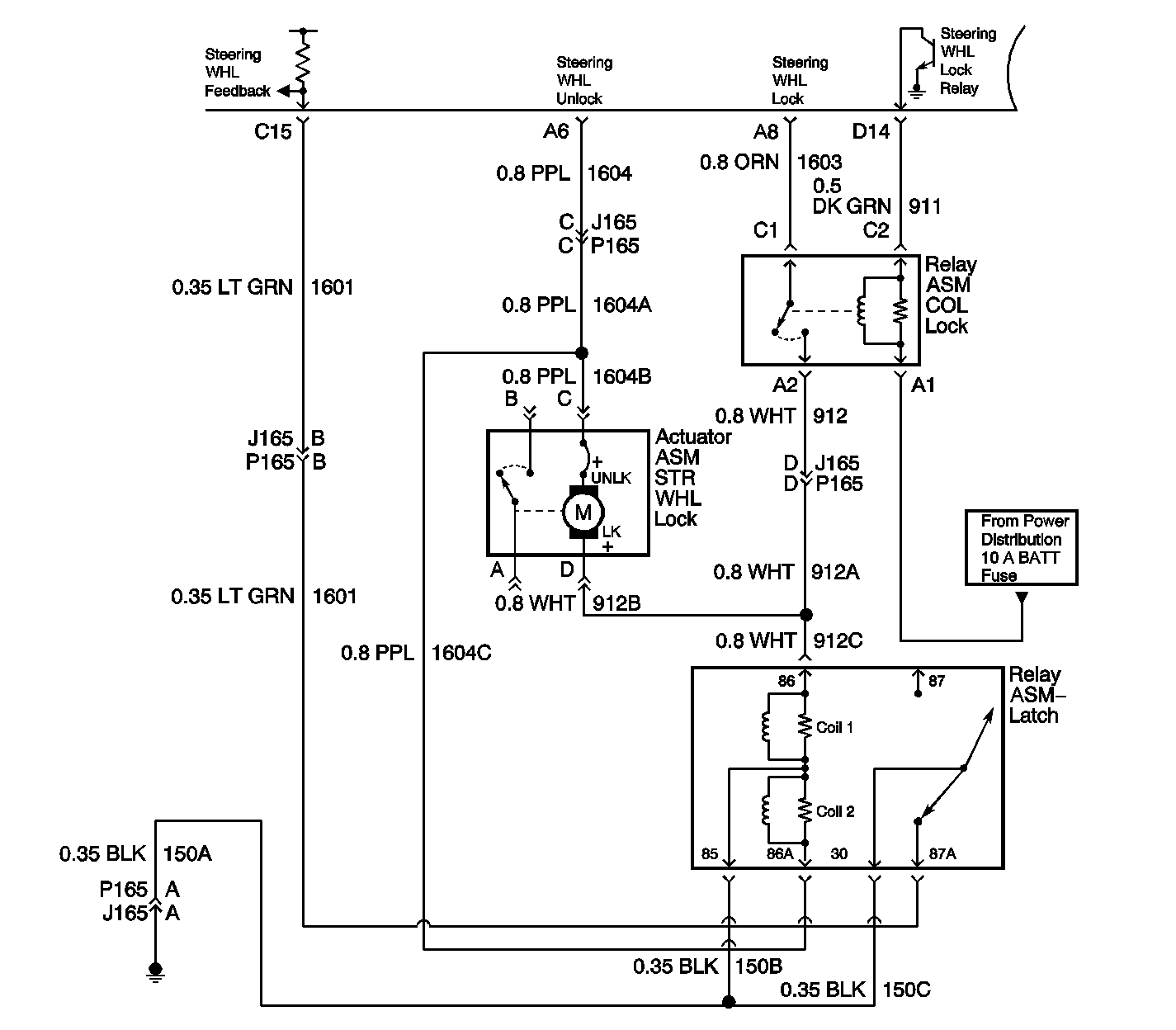
2000 (late) Manual and All Export


Object Number: 812356  Size: LF

2000 (late) Automatic (U.S. & Canada)


Object Number: 802248  Size: LF

Parts Information

Part Number

Description

26050960

Lock, Strg Whl Theft Dtrnt

26056108

Nut, Steering Wheel

88952427

Harness Kit, Strg Whl Theft Dtrnt Lk Shorting

88952428

Wire Kit, Strg Whl Theft Dtrnt Lk

Parts are currently available from GMSPO.

Warranty Information

For vehicles repaired under warranty, use:

Labor Operation

Description

Labor Time

N8505

ECL -- Replace (1997, 1998,2000 Manual Trans and All Export) and ECL Disable (All Domestic w/Auto Trans)

0.8 hr

Add

To install SPDT relay and revise wiring (2000 MY Manual Trans. and All 2000 Export)

0.4 hr