GM Service Manual Online
For 1990-2009 cars only
Makes
🢒
Chevrolet
🢒
1997
🢒
Corvette
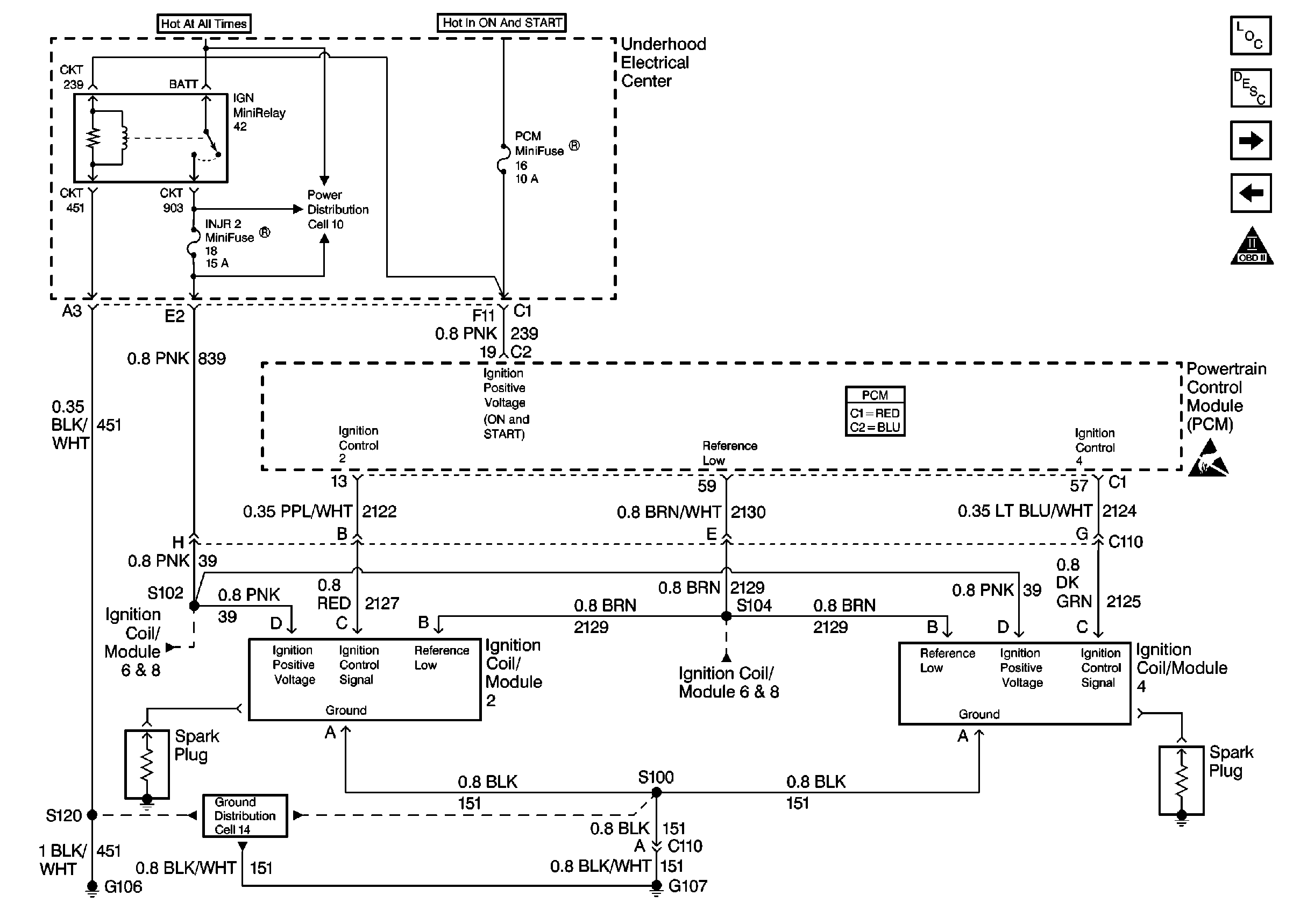
🢒 Cell 20: Ignition Coil/Module Cylinders #2 & #4
Cell 20: Ignition Coil/Module Cylinders #2 & #4
Cell 20: Ignition Coil/Module Cylinders #2 & #4