GM Service Manual Online
For 1990-2009 cars only
Makes
🢒
Chevrolet
🢒
1997
🢒
Corvette
🢒 Cell 20: Automatic Transmission Controls
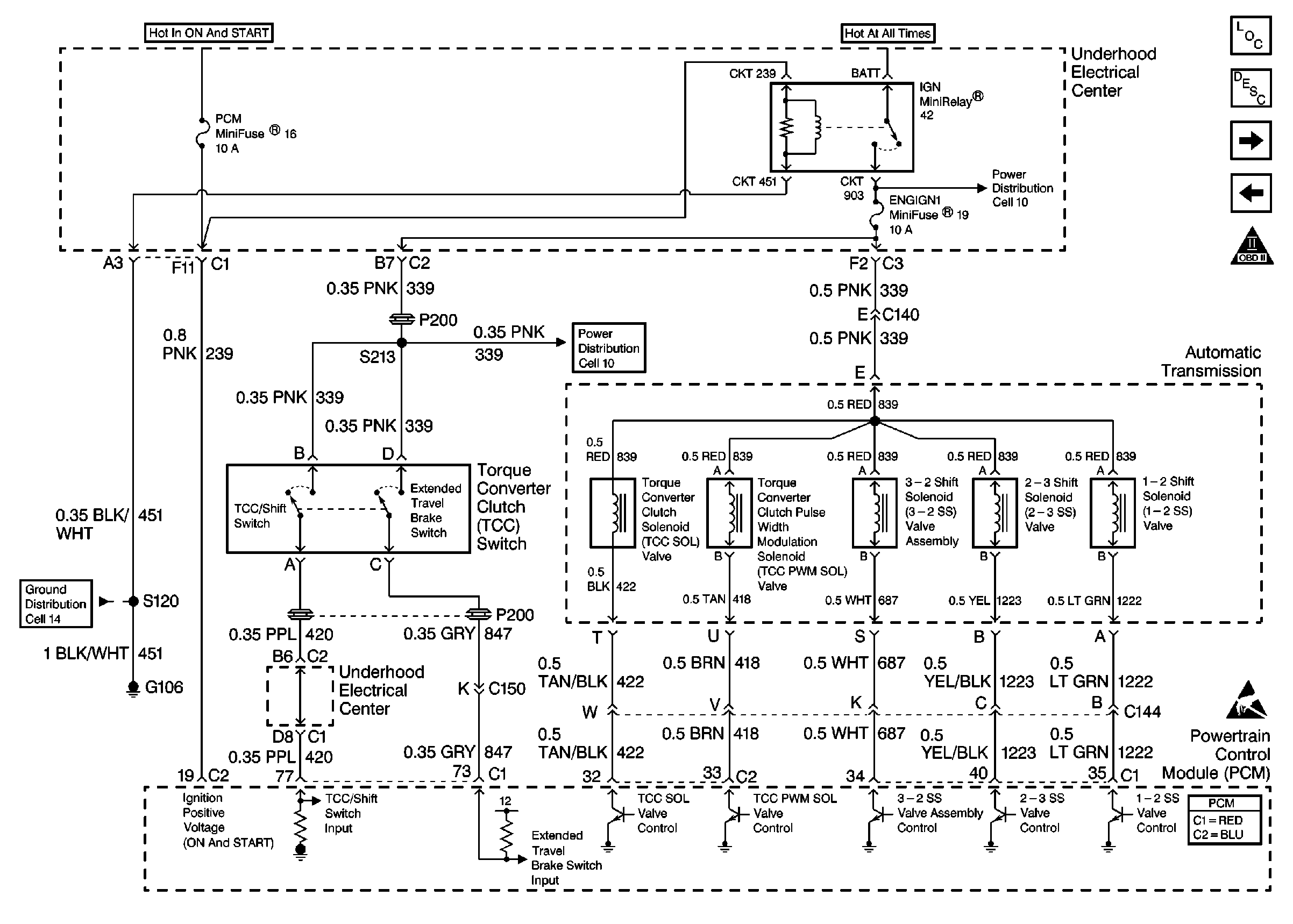
Cell 20: Automatic Transmission Controls
Cell 20: Automatic Transmission Controls