GM Service Manual Online
For 1990-2009 cars only

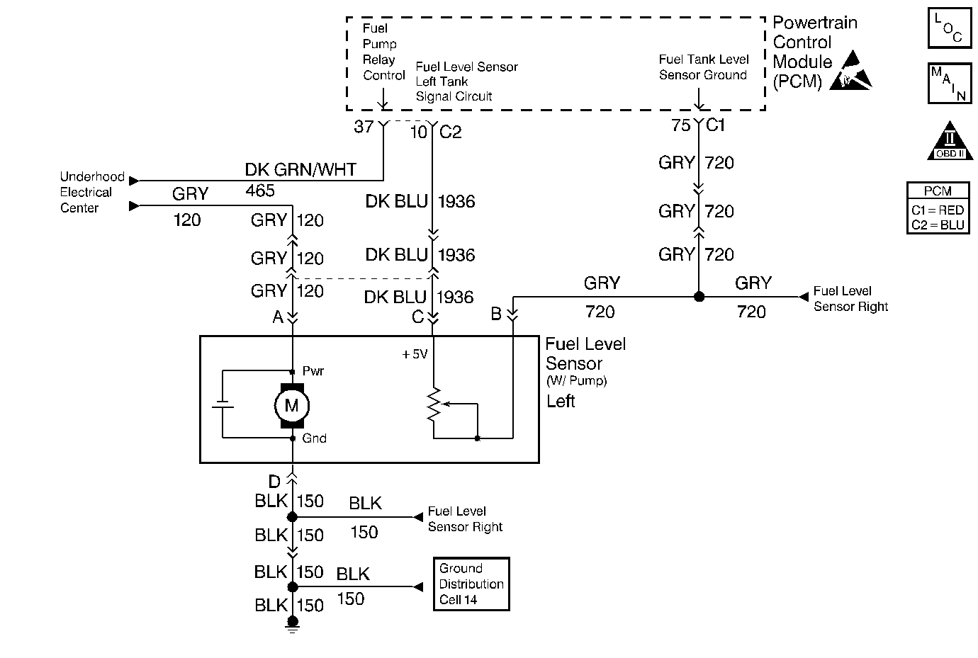
Object Number: 70701  Size: MF
Engine Controls Components
Cell 20: Fuel Pump and Fuel Level Sensors
OBD II Symbol Description Notice
Handling ESD Sensitive Parts Notice

Circuit Description

The PCM uses a common 5.0 Volt Reference circuit as a sensor feed to the fuel level sensor (left tank)

The PCM monitors the voltage on the 5.0 Volt Reference circuit. If the voltage is out of range, this DTC sets.

Conditions for Setting the DTC

    • The 5.0 volt reference circuit is out of range.
    • The above condition is present for greater than 2 seconds.

Action Taken When the DTC Sets

    • The PCM illuminates the malfunction indicator lamp (MIL) on the second consecutive ignition cycle that the diagnostic runs and fails.
    • The PCM records the operating conditions at the time the diagnostic fails. The first time the diagnostic fails, the PCM stores this information in the Failure Records. If the diagnostic reports a failure on the second consecutive ignition cycle, the PCM records the operating conditions at the time of the failure. The PCM writes the conditions to the Freeze Frame and updates the Failure Records.

Conditions for Clearing the MIL/DTC

    • The PCM turns OFF the malfunction indicator lamp (MIL) after 3 consecutive ignition cycles that the diagnostic runs and does not fail.
    • A last test failed, or current DTC, clears when the diagnostic runs and does not fail.
    • A history DTC clears after 40 consecutive warm-up cycles, if no failures are reported by this or any other emission related diagnostic.
    • Use a scan tool in order to clear the MIL and the DTC.

Diagnostic Aids

A fuel level sensor (right tank) signal circuit that is shorted to B+ may set this DTC.

Using the Freeze Frame and/or Failure Records data may aid in locating an intermittent condition. If you cannot duplicate the DTC, the information included in the Freeze Frame and/or Failure Records data can help determine how many miles since the DTC set. The Fail Counter and Pass Counter can also help determine how many ignition cycles the diagnostic reported a pass and/or a fail. Operate vehicle within the same freeze frame conditions (RPM, load, vehicle speed, temperature etc.) that you observed. This will isolate when the DTC failed. For an intermittent condition, refer to Symptoms .

Test Description

The numbers below refer to the step numbers on the Diagnostic Table.

  1. This step will isolate the fuel level sensor signal circuit.

  2. This step checks for the fuel level sensor signal circuit for being shorted to the fuel pump feed circuit.

  3. This step checks for the fuel level sensor signal circuit for being shorted to ground.

  4. This step checks for the fuel level sensor signal circuit for being shorted to ground internally in the fuel tank.

  5. This step checks for the fuel level sensor signal circuit for being shorted to another circuit in the same PCM connector.

Step

Action

Value(s)

Yes

No

1

Did you perform the Powertrain On-Board Diagnostic (OBD) System Check?

 

Go to Step 2

Go to Powertrain On Board Diagnostic (OBD) System Check

2

  1. Turn OFF the ignition.
  2. Disconnect the PCM connector located on the same side as the manufacture's logo.
  3. Turn ON the ignition leaving the engine OFF.
  4. Connect a DMM J 39200 to ground.
  5. Probe the signal circuit for the fuel level sensor (left tank) using a brown adapter from the J 35616 terminal kit.

Does the DMM display a voltage greater than the specified value?

0V

Go to Step 7

Go to Step 3

3

  1. Probe the fuel pump control circuit using a brown adapter from the J 35616 terminal kit.
  2. Jumper the fuel pump control circuit to B+ with a fused jumper wire.
  3. Probe the signal circuit for the fuel level sensor (left tank) using a DMM J 39200 connected to ground.

Does the DMM display a voltage greater than the specified value?

0V

Go to Step 8

Go to Step 4

4

  1. Turn OFF the ignition.
  2. Disconnect the fuel level sensor (left tank) at the fuel tank.
  3. Turn ON the ignition leaving the engine OFF.
  4. Connect a test lamp J 35616-200 to B+.
  5. Probe the signal circuit for the fuel level sensor (left tank) with the test lamp using a brown adapter from the J 35616 terminal kit.

Does the test lamp illuminate?

 

Go to Step 9

Go to Step 5

5

  1. Check the resistance between the fuel level sensor (left tank) signal circuit and the ground circuits at the fuel tank connector (fuel tank side).

Does the DMM indicate a resistance less than the specified value?

5ohms

Go to Step 11

Go to Step 6

6

Check the PCM harness for continuity between the fuel level sensor (left tank) and all the other circuits in the disconnected PCM connector.

Do any of the circuits indicate a resistance within the specified range?

0-5ohms

Go to Step 10

Go to Step 12

7

Repair the short to voltage on fuel level sensor (left tank) signal circuit.

Is the action complete?

 

Go to Step 13

 

8

Repair the short between the fuel level sensor (left tank) signal circuit and the fuel pump feed circuit.

Is the action complete?

 

Go to Step 13

 

9

Repair the short to ground on the fuel level sensor (left tank) signal circuit.

Is the action complete?

 

Go to Step 13

 

10

Repair the circuits that are shorted together.

Is the action complete?

 

Go to Step 13

 

11

Replace the fuel level sensor (left tank). Refer to Fuel Sender Assembly Replacement .

Is the action complete?

   

12

Important:: Program the replacement PCM. Refer to Powertrain Control Module/Throttle Actuator Control Module Replacement

Replace the PCM.

Is the action complete?

 

Go to Step 13

 

13

  1. Select the Diagnostic Trouble Code (DTC) option and the Clear DTC option using the scan tool.
  2. Idle the engine at the normal operating temperature.
  3. Select the Diagnostic Trouble Code (DTC) option and the Specific DTC option, then enter the DTC number using the scan tool.
  4. Operate vehicle within the conditions for setting this DTC as specified in the supporting text, if applicable.

Does the scan tool indicate that this test ran and passed?

 

Go to Step 14

 

14

Select the Capture Info option and the Review Info option using the scan tool.

Does the scan tool display any DTCs that you have not diagnosed?

 

Go to applicable DTC table

System OK