GM Service Manual Online
For 1990-2009 cars only

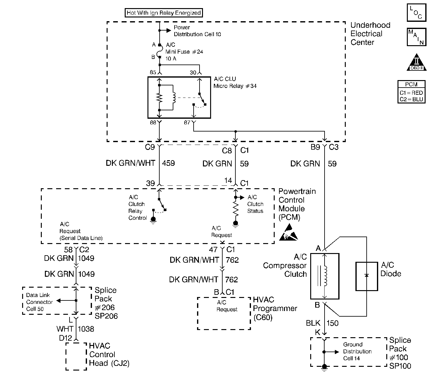
Object Number: 101348  Size: LF
OBD II Symbol Description Notice
Engine Controls Components
Cell 20: A/C Compressor Controls
Handling ESD Sensitive Parts Notice

Circuit Description

Ignition voltage is supplied directly to the A/C compressor clutch relay coil. The PCM controls the relay by grounding the control circuit via an internal switch called a driver. The primary function of the driver is to supply the ground for the controlled component. Each driver has a fault line which the PCM monitors. When the PCM commands a component ON, the voltage of the control circuit should be low (near 0 volts). When the PCM is commanding the control circuit to a component OFF, the voltage potential of the circuit should be high (near battery voltage). If the fault detection circuit senses a voltage other than what the circuit expects, the fault line status changes causing the DTC to set.

The relay controls the high current flow to the A/C compressor clutch. This allows the PCM driver to only have to handle the relatively low current used by the relay.

Conditions for Setting the DTC

    • DTCs P0106, P0113, P0500, P0502, P0560, P0562, P1133, P1135, P1136, P1153, P1154, P1532, P1539, P1543 are not set.
    • The engine speed is greater than 600 RPM.
    • The PCM detects that the commanded state of the driver and the actual state of the control circuit do not match.
    • Condition must exist for a minimum of 10.0 seconds.

Action Taken When the DTC Sets

    • The powertrain control module (PCM) stores the DTC information into memory when the diagnostic runs and fails.
    • The malfunction indicator lamp (MIL) will not illuminate.
    • The PCM records the operating conditions at the time the diagnostic fails. The PCM stores this information in the Failure Records.

Conditions for Clearing the MIL/DTC

    • A last test failed, or the current DTC, clears when the diagnostic runs and does not fail.
    • A history DTC clears after 40 consecutive warm-up cycles, if failures are not reported by this or any other emission related diagnostic.
    • Use a scan tool in order to clear the MIL/DTC.

Diagnostic Aids

A/C Clutch Relay Underhood Electrical Center Terminal Identification

Front of Vehicle

Left Side of Vehicle

Ignition

Load

Right Side of Vehicle

Ignition

Control

Using the Freeze Frame and/or Failure Records data may aid in locating an intermittent condition. If you cannot duplicate the DTC, the information included in the Freeze Frame and/or Failure Records data can help determine how many miles since the DTC set. The Fail Counter and Pass Counter can also help determine how many ignition cycles the diagnostic reported a pass and/or a fail. Operate vehicle within the same freeze frame conditions (RPM, load, vehicle speed, temperature etc.) that you observed. This will isolate when the DTC failed. For an intermittent condition, refer to Symptoms .

Test Description

The numbers below refer to the step numbers on the diagnostic table.

  1. Listen for an audible click when the relay operates. Command both the ON and the OFF states as necessary.

  2. In order to detect excessive current flow energize the relay for 2 minutes. Energizing the relay for 2 minutes warms the relay coil. When the relay is warm the coil may open (the current draw drops to 0), or short (the current goes above 0.75 Amps).

  3. It is important to identify and test the relay coil terminals to avoid improper diagnosis.

  4. If no trouble is found in the control circuit or the connection at the PCM, the PCM may be faulty, however, this is an extremely unlikely failure.

  5. This DTC will not report a pass. The scan tool status for this DTC will never report a pass. The scan tool will only display when the diagnostic fails. The repair is not complete if the scan tool indicates that the diagnostic ran and failed.

Step

Action

Value(s)

Yes

No

1

Did you perform the Powertrain On-Board Diagnostic (OBD) System Check?

--

Go to Step 2

Go to Powertrain On Board Diagnostic (OBD) System Check

2

  1. Turn ON the ignition leaving the engine OFF.
  2. Command the relay ON and OFF using a scan tool.

Does the relay turn ON and OFF when commanded?

--

Go to Step 3

Go to Step 5

3

  1. Turn OFF the ignition.
  2. Disconnect the PCM connector located on the opposite side of the manufacturer's logo. Refer to Powertrain Control Module/Throttle Actuator Control Module Replacement .
  3. Turn ON the ignition.
  4. Measure the current from the relay control circuit in the PCM harness connector to a ground for 2 minutes using a DMM J 39200 set on the 10 Amp scale.

Does the current draw measure less than the value shown (but not 0)?

0.75A

Go to Diagnostic Aids

Go to Step 4

4

  1. Turn OFF the ignition.
  2. Disconnect the relay.
  3. Measure the resistance from the relay control circuit in the PCM harness connector to a ground using a DMM J 39200 .

Does the DMM display infinite resistance?

--

Go to Step 12

Go to Step 10

5

  1. Turn OFF the ignition.
  2. Disconnect the relay.
  3. Connect the test lamp J 35616-200 between the A/C Clutch relay control circuit and the ignition feed circuit at the underhood electrical center. Refer to Diagnostic Aids for terminal identification.
  4. Turn ON the ignition.
  5. Command the relay ON and OFF using a scan tool.

Does the test lamp turn ON and OFF with each command?

--

Go to Step 8

Go to Step 6

6

Probe the A/C Clutch relay ignition feed circuits in the underhood electrical center with the test lamp connected to a ground. Refer to Diagnostic Aids for terminal identification.

Does the test lamp illuminate for both circuits?

--

Go to Step 7

Go to Step 11

7

  1. Turn OFF the ignition.
  2. Reconnect the relay.
  3. Disconnect the PCM connector located on the opposite side of the manufacturer's logo. Refer to Powertrain Control Module/Throttle Actuator Control Module Replacement .
  4. Turn ON the ignition.
  5. Probe the relay control circuit in the PCM harness connector with a fused jumper wire connected to a ground.

Does the relay operate?

--

Go to Step 9

Go to Step 10

8

Check the connections at the relay.

Did you find and correct the condition?

--

Go to Step 14

Go to Step 12

9

Check the connections at the PCM.

Did you find and correct the condition?

--

Go to Step 14

Go to Step 13

10

Repair the faulty relay control circuit.

Is the action complete?

--

Go to Step 14

--

11

Repair the faulty relay battery feed circuit.

Is the action complete?

--

Go to Step 14

--

12

Replace the relay.

Is the action complete?

--

Go to Step 14

--

13

Important:: Program the replacement PCM. Refer to Powertrain Control Module/Throttle Actuator Control Module Replacement .

Replace the PCM.

Is the action complete?

--

Go to Step 14

--

14

  1. Select the Diagnostic Trouble Code (DTC) option and the Clear DTC Information option using the scan tool.
  2. Idle the engine at the normal operating temperature.
  3. Select the Diagnostic Trouble Code (DTC) option and the Specific DTC option, then enter the DTC number using the scan tool.
  4. Operate the vehicle within the Conditions for Setting the DTC as specified in the supporting text, if applicable.

Does the scan tool indicate that this test failed?

--

Go to Step 2

Go to Step 15

15

Select the Capture Info option and the Review Info option using the scan tool.

Does the scan tool display any DTCs that you have not diagnosed?

--

Go to the applicable DTC table

System OK