GM Service Manual Online
For 1990-2009 cars only

Object Number: 101341  Size: LF
OBD II Symbol Description Notice
Engine Controls Components
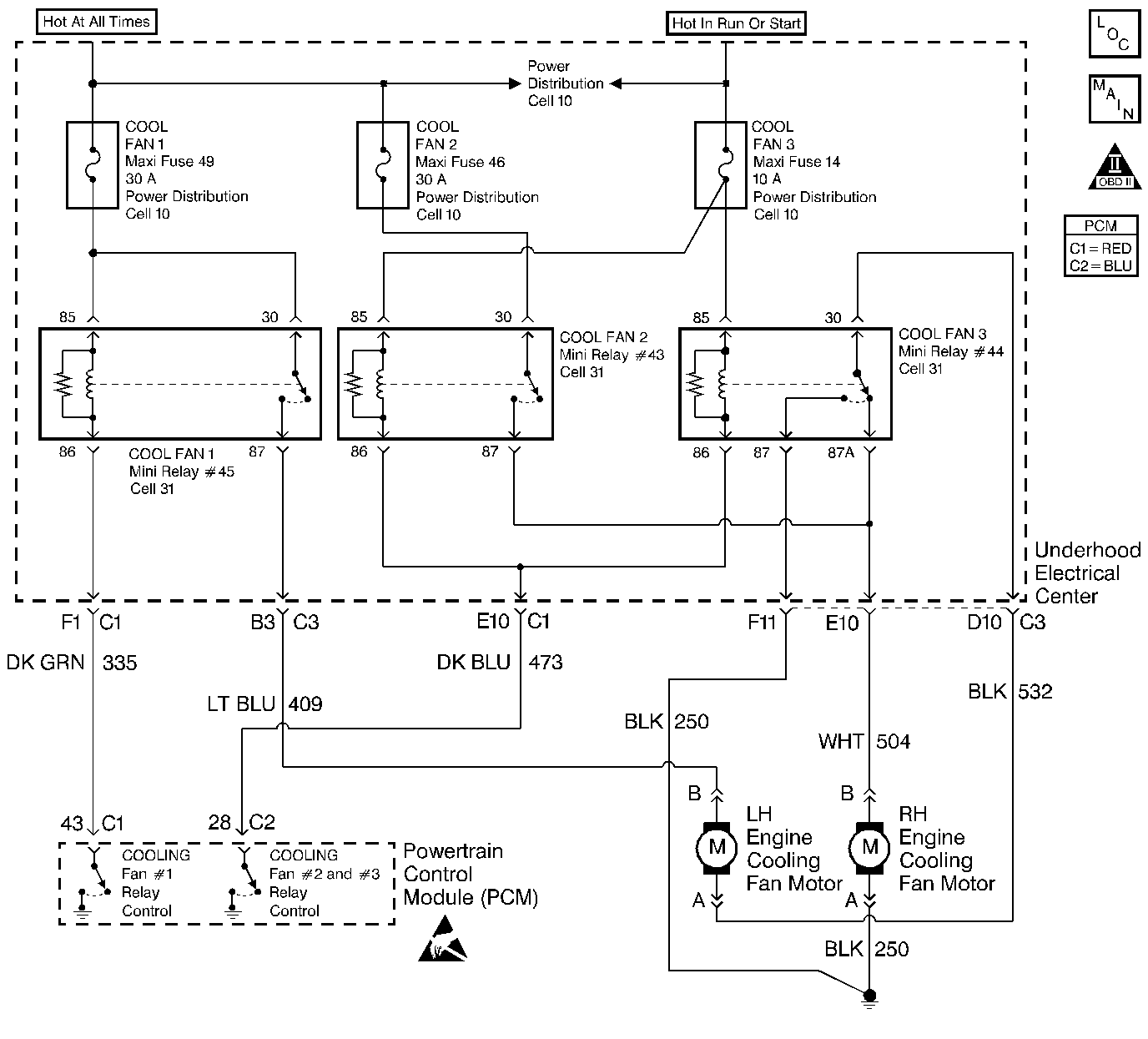
Cell 20: Engine Cooling Fan Controls
Handling ESD Sensitive Parts Notice

Circuit Description

Ignition voltage is supplied directly to the cooling fan relay coil. The PCM controls the relay by grounding the control circuit via an internal switch called a driver. The primary function of the driver is to supply the ground for the controlled component. Each driver has a fault line which the PCM monitors. When the PCM commands a component ON, the voltage of the control circuit should be low (near 0 volts). When the PCM commands the control circuit to a component OFF, the voltage potential of the circuit should be high (near the battery voltage). If the fault detection circuit senses a voltage other than what the PCM is expects, the fault line status changes causing the DTC to set.

The relay controls the high current flow to the AIR injection pump integral bypass valve. This allows the PCM driver to only have to control the relatively low current used by the relay.

Conditions for Setting the DTC

    • Engine speed is greater than 600 RPM.
    • The PCM detects that the commanded state of the driver and the actual state of the control circuit do not match.
    • Condition must exist for a minimum of 10 seconds.

Action Taken When the DTC Sets

    • The PCM illuminates the malfunction indicator lamp (MIL) on the second consecutive ignition cycle that the diagnostic runs and fails.
    • The PCM records the operating conditions at the time the diagnostic fails. The first time the diagnostic fails, the PCM stores this information in the Failure Records. If the diagnostic reports a failure on the second consecutive ignition cycle, the PCM records the operating conditions at the time of the failure. The PCM writes the conditions to the Freeze Frame and updates the Failure Records.

Conditions for Clearing the MIL/DTC

    • A last test failed, or the current DTC, clears when the diagnostic runs and does not fail.
    • A history DTC clears after 40 consecutive warm-up cycles, if failures are not reported by this or any other emission related diagnostic.
    • Use a scan tool in order to clear the MIL/DTC.

Diagnostic Aids

Cooling Fan Relay Underhood Electrical Center Terminal Identification

Front of Vehicle

Driver Side of Vehicle

Control

B+

Passenger Side of Vehicle

Load

B+

This DTC will not report a pass. The scan tool status for this DTC will never report a pass so it would appear that the diagnostic never runs. This causes the MIL to remain ON until a DTC clear command or battery disconnect occurs.

Using Freeze Frame and/or Failure Records data may aid in locating an intermittent condition. If you cannot duplicate the DTC, the information included in the Freeze Frame and/or Failure Records data can aid in determining how many miles since the DTC set. The Fail Counter and Pass Counter can also aid determining how many ignition cycles the diagnostic reported a pass and/or a fail. Operate the vehicle within the same freeze frame conditions (RPM, load, vehicle speed, temperature etc.) that you observed. This will isolate when the DTC failed.

For an intermittent, refer to Symptoms .

Test Description

The numbers below refer to the step numbers on the diagnostic table.

  1. Listen for an audible click when the relay operates. Command both the ON and the OFF states. Repeat the commands as necessary.

  2. This check can detect a partially shorted coil which would cause excessive current flow. Leaving the circuit energized for 2 minutes allows the coil to warm up. When warm the coil may open (Amps drop to 0), or short (goes above 0.75 Amp).

  3. Identify and test the relay coil terminals in order to avoid improper diagnosis.

  4. If you do not find any trouble in the control circuit or the connection at the PCM, the PCM may be faulty. However, this is an extremely unlikely failure.

  5. This DTC will not report a pass. The scan tool status for this DTC will never report a pass. The scan tool will only display when the diagnostic fails. The repair is not complete if the scan tool indicates that the diagnostic ran and failed.

Step

Action

Value(s)

Yes

No

1

Did you perform the Powertrain On-Board Diagnostic (OBD) System Check?

--

Go to Step 2

Go to Powertrain On Board Diagnostic (OBD) System Check

2

  1. Turn ON the ignition leaving the engine OFF.
  2. Command the relay ON and OFF using a scan tool.

Does the relay turn ON and OFF when commanded?

--

Go to Step 3

Go to Step 5

3

  1. Turn OFF the ignition.
  2. Disconnect the PCM connector located on the opposite side of the manufacturer's logo.
  3. Turn ON the ignition.
  4. Measure current from the relay control circuit in the PCM harness connector to ground for 2 minutes using DMM J 39200 on 10 Amp scale.

Does the current draw measure less than the specified value shown (but not 0)?

0.75A

Go to Diagnostic Aids

Go to Step 4

4

  1. Turn OFF the ignition.
  2. Disconnect the relay.
  3. Measure the resistance from the relay control circuit in the PCM harness connector to ground using the DMM J 39200 .

Does the DMM display infinite resistance?

--

Go to Step 12

Go to Step 10

5

  1. Turn OFF the ignition.
  2. Disconnect the relay.
  3. Connect the test lamp J 35616-200 between the FC relay 1 control circuit and the FC relay 1 B+ supply circuit at the underhood electrical center. Refer to Diagnostic Aids for terminal identification.
  4. Turn ON the ignition.
  5. Command the relay ON and OFF using a scan tool.

Does the test lamp turn ON and OFF with each command?

--

Go to Step 8

Go to Step 6

6

Probe the FC relay 1 B+ supply circuits at the underhood electrical center with the test lamp J 35616-200 connected to ground.

Is the test lamp illuminated?

--

Go to Step 7

Go to Step 11

7

  1. Turn OFF the ignition.
  2. Reconnect the relay.
  3. Disconnect the PCM connector located on the opposite side of the manufacturer's logo. Refer to Powertrain Control Module/Throttle Actuator Control Module Replacement .
  4. Turn ON the ignition.
  5. Probe the relay control circuit in the PCM harness connector with a fused jumper wire connected to ground.

Does the relay operate?

--

Go to Step 9

Go to Step 10

8

Check the connections at the relay.

Did you find and correct the condition?

--

Go to Step 14

Go to Step 12

9

Check the connections at the PCM.

Did you find and correct the condition?

--

Go to Step 14

Go to Step 13

10

Repair the relay control circuit. Refer to Body and Accessories/Wiring Systems.

Is the repair complete?

--

Go to Step 14

--

11

Repair the relay B+ supply circuit. Refer to Body and Accessories/Wiring Systems.

Is the repair complete?

--

Go to Step 14

--

12

Replace the relay.

Is the replacement complete?

--

Go to Step 14

--

13

Important:: Program the replacement PCM. Refer to Powertrain Control Module/Throttle Actuator Control Module Replacement .

Replace the PCM.

Is the action complete?

--

Go to Step 14

--

14

  1. Select the Diagnostic Trouble Code (DTC) option and the Clear DTC option using the scan tool.
  2. Start engine and idle at normal operating temperature.
  3. Select the Diagnostic Trouble Code (DTC) option and the Specific DTC option, then enter the DTC number using the scan tool.
  4. Operate vehicle within the conditions for setting this DTC as specified in the supporting text, if applicable.

Does the scan tool indicate that this test failed?

--

Go to Step 2

Go to Step 15

15

Select the Capture Info option and the Review Info option using the scan tool.

Does the scan tool display any DTCs that you have not diagnosed?

--

Go to the applicable DTC table

System OK