GM Service Manual Online
For 1990-2009 cars only

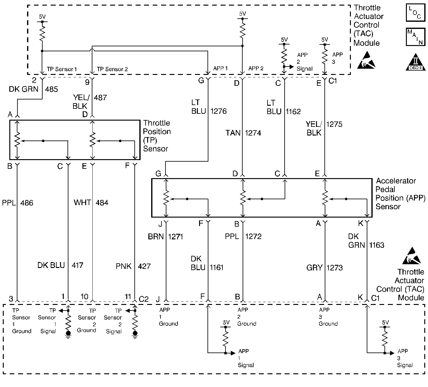
Object Number: 297346  Size: LF
OBD II Symbol Description Notice
Engine Controls Components
Cell 20: TP and APP Sensors
Handling ESD Sensitive Parts Notice
Handling ESD Sensitive Parts Notice

Circuit Description

The Throttle Position (TP) sensor is mounted on the throttle body assembly. The sensor is actually two individual Throttle Position sensors within one housing. Two separate signal, ground and 5.0 volt reference circuits are used to connect the TP sensor assembly and the Throttle Actuator Control (TAC) Module. The two sensors have opposite functionality. The TP sensor 1 signal voltage increases as the throttle opens, from below 1.1 volts at 0% throttle to above 3.7 volts at 100% throttle. The TP sensor 2 signal voltage decreases from above 3.9 volts at 0% throttle to below 1.2 volts at 100% throttle. Observe also that the signal circuit for TP Sensor 1 is pulled up to 5.0 volts and that the signal circuit for TP Sensor 2 is pulled to ground within the TAC Module.

Conditions for Setting the DTC

    • DTCs P0606, P1517, P1518 not set.
    • Ignition switch in the crank or run position.
    • Ignition voltage greater than 5.23 volts.
    • TP sensor #2 disagrees with TP sensor #1 by more than 7.5%.
    • All above conditions met for less than 1 second.

Action Taken When the DTC Sets

    • The PCM stores the DTC information into memory when the diagnostic runs and fails.
    • The PCM illuminates the malfunction indicator lamp (MIL) when the diagnostic runs and fails.
    • The PCM records the operating conditions at the time the diagnostic fails. The PCM stores this information in the Freeze Frame and/or Failure Records.
    • The TAC system operates in reduced engine power mode. If certain TAC system DTCs are set at the same time, the TAC system may command the engine to shut down.

Conditions for Clearing the MIL/DTC

    • The PCM turns OFF the malfunction indicator lamp (MIL) after 3 consecutive ignition cycles that the diagnostic runs and does not fail.
    • A last test failed, or current DTC, clears when the diagnostic runs and does not fail.
    • A history DTC clears after 40 consecutive warm-up cycles, if no failures are reported by this or any other emission related diagnostic.
    • Use a scan tool in order to clear the MIL and the DTC.

Diagnostic Aids

The following may cause an intermittent:

    • Poor connections. Check for adequate terminal tension. Refer to Troubleshooting Procedures, Checking Terminal Contact (Body and Accessories/Wiring Systems) for proper procedure.
    • Corrosion
    • Mis-routed harness.
    • Rubbed through wire insulation.
    • Broken wire inside the insulation.
    • Inspect the TAC module connectors for signs of water intrusion. When this occurs, multiple DTCs should be set and no circuit or component problems can be located.

For an intermittent, refer to Symptoms .

    • If a repair is completed and the DTC was cleared using a scan tool on the same ignition cycle, the default action will not clear until an ignition cycle has occurred.
    • When the TAC module detects a problem within the TAC System, more than one TAC System related DTC may set. This is due to the many redundant tests run continuously on this system. Locating and repairing one individual problem may correct more than one DTC. Keep this in mind when reviewing captured DTC info.

Test Description

The numbers below refer to the step numbers on the diagnostic table.

  1. Disconnect the Throttle Actuator connector before inserting fingers into the throttle bore. Re-install the air inlet duct after repairs are completed.

  2. Jumping either TP sensor signal circuit to 5.0 volts should not affect any of the other TP sensor voltages. A problem exists within the TAC module if jumping the circuits affects another TP sensor parameter.

  3. Jumping either TP sensor signal circuit to ground should not affect any of the other TP sensor voltages. A problem exists within the TAC module if jumping the circuits affects another TP sensor parameter.

  4. When the TAC module detects a problem within the TAC System, more than one TAC System related DTC may set. This is due to the many redundant tests run continuously on this system. Locating and repairing one individual problem may correct more than one DTC. Keep this in mind when reviewing captured DTC info.

DTC P1221 - Throttle Position (TP) Sensors 1, 2 Performance

Step

Action

Value(s)

Yes

No

1

Did you perform the Powertrain On-Board Diagnostic (OBD) System Check?

--

Go to Step 2

Go to Powertrain On Board Diagnostic (OBD) System Check

2

Important: If DTC P1518 is also set, refer to DTC P1518 for further diagnosis.

  1. Turn ON the ignition leaving the engine OFF.
  2. Monitor the TP sensors Disagree parameter using the scan tool.

Does the scan tool indicate NO?

--

Go to Step 3

Go to Step 5

3

  1. Remove the duct from the Throttle Body Assembly.
  2. Important: Disconnecting the throttle actuator motor connector will cause additional DTCs to set.

  3. Disconnect the Throttle Actuator harness connector.
  4. Open the throttle blade to Wide Open Throttle (WOT) by hand and then return it to closed throttle. Stop briefly at approximately 25%, 50%, 75% and 100% in each direction. Check the Throttle Sensors Disagree parameter at each stop.

Does the scan tool change from NO to YES while rotating the throttle blade?

--

Go to Step 7

Go to Step 4

4

  1. Reconnect the Throttle Actuator harness connector.
  2. Turn OFF the ignition for 15 seconds.
  3. Turn ON the ignition leaving the engine OFF.
  4. Select the Diagnostic Trouble Code (DTC) option and the Failed This Ignition option using the scan tool.
  5. Move the harness and the related connectors while monitoring the DTC status.

Does the harness movement cause this DTC to set?

--

Go to Step 14

Go to Diagnostic Aids

5

Disconnect the TAC Module connector containing the APP sensor circuits. Refer to Powertrain Control Module/Throttle Actuator Control Module Replacement .

Are all three parameters at 0%?

--

Go to Step 6

Go to Step 15

6

  1. Turn OFF the ignition.
  2. Disconnect both TAC Module connectors.
  3. Check the harness for continuity between the TP sensor 1 signal circuit and the signal circuits for the TP sensor 2, the APP sensor 1, the APP sensor 2, and the APP sensor 3 using the DMM J 39200 .
  4. Check the harness for continuity between the TP sensor 2 signal circuit and the signal circuits for the TP sensor 1, the APP sensor 1, the APP sensor 2, and the APP sensor 3 using the DMM J 39200 .

Does the DMM indicate continuity?

--

Go to Step 7

Go to Step 8

7

  1. Disconnect the TP sensor harness connector.
  2. Check for continuity at the TAC harness between the TP sensor 1 signal circuit and all other circuits in both TAC module connectors using the DMM J 39200 .
  3. Check for continuity at the TAC harness between the TP sensor 2 signal circuit and all other circuits in both TAC module connectors using the DMM J 39200 .

Does the DMM indicate continuity?

0.0-5.0ohms

Go to Step 11

Go to Step 14

8

  1. Disconnect the TP sensor harness connector.
  2. Check the harness for continuity between the TP sensor harness connector and the TAC module connector containing the TP sensor circuits using the DMM J 39200 .

Does the DMM indicate continuity?

0.0-5.0ohms

Go to Step 9

Go to Step 12

9

  1. Re-connect both TAC module connectors.
  2. Turn ON the ignition leaving the engine OFF.
  3. Display the voltages for the APP sensor 1, the APP sensor 2, the APP sensor 3, the TP sensor 1, and the TP sensor 2 using the scan tool.
  4. Jumper the TP sensor 1 signal circuit to the TP sensor 1 5.0 volt reference circuit in the TP sensor harness connector using a fused jumper wire while monitoring the APP and the TP sensor voltages.
  5. Remove the jumper wire.
  6. Repeat the procedure, jumping the TP sensor 2 signal circuit to the TP sensor 2 5.0 volt reference circuit in the TP sensor harness connector while monitoring the APP and the TP sensor voltages.

When one signal circuit is jumped to the reference voltage, are any of the other sensor voltages affected, or does the TP sensor 1 or 2 voltage not equal the specified voltage with the jumper installed?

3.94-6.06V

Go to Step 15

Go to Step 10

10

  1. Re-connect both TAC module connectors.
  2. Turn ON the ignition leaving the engine OFF.
  3. Display the voltages for the APP sensor 1, the APP sensor 2, the APP sensor 3, the TP sensor 1, and the TP sensor 2 using the scan tool.
  4. Jumper the TP sensor 1 signal circuit to the TP sensor 1 ground circuit in the TP sensor harness connector using a fused jumper wire while monitoring the APP and the TP sensor voltages.
  5. Remove the jumper wire.
  6. Repeat the procedure, jumping the TP sensor 2 signal circuit to the TP sensor 2 ground circuit in the TP sensor harness connector while monitoring the APP and the TP sensor voltages.

When one signal circuit is jumped to ground, are any of the other sensor voltages affected, or does the TP sensor 1 or 2 voltage not equal the specified voltage with the jumper installed?

0.0-0.1V

Go to Step 15

Go to Step 14

11

Repair the signal circuits that are shorted together. Refer to Body and Accessories/Wiring Systems.

Is the action complete?

--

Go to Step 16

--

12

Repair the circuit with the high resistance. Refer to Body and Accessories/Wiring Systems.

Is the action complete?

--

Go to Step 16

--

13

Check for poor connections/terminal tension at the APP sensor and at the TAC Module. Refer to Body and Accessories/Wiring Systems for proper procedure.

Did you find and correct the condition?

--

Go to Step 16

Go to Step 14

14

Replace the accelerator pedal assembly. Refer to Accelerator Pedal Assembly .

Is the action complete?

--

Go to Step 16

--

15

Replace the TAC Module. Refer to Powertrain Control Module/Throttle Actuator Control Module Replacement .

Is the action complete?

--

Go to Step 16

--

16

  1. Select the Diagnostic Trouble Code (DTC) option and the Clear DTC Information option using the scan tool.
  2. Idle the engine at the normal operating temperature.
  3. Select the Diagnostic Trouble Code (DTC) option and the Specific DTC option, then enter the DTC number using the scan tool.
  4. Operate the vehicle within the Conditions for Setting the DTC as specified in the supporting text, if applicable.

Does the scan tool indicate that this diagnostic ran and passed?

--

Go to Step 17

Go to Step 2

17

Select the Capture Info option and the Review Info option using the scan tool.

Does the scan tool display any DTCs that you have not diagnosed?

--

Go to the applicable DTC table

System OK